融合经验网
首页
美食营养
生活百科
知识问答
生活知识
返回
融合经验网
首页
美食营养
游戏数码
手工爱好
生活知识
生活百科
健康养生
运动户外
职场理财
情感交际
母婴教育
时尚美容
知识问答
更多知识
搜索
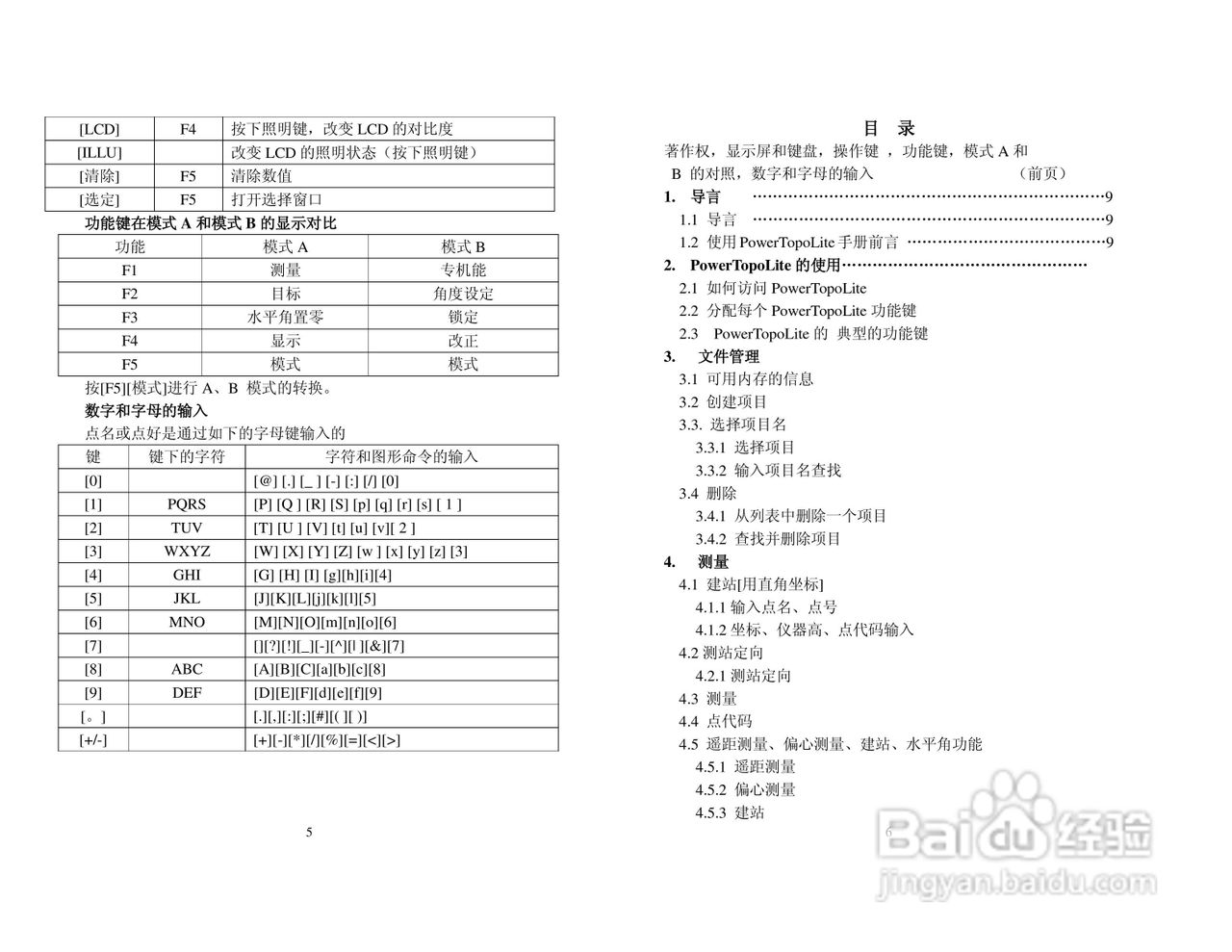
宾得R-322型电子全站仪使用说明书:[1]
2026-02-16 16:26:21
本篇为《宾得R-322型电子全站仪使用说明书》,主要介绍该产品的使用方法以及常见故障解决方案。
(共篇)
下一篇:
相关推荐
oppo手机红包助手为什么没有提示
阅读量:167
千斤顶油表精度等级
阅读量:186
大连市个人退休金查询。我这个月领退休金,我想知道能领多少钱
阅读量:132
喜马拉雅怎么切换看书模式
阅读量:50
交通信用卡逾期怎么协商
阅读量:23
猜你喜欢
香港肉丸子事件是什么意思
什么茶养胃
处女座和什么座最配
1960年中国发生了什么
骨癌有什么症状有哪些
lc是什么意思
炮灰是什么意思
5g手机什么时候出
小腹胀痛是什么原因
榛子是什么
猜你喜欢
tps是什么意思
什么动物冬眠
9月9日是什么星座
什么是诚信
清水房是什么意思
停牌是什么意思
mds是什么病
高血压挂什么科
一个永一个日念什么
如果你有空陪我过个冬是什么歌