融合经验网
首页
美食营养
游戏数码
知识问答
生活知识
返回
融合经验网
首页
美食营养
游戏数码
手工爱好
生活知识
健康养生
运动户外
职场理财
情感交际
母婴教育
时尚美容
知识问答
搜索
紫光DCAP-3014同步电动机监控保护装置使用说明书:[2]
2026-02-15 22:04:17
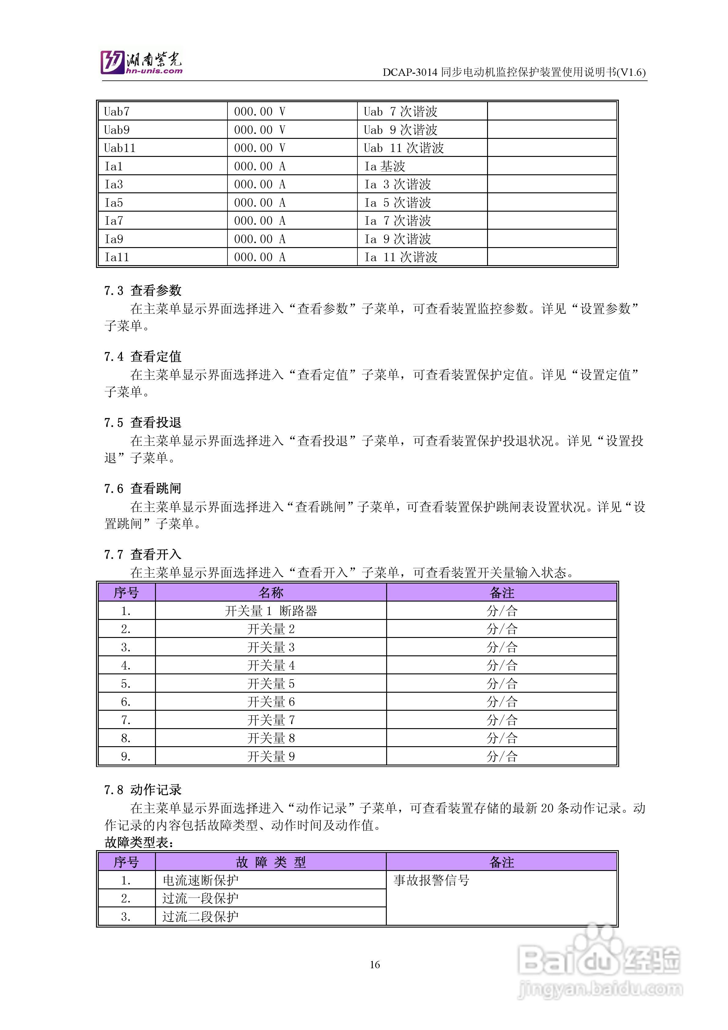
本篇为《紫光DCAP-3014同步电动机监控保护装置使用说明书》,主要介绍该产品的使用方法以及常见故障解决方案。
(共篇)
上一篇:
|
下一篇:
相关推荐
紫光DCAP-3014同步电动机监控保护装置使用说明书:[3]
阅读量:149
紫光DCAP-5010高压电动机综合监控保护装置使用说明书:[2]
阅读量:47
紫光DCAP-3005自闭贯通监控保护装置使用说明书:[2]
阅读量:132
紫光DCAP-5010高压电动机综合监控保护装置使用说明书:[4]
阅读量:70
紫光DCAP-5010高压电动机综合监控保护装置使用说明书:[3]
阅读量:79
猜你喜欢
什么射击游戏好玩
增值税是什么意思
希冀是什么意思
性冷淡有什么症状
vocal什么意思
不明觉厉什么意思
受益匪浅的意思
口是心非的意思
紫水晶的作用
scream什么意思
猜你喜欢
梦见猫是什么意思
海清演过什么电视剧
钦佩的意思
整存整取什么意思
硒鼓将用尽是什么意思
3个火念什么
一望无际的意思
暂时无法接通是什么意思
谦卑是什么意思
释怀的意思