融合经验网
首页
美食营养
生活百科
知识问答
生活知识
返回
融合经验网
首页
美食营养
游戏数码
手工爱好
生活知识
生活百科
健康养生
运动户外
职场理财
情感交际
母婴教育
时尚美容
知识问答
更多知识
搜索
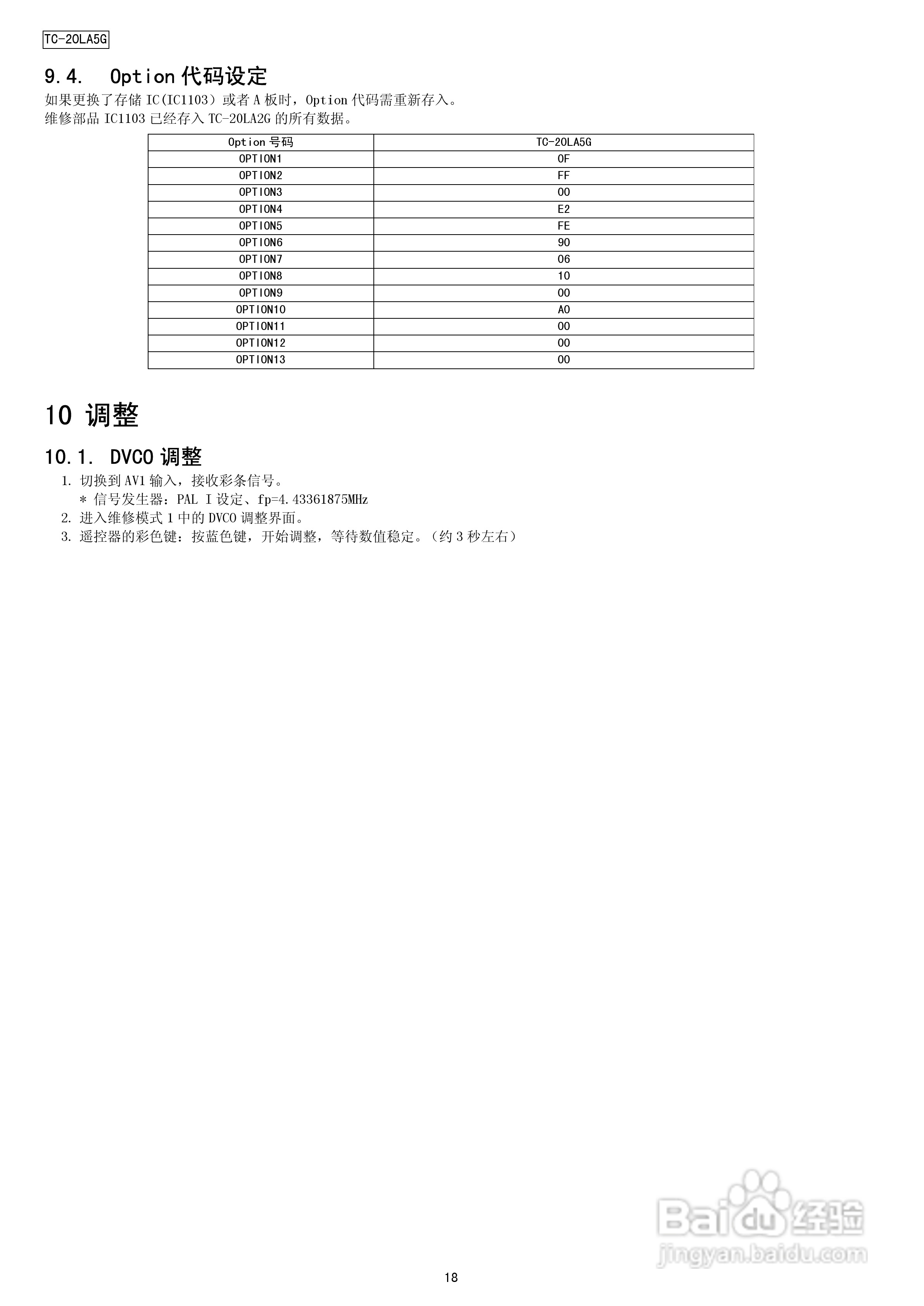
松下TC-20LA5G液晶彩电使用说明书:[2]
2026-02-18 08:55:27
/>
(共篇)
上一篇:
|
下一篇:
相关推荐
松下TC-20LA5G液晶彩电使用说明书:[3]
阅读量:145
松下TC-26LE7D液晶彩电使用说明书:[2]
阅读量:130
松下TC-32LE80D液晶彩电使用说明书:[2]
阅读量:34
松下TC-37LE80D液晶彩电使用说明书:[2]
阅读量:148
松下双开双控接线方法
阅读量:162
猜你喜欢
语文常识
肛周湿疹怎么治疗
规律的近义词
北京免费博物馆
张望的近义词
高中生发型女
芦荟怎么种
留恋的近义词
女性安全期怎么算
美图秀秀怎么换发型
猜你喜欢
耳朵痛是怎么回事
庞大的近义词是什么
六线谱怎么看
孕妇感冒嗓子疼怎么办
生机的近义词
教诲的近义词是什么
电脑中病毒怎么办
开水烫了怎么办
惊讶的近义词
胸部小怎么办