融合经验网
首页
美食营养
生活百科
知识问答
生活知识
返回
融合经验网
首页
美食营养
游戏数码
手工爱好
生活知识
生活百科
健康养生
运动户外
职场理财
情感交际
母婴教育
时尚美容
知识问答
更多知识
搜索
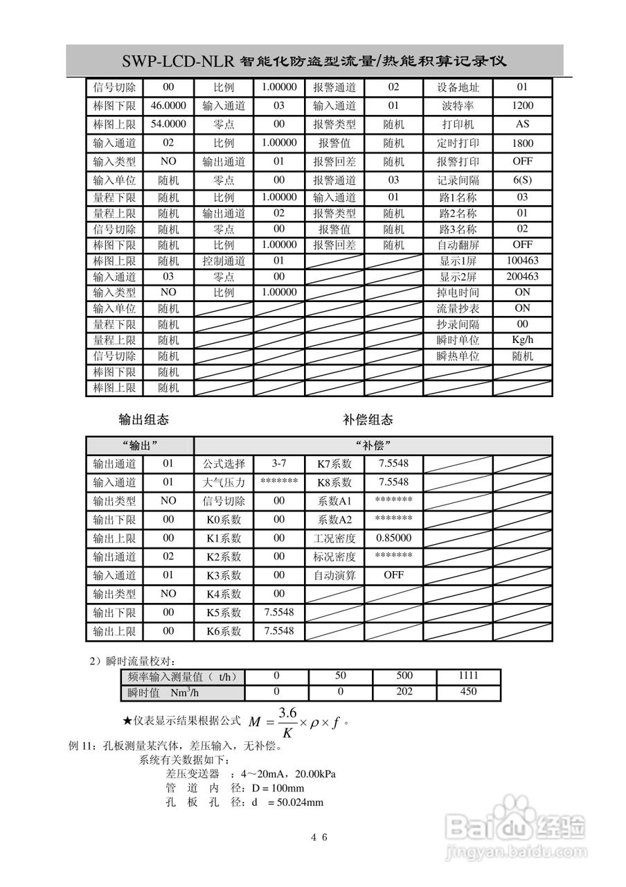
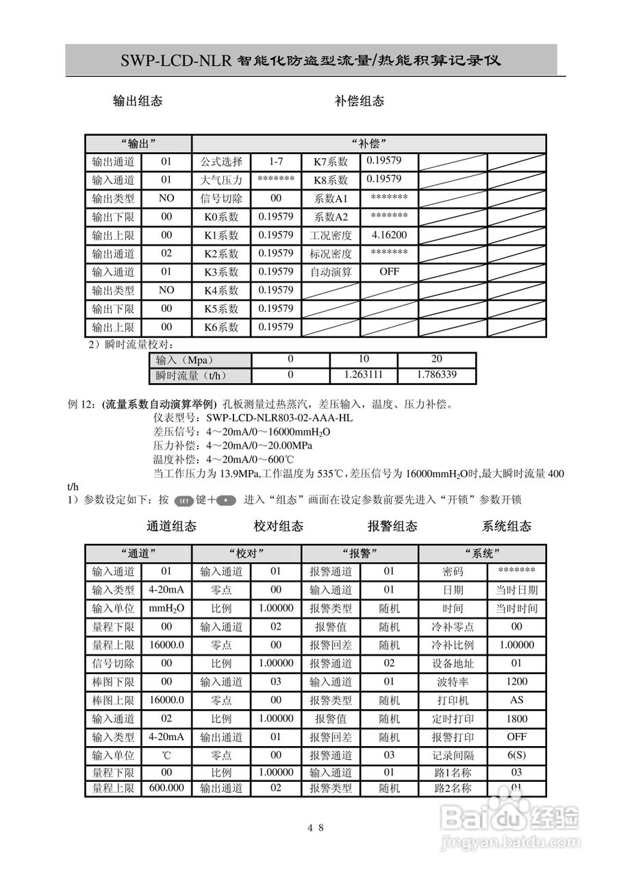
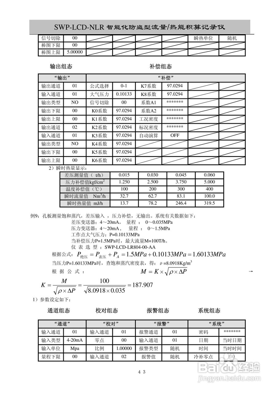
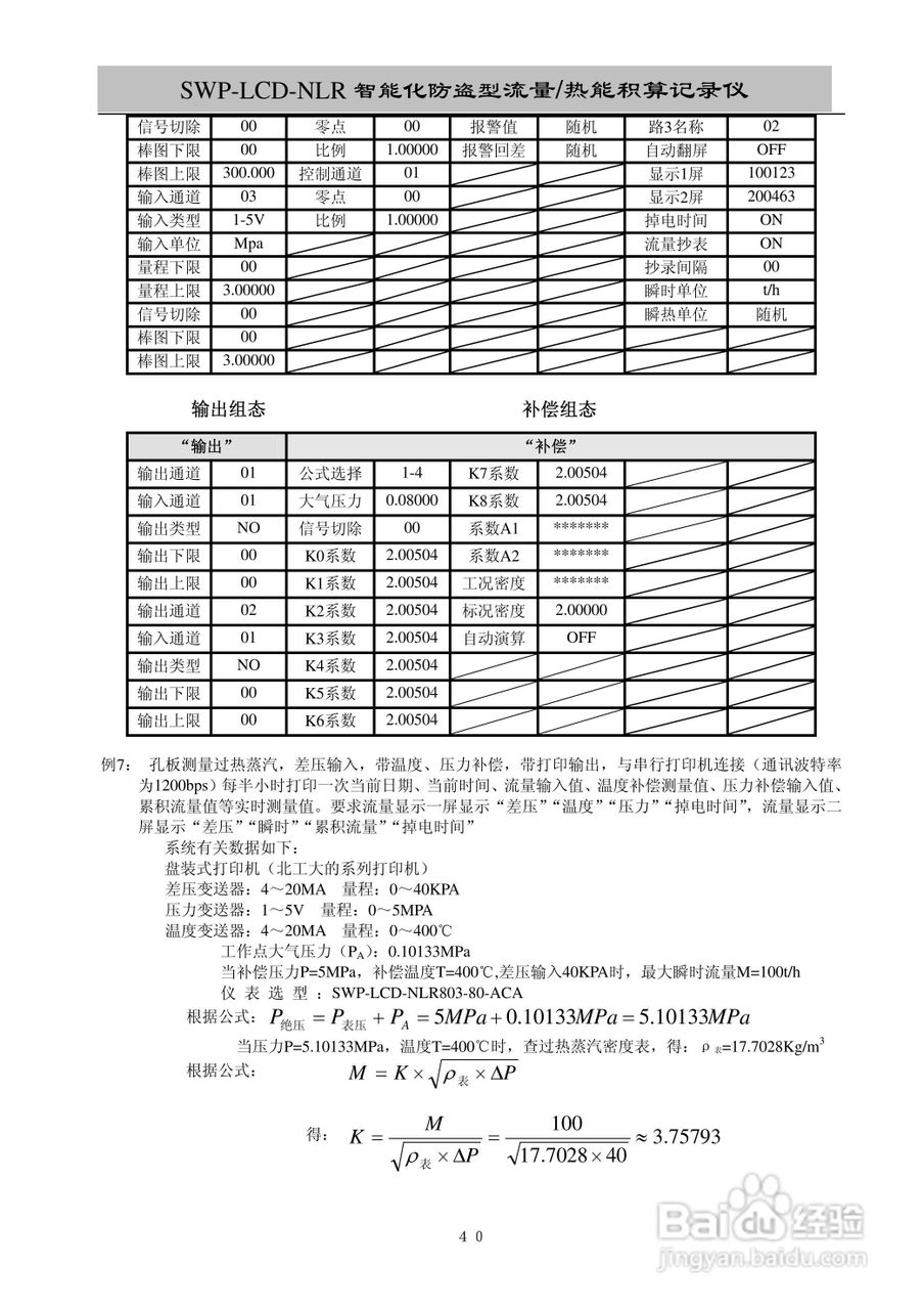
昌晖SWP-LCD-NLR智能化防盗型流量/热能积算仪说明书:[5]
2026-02-16 12:07:47
本篇为《昌晖SWP-LCD-NLR智能化防盗型流量/热能积算仪说明书》,主要介绍该产品的使用方法以及常见故障解决方案。
(共篇)
上一篇:
|
下一篇:
相关推荐
昌晖SWP-LCD-NLR智能化防盗型流量/热能积算仪说明书:[1]
阅读量:144
昌晖SWP-LCD-NLR智能化防盗型流量/热能积算仪说明书:[7]
阅读量:184
昌晖SWP-LCD-LTR智能防盗天然气流量积算控制仪说明书:[3]
阅读量:152
昌晖LCD-QR 智能化防盗型热量积算仪说明书:[3]
阅读量:147
昌晖LCD-QR 智能化防盗型热量积算仪说明书:[2]
阅读量:35
猜你喜欢
有限公司是什么意思
matter是什么意思
兔死狗烹什么意思
口若悬河的意思
颓废是什么意思
身不由己什么意思
牛黄解毒片的作用
ktv音响什么牌子好
风生水起的意思
拖泥带水的意思
猜你喜欢
idol什么意思
volte是什么意思
月季花茶的功效与作用
络绎不绝是什么意思
否极泰来是什么意思
不上学有什么出路
脱产是什么意思
牛角梳的作用
大数据是什么意思
良莠不齐的意思