融合经验网
首页
美食营养
生活百科
知识问答
生活知识
返回
融合经验网
首页
美食营养
游戏数码
手工爱好
生活知识
生活百科
健康养生
运动户外
职场理财
情感交际
母婴教育
时尚美容
知识问答
更多知识
搜索
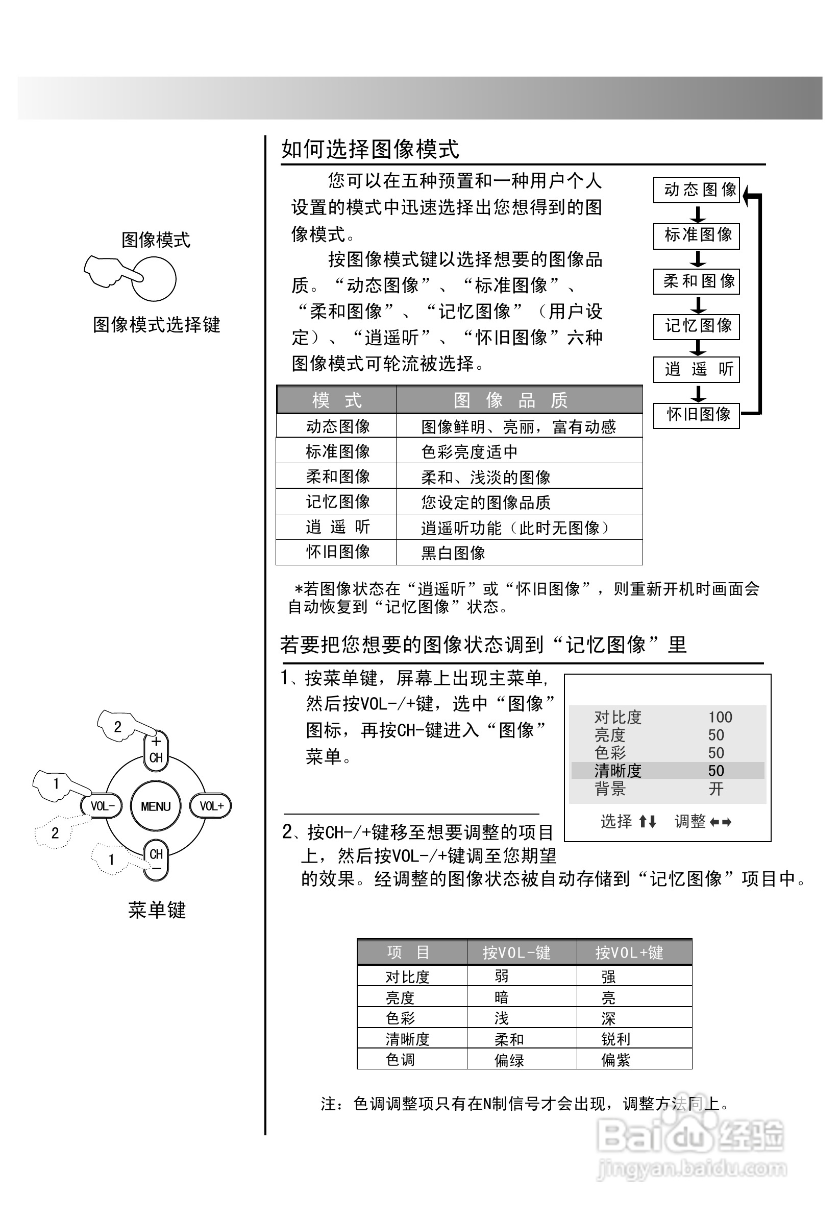
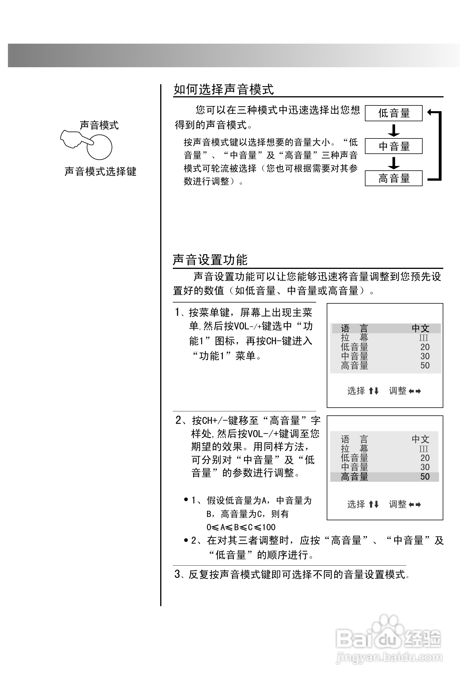
海尔25FV6H-B 彩电说明书:[2]
2026-02-16 01:44:50
(共篇)
上一篇:
|
下一篇:
相关推荐
海尔25FV6H-B 彩电说明书:[1]
阅读量:158
海尔29FV6H-B彩电说明书:[4]
阅读量:159
HP8753A/B/ C分析仪说明书:[25]
阅读量:47
海尔电热水器使用方法
阅读量:23
水性玻璃烤漆PSD-B系列说明书
阅读量:145
猜你喜欢
脚上起水泡怎么办
脚踝韧带拉伤怎么办
连不上网怎么回事
羽字五笔怎么打
双系统怎么删除一个
张怎么读
网线怎么连接路由器
夜间模式怎么开
丝塔芙洗面奶怎么样
我怎么哭了
猜你喜欢
对联怎么分上下联
日本豆腐怎么做好吃
寄快递怎么寄
医保卡怎么报销
大叔韩语怎么说
黄体破裂是怎么回事
泰拉瑞亚骷髅王怎么打
公众号怎么申请
chanel怎么读
华东师范大学怎么样