融合经验网
首页
美食营养
生活百科
知识问答
生活知识
返回
融合经验网
首页
美食营养
游戏数码
手工爱好
生活知识
生活百科
健康养生
运动户外
职场理财
情感交际
母婴教育
时尚美容
知识问答
更多知识
搜索
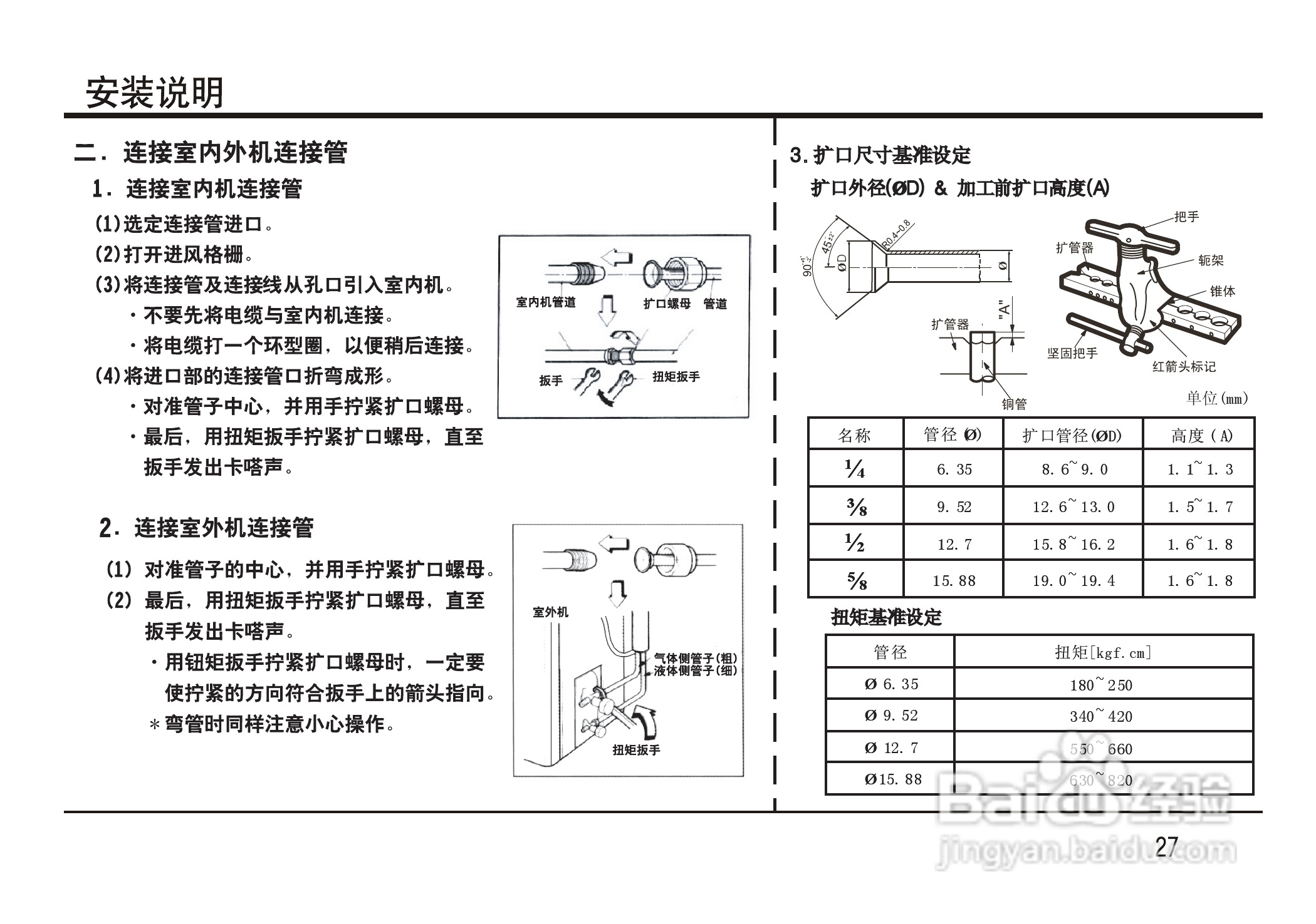
LG LP-S5011DT空调使用说明书:[3]
2026-02-15 16:41:24
(共篇)
上一篇:
|
下一篇:
相关推荐
LG LP-S5011DT空调使用说明书:[2]
阅读量:165
使用说明书封面怎么做
阅读量:34
使用说明书wf2651使用指南
阅读量:184
LG LP-B7213APV空调使用说明书:[4]
阅读量:141
LG LP-S5011DT空调使用说明书:[4]
阅读量:133
猜你喜欢
桑叶的作用与功效
什么是dj
什么时候情人节
阿奇霉素的作用
自然环境描写的作用
基佬什么意思
春季运动会
预防艾滋病知识
关于汽车的知识
南沙参的功效与作用
猜你喜欢
钙的作用
洋槐花的功效和作用
运动场标语
医保断交有什么影响
六神丸的功效与作用
生理盐水敷脸的作用
大理有什么好玩的地方
苍术的作用与功效
圆运动的古中医学
竹叶茶的功效与作用