融合经验网
首页
美食营养
游戏数码
知识问答
生活家居
返回
融合经验网
首页
美食营养
游戏数码
手工爱好
生活家居
健康养生
运动户外
职场理财
情感交际
母婴教育
时尚美容
知识问答
搜索
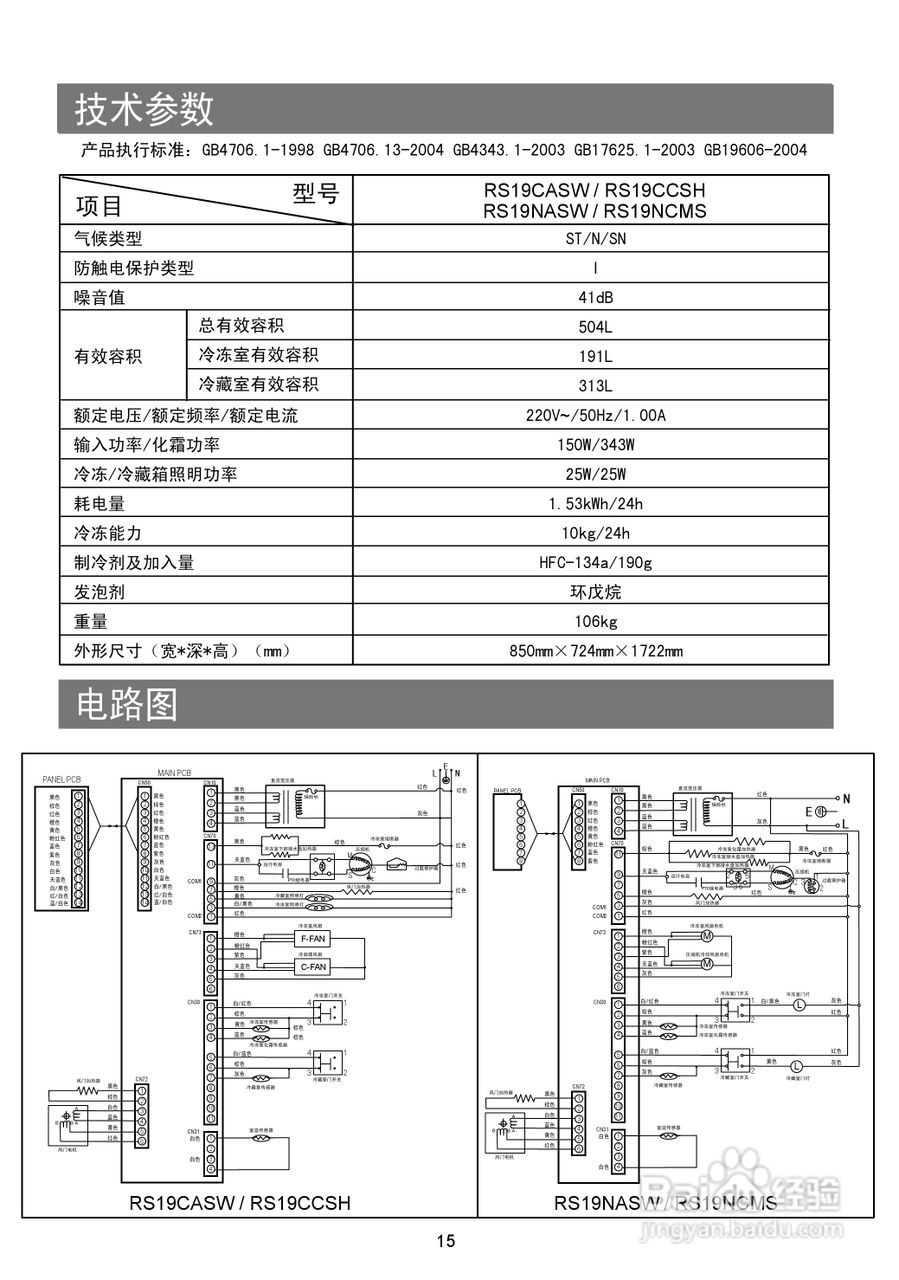
三星RS19CASW电冰箱使用说明书
2024-10-29 03:46:28
相关推荐
【遗赠扶养协议公证】让孤独老人安享晚年
食品经营许可证如何办理
黔西南科普微信公众号怎么关注
该如何鉴别劣质运动木地板?
实用攻略—贵阳创意生日派对需要怎么策划?
猜你喜欢
小米5手机怎么样
如何注册淘宝网店
如何写自我鉴定
如何快速去除黑眼圈
瓦罐香沸怎么样
如果生活欺骗了你
简单的生活
怎么讨人喜欢
accordion怎么读
生活委员工作总结
猜你喜欢
如何轻松减肥
如何更新显卡驱动
湖南商务职业技术学院怎么样
如何使鼻梁变高
中国的国花是什么花
mba是什么
邱淑贞慈禧秘密生活
拍拖是什么意思
如何看电脑显卡
生活污水处理设备