融合经验网
首页
美食营养
生活百科
知识问答
生活知识
返回
融合经验网
首页
美食营养
游戏数码
手工爱好
生活知识
生活百科
健康养生
运动户外
职场理财
情感交际
母婴教育
时尚美容
知识问答
更多知识
搜索
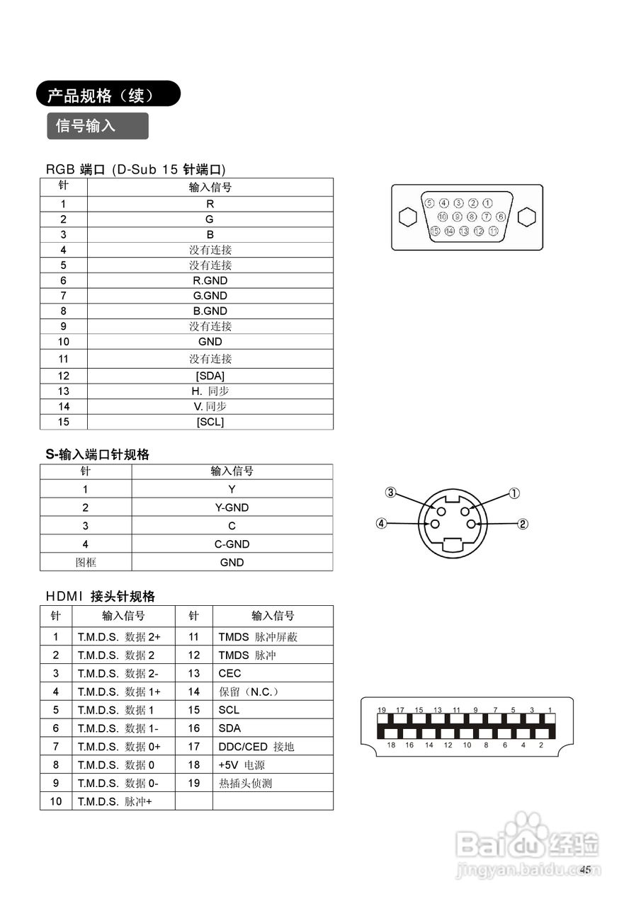
日立等离子彩色电视机P42E101C型使用说明书:[5]
2026-02-15 11:29:29
(共篇)
上一篇:
相关推荐
日立等离子彩色电视机P42E101CB型使用说明书:[5]
阅读量:161
日立等离子彩色电视机P42E101C型使用说明书:[4]
阅读量:144
日立等离子彩色电视机P42E101CB型使用说明书:[4]
阅读量:97
等离子清洗机使用方法
阅读量:97
等离子清洗机的作用
阅读量:141
猜你喜欢
聊城有什么好玩的地方
再接再厉的意思
夜市卖什么
客家人是什么意思
act是什么意思
wind是什么意思
engine什么意思
中药柴胡的功效与作用
211和985是什么意思
touch是什么意思
猜你喜欢
娴熟的意思
手机串号有什么用
爬灰什么意思
什么是隐翅虫
什么是空头支票
净值型理财产品是什么意思
lucy是什么意思
城府深是什么意思
什么是人身保险
银耳的作用