融合经验网
首页
美食营养
生活百科
知识问答
生活知识
返回
融合经验网
首页
美食营养
游戏数码
手工爱好
生活知识
生活百科
健康养生
运动户外
职场理财
情感交际
母婴教育
时尚美容
知识问答
更多知识
搜索
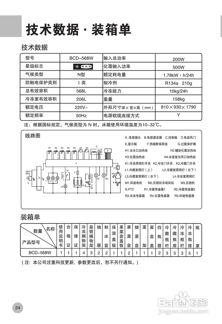
海尔冰箱BCD-568W型说明书:[3]
2026-02-14 16:22:36
(共篇)
上一篇:
相关推荐
狐臭的治疗方法分享
阅读量:128
鼻炎又犯了怎么办?
阅读量:105
网站排名优化技巧
阅读量:93
强迫症心理疏导黄金法则
阅读量:112
赴美生子直营月子中心该如何选择?
阅读量:169
猜你喜欢
什么是状语
晚安是什么意思
撰写是什么意思
1991年属什么生肖
garden是什么意思
如懿传为什么下架
修罗是什么意思
广州有什么大学
枫叶像什么的比喻句
悲催是什么意思
猜你喜欢
止咳化痰什么药最好
亚克西是什么意思
m什么意思
临床医学是干什么的
出品人是干什么的
谦卑是什么意思
注视的近义词是什么
拔罐黑紫色说明什么
直男是什么意思
什么是排比句