融合经验网
首页
美食营养
生活百科
知识问答
生活知识
返回
融合经验网
首页
美食营养
游戏数码
手工爱好
生活知识
生活百科
健康养生
运动户外
职场理财
情感交际
母婴教育
时尚美容
知识问答
更多知识
搜索
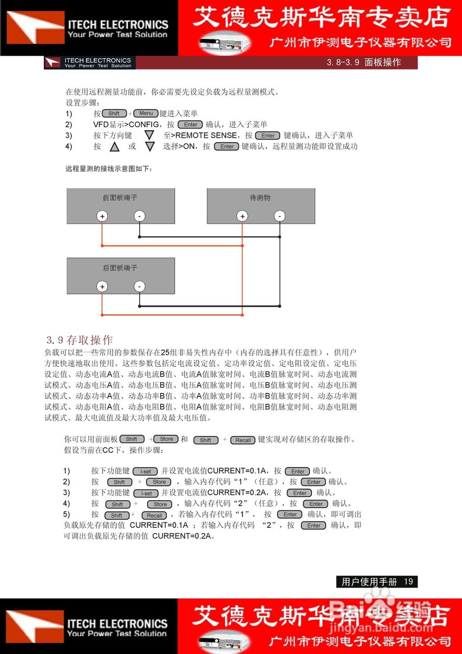
艾德克斯IT8511电子负载说明书:[2]
2026-04-26 03:16:33
本篇为《艾德克斯IT8511电子负载说明书》,主要介绍该产品的使用方法以及常见故障解决方案。
(共篇)
上一篇:
|
下一篇:
相关推荐
微信如何显示自己的手机号码
阅读量:77
微信上的电话号码怎么弄上去的
阅读量:77
微信上电话号码怎么设置上去
阅读量:130
微信怎么把电话号码设上去
阅读量:54
微信上电话号码怎么设置上去
阅读量:25
猜你喜欢
耿耿于怀是什么意思
地役权是什么意思
尤物是什么意思
捞女是什么意思
mpa是什么意思
奇迹的意思
want是什么意思
梦见小男孩是什么意思
陈述句是什么意思
抛锚是什么意思
猜你喜欢
乙肝表面抗原是什么意思
枯萎的意思
虎口拔牙的意思
随喜是什么意思
什么人不适合喝酸奶
驾照分数什么时候清零
什么是度娘
sleep是什么意思
奉献的意思
什么银行信用卡好办