融合经验网
首页
美食营养
生活百科
知识问答
生活知识
返回
融合经验网
首页
美食营养
游戏数码
手工爱好
生活知识
生活百科
健康养生
运动户外
职场理财
情感交际
母婴教育
时尚美容
知识问答
更多知识
搜索
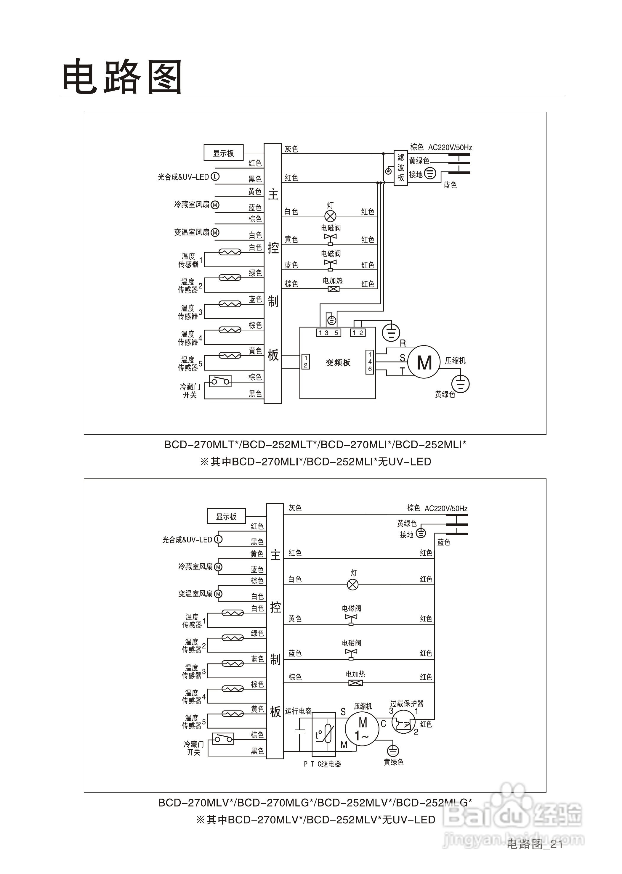
三星BCD-252MLG电冰箱使用说明书:[3]
2026-02-15 16:03:45
(共篇)
上一篇:
相关推荐
三星BCD-252MLG电冰箱使用说明书:[2]
阅读量:25
三星BCD-252MLI电冰箱使用说明书:[3]
阅读量:173
三星BCD-270MLG电冰箱使用说明书:[3]
阅读量:41
三星BCD-252MLT电冰箱使用说明书:[2]
阅读量:84
三星BCD-270MLG电冰箱使用说明书:[2]
阅读量:24
猜你喜欢
有什么好游戏
family是什么意思
男宝胶囊的作用
刮目相看的意思
get是什么意思啊
什么时候吃香蕉最好
乖张的意思
岿然不动的意思
al是什么意思
汗流浃背什么意思
猜你喜欢
otc是什么意思
隔音棉什么牌子好
got是什么意思
wan口未连接是什么意思
衣锦还乡什么意思
朝晖的意思
card是什么意思
泡腾片的作用
奇异的意思
寄托的意思