融合经验网
首页
美食营养
生活百科
知识问答
生活知识
返回
融合经验网
首页
美食营养
游戏数码
手工爱好
生活知识
生活百科
健康养生
运动户外
职场理财
情感交际
母婴教育
时尚美容
知识问答
更多知识
搜索
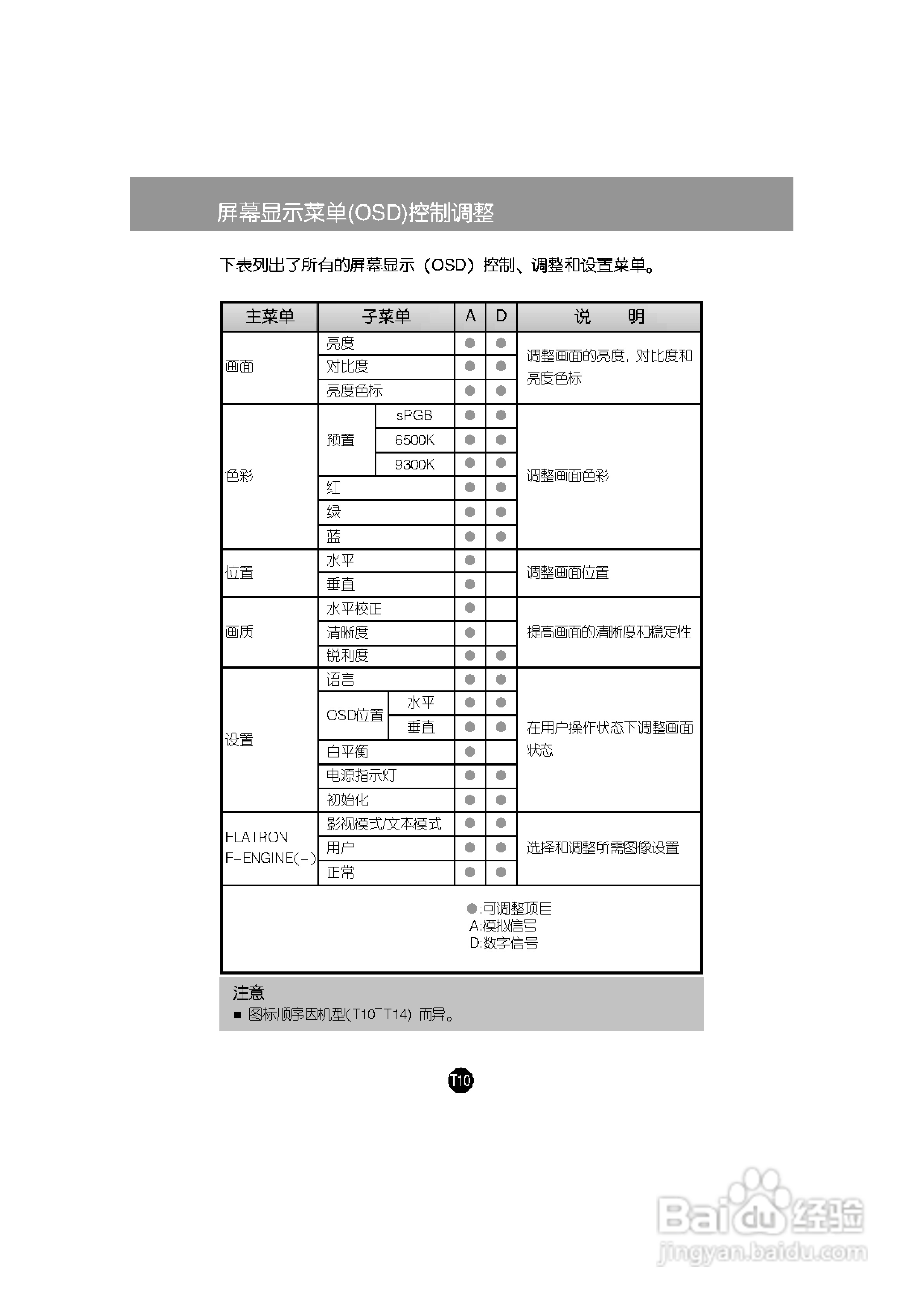
LG L196WTG液晶显示器使用说明书:[2]
2026-02-16 23:05:37
(共篇)
上一篇:
|
下一篇:
相关推荐
联想L196液晶显示器使用说明书:[2]
阅读量:91
液晶显示器如何消磁
阅读量:167
LG L226WTG液晶显示器使用说明书:[1]
阅读量:159
LG L226WTG液晶显示器使用说明书:[2]
阅读量:178
LG W206WTG液晶显示器使用说明书:[1]
阅读量:127
猜你喜欢
女士钱包什么颜色好
零担是什么意思
任重道远是什么意思
车全险包括什么
卷发器什么牌子好
bh是什么意思
手机看岛国用什么软件
水性杨花是什么意思
作壁上观的意思
无责任底薪是什么意思
猜你喜欢
什么叫动车组
送老公什么礼物最好
缄默是什么意思
无可奈何是什么意思
什么是px
出其不意的意思是什么
微博会员有什么特权
高考祝福语
头昏眼花的意思
给朋友的祝福语