融合经验网
首页
美食营养
生活百科
知识问答
生活知识
返回
融合经验网
首页
美食营养
游戏数码
手工爱好
生活知识
生活百科
健康养生
运动户外
职场理财
情感交际
母婴教育
时尚美容
知识问答
更多知识
搜索
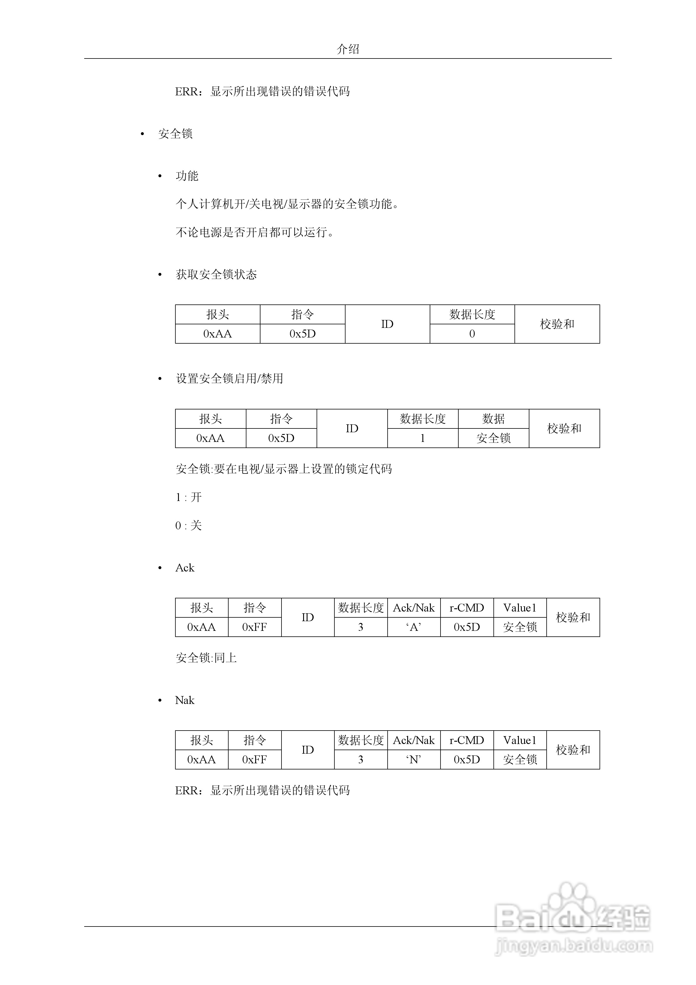
三星UD55A液晶显示器使用说明书:[4]
2026-02-17 05:19:55
(共篇)
上一篇:
|
下一篇:
相关推荐
三星UD55A液晶显示器使用说明书:[14]
阅读量:80
三星UD55A液晶显示器使用说明书:[15]
阅读量:114
三星s8 打开usb调试教程
阅读量:196
三星UD55A液晶显示器使用说明书:[13]
阅读量:128
三星UD55A液晶显示器使用说明书:[12]
阅读量:52
猜你喜欢
rice是什么意思
发行市盈率是什么意思
振聋发聩的意思
凤仙花靠什么传播种子
摒弃的意思
开光是什么意思
作是什么意思
胎神是什么意思
香山红叶什么时间最红
顶你个肺是什么意思
猜你喜欢
icp备案是什么意思
抵扣是什么意思
voc是什么意思
踏步机什么牌子好
award是什么意思
名声大振的意思
惩戒的意思
或者的意思
什么是功能材料
pe是什么意思的缩写