融合经验网
首页
美食营养
生活百科
知识问答
生活知识
返回
融合经验网
首页
美食营养
游戏数码
手工爱好
生活知识
生活百科
健康养生
运动户外
职场理财
情感交际
母婴教育
时尚美容
知识问答
更多知识
搜索
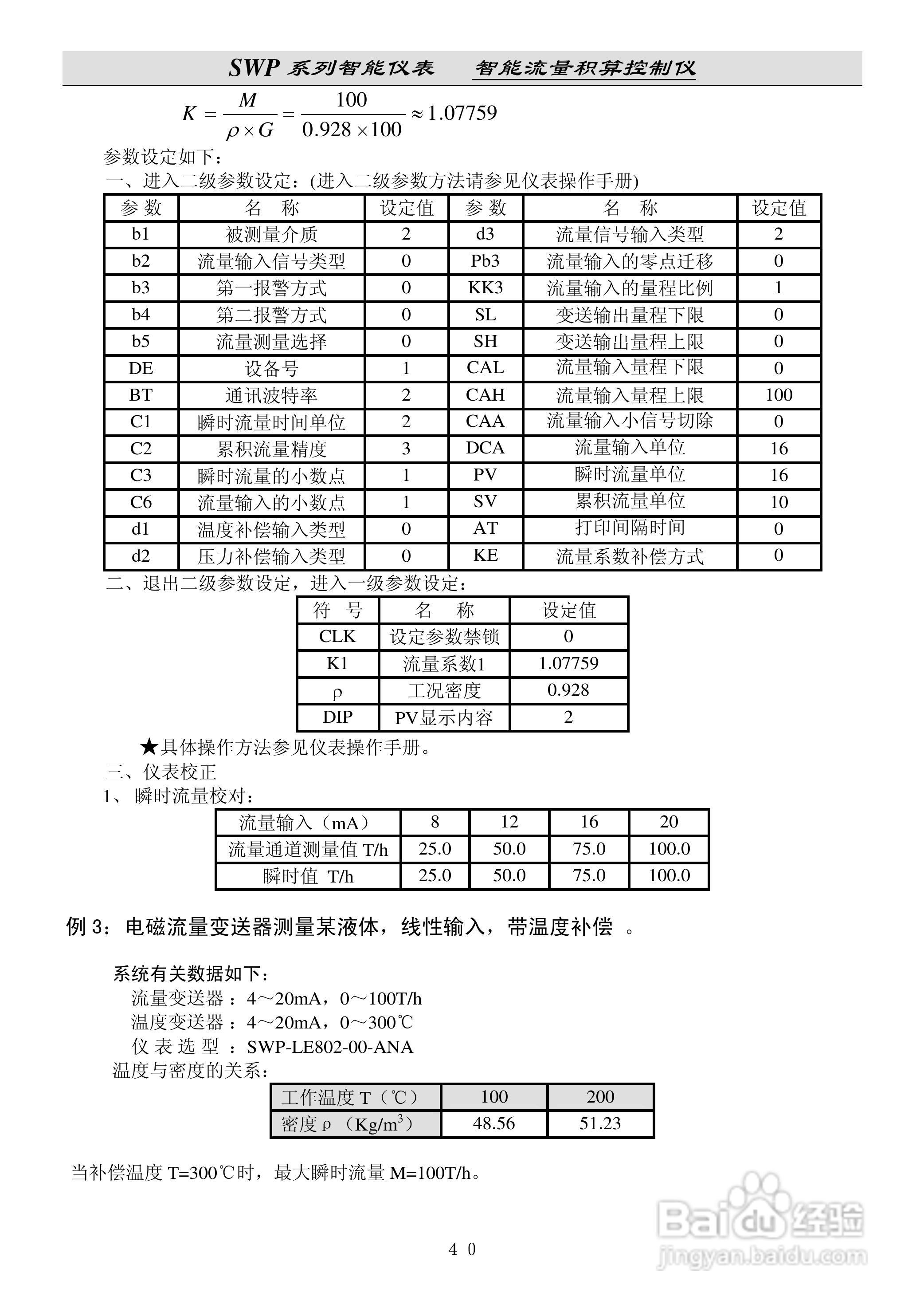
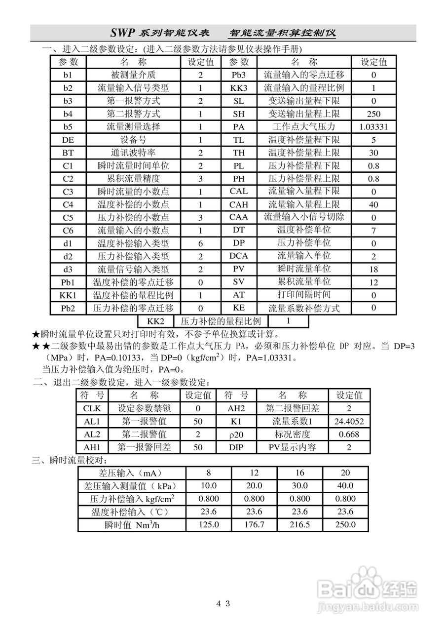
昌晖SWP-LE流量积算仪说明书:[5]
2026-02-14 12:03:43
本篇为《昌晖SWP-LE流量积算仪说明书》,主要介绍该产品的使用方法以及常见故障解决方案。
(共篇)
上一篇:
|
下一篇:
相关推荐
昌晖SWP-LE流量积算仪说明书:[3]
阅读量:126
昌晖CF-LK智能流量积算控制仪说明书:[5]
阅读量:26
昌晖CF-LK智能流量积算控制仪说明书:[2]
阅读量:71
昌晖CF-LK智能流量积算控制仪说明书:[4]
阅读量:63
昌晖CF-LK智能流量积算控制仪说明书:[6]
阅读量:155
猜你喜欢
保利地产怎么样
树新蜜蜂英语怎么说
小结怎么写
累计折旧怎么算
正当防卫4怎么设置中文
四川泡菜怎么做
itunes怎么用
苹果6怎么样
苹果手机怎么查序列号
ps怎么美白
猜你喜欢
汽车坐垫怎么安装
bathroom怎么读
梭子蟹怎么做
怎么看股票k线图
怀孕孕酮低怎么办
word怎么分栏
单位请假条怎么写
武昌工学院怎么样
户籍所在地怎么填
剩米饭怎么做好吃