融合经验网
首页
美食营养
生活百科
知识问答
生活知识
返回
融合经验网
首页
美食营养
游戏数码
手工爱好
生活知识
生活百科
健康养生
运动户外
职场理财
情感交际
母婴教育
时尚美容
知识问答
更多知识
搜索
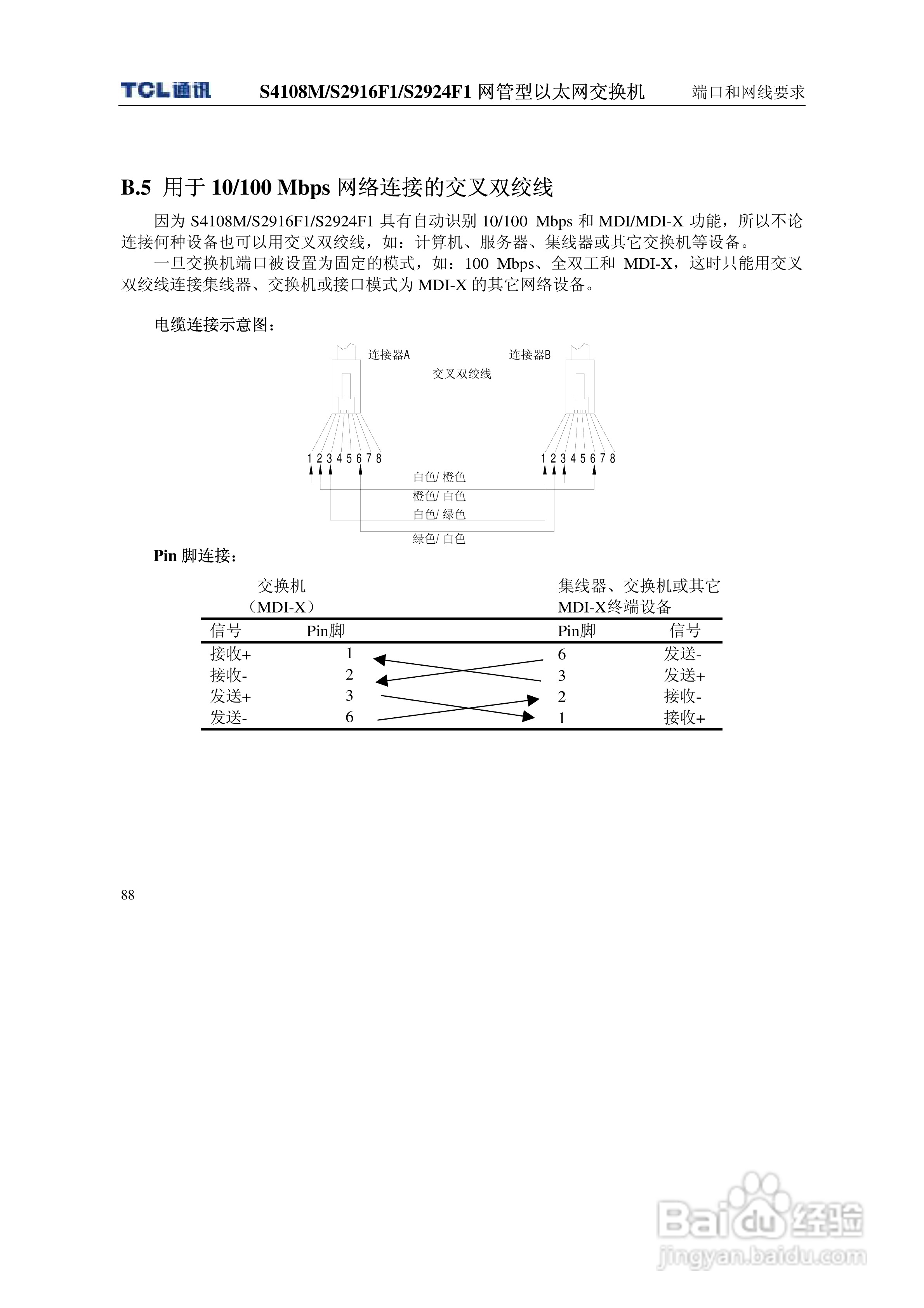
TCL王牌交换机S2924F1型说明书:[10]
2026-02-16 18:21:24
本篇为《TCL王牌交换机S2924F1型说明书》,主要介绍该产品的使用方法以及常见故障解决方案。
(共篇)
上一篇:
相关推荐
TCL王牌交换机S2924F1型说明书:[9]
阅读量:194
TCL王牌交换机S2924F2型说明书:[6]
阅读量:130
TCL王牌交换机S2924F2型说明书:[5]
阅读量:113
TCL王牌交换机S2916F1型说明书:[10]
阅读量:97
TCL王牌交换机S2916F1型说明书:[1]
阅读量:96
猜你喜欢
注册资本是什么意思
什么是利口酒
q币可以买什么
dsr是什么意思
艾叶作用
爱什么颜色
遒劲的意思
寓教于乐什么意思
深邃的意思
dinner是什么意思
猜你喜欢
亲切的什么
满载而归的意思
美不胜收的意思
白术的作用与功效
青涩的意思
买房需要什么手续
awsl是什么意思
何不食肉糜是什么意思
工装裤配什么上衣
六字真言是什么意思