融合经验网
首页
美食营养
生活百科
知识问答
生活知识
返回
融合经验网
首页
美食营养
游戏数码
手工爱好
生活知识
生活百科
健康养生
运动户外
职场理财
情感交际
母婴教育
时尚美容
知识问答
更多知识
搜索
KND-SD200驱动器用户手册:[3]
2026-02-15 15:02:14
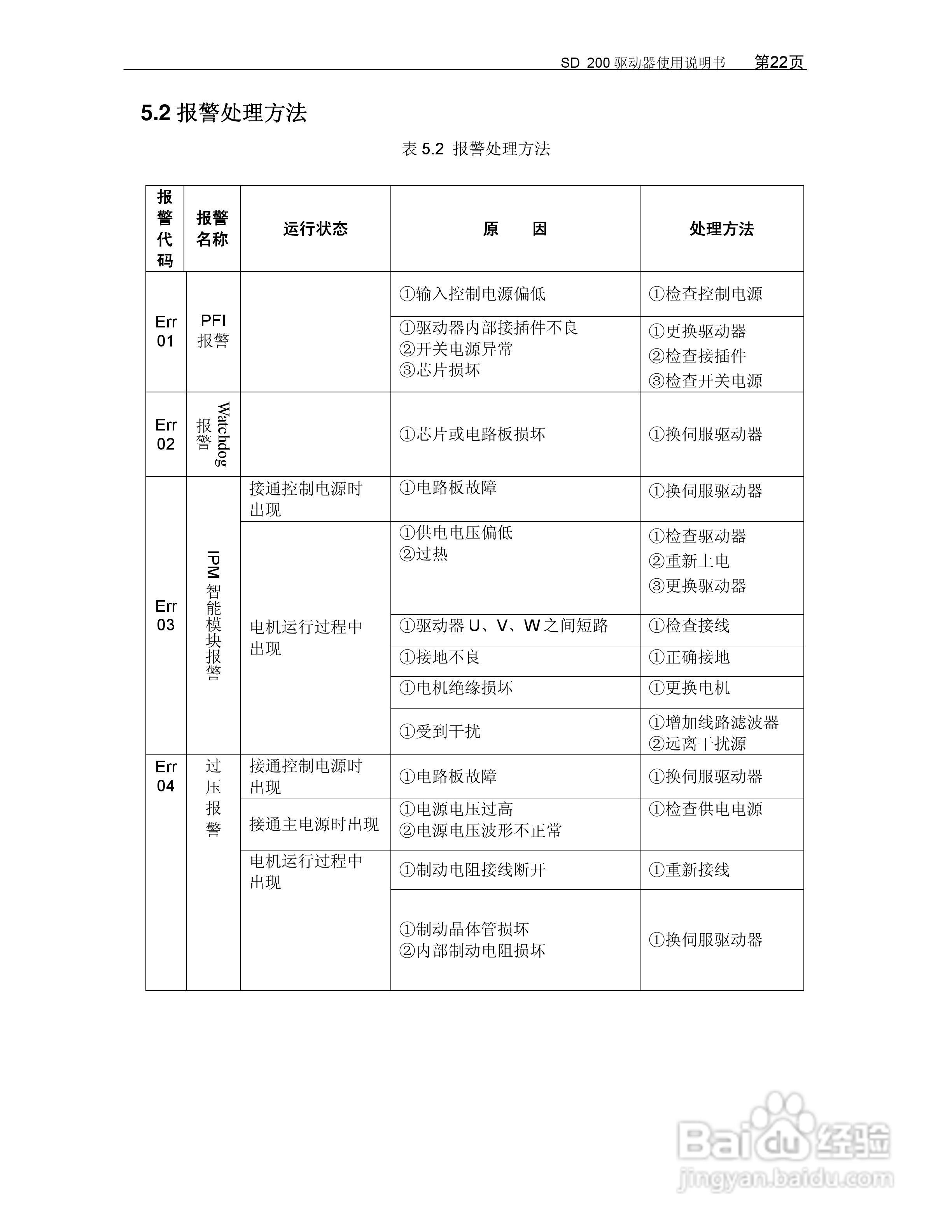
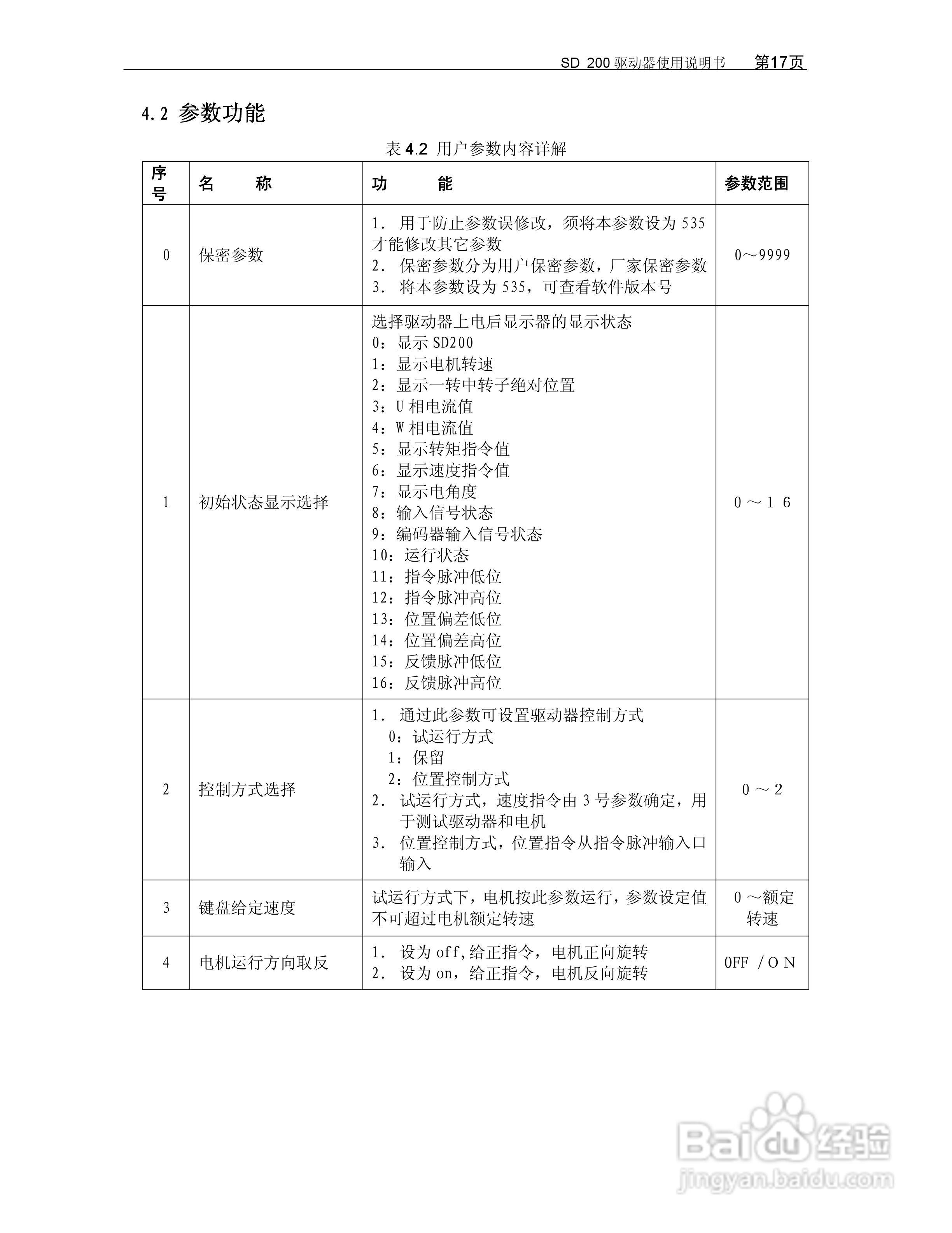
本篇为《KND-SD200驱动器用户手册》,主要介绍该产品的使用方法以及常见故障解决方案。
(共篇)
上一篇:
|
下一篇:
相关推荐
分手了如何求得复合
阅读量:44
如何看待新生儿罗圈腿,外八字?
阅读量:149
火龙果姜汁冰饮
阅读量:93
西沙群岛第四自然段体现了西沙群岛的什么特点
阅读量:66
蒸包子开水下锅还是冷水下锅
阅读量:116
猜你喜欢
飞科剃须刀怎么样
玉米粒怎么剥
脚被钉子扎了怎么办
杭州工艺美术博物馆
眩晕症怎么治
qq怎么隐藏
促黄体生成素高怎么办
高利贷利息怎么算
怎么做鱼好吃
金正恩发型
猜你喜欢
单行道逆行怎么处罚
庞大的近义词是什么
怎么煮粽子
密集的近义词
男青年发型
毕尔巴鄂古根海姆博物馆
社会实践情况怎么写
鼻影怎么画
乳腺导管扩张是怎么回事
怎么才能学好英语