融合经验网
首页
美食营养
生活百科
知识问答
生活知识
返回
融合经验网
首页
美食营养
游戏数码
手工爱好
生活知识
生活百科
健康养生
运动户外
职场理财
情感交际
母婴教育
时尚美容
知识问答
更多知识
搜索
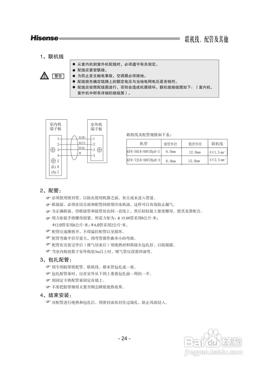
海信KFR-72LW/08FZBpH-3空调使用说明书:[3]
2026-02-20 15:01:50
/>
(共篇)
上一篇:
相关推荐
影响贵金属价格的原因有哪些
阅读量:183
G2010A制冷剂的应用和代换的经验分享
阅读量:65
电池漏液与电解液量的关系(连载1)
阅读量:40
怎样才能学好汽修技术
阅读量:173
览众风骏C7房车使用篇——侧窗
阅读量:111
猜你喜欢
莫干山板材怎么样
符咒大全符咒图解
动物世界性行为大全
脸上红血丝怎么办
性姿势清晰图片大全
宠物狗品种大全
海子简介
指甲竖纹是怎么回事
淮扬菜谱大全带图片
黄页软件大全
猜你喜欢
摩托车品牌大全
cmd命令大全
五音不全怎么学唱歌
早泄该怎么办
正方形折纸大全
周公解梦大全查询原版
班旗设计图案大全
快三舞曲大全
豆腐汤的做法大全
那英的歌曲大全