融合经验网
首页
美食营养
生活百科
知识问答
生活知识
返回
融合经验网
首页
美食营养
游戏数码
手工爱好
生活知识
生活百科
健康养生
运动户外
职场理财
情感交际
母婴教育
时尚美容
知识问答
更多知识
搜索
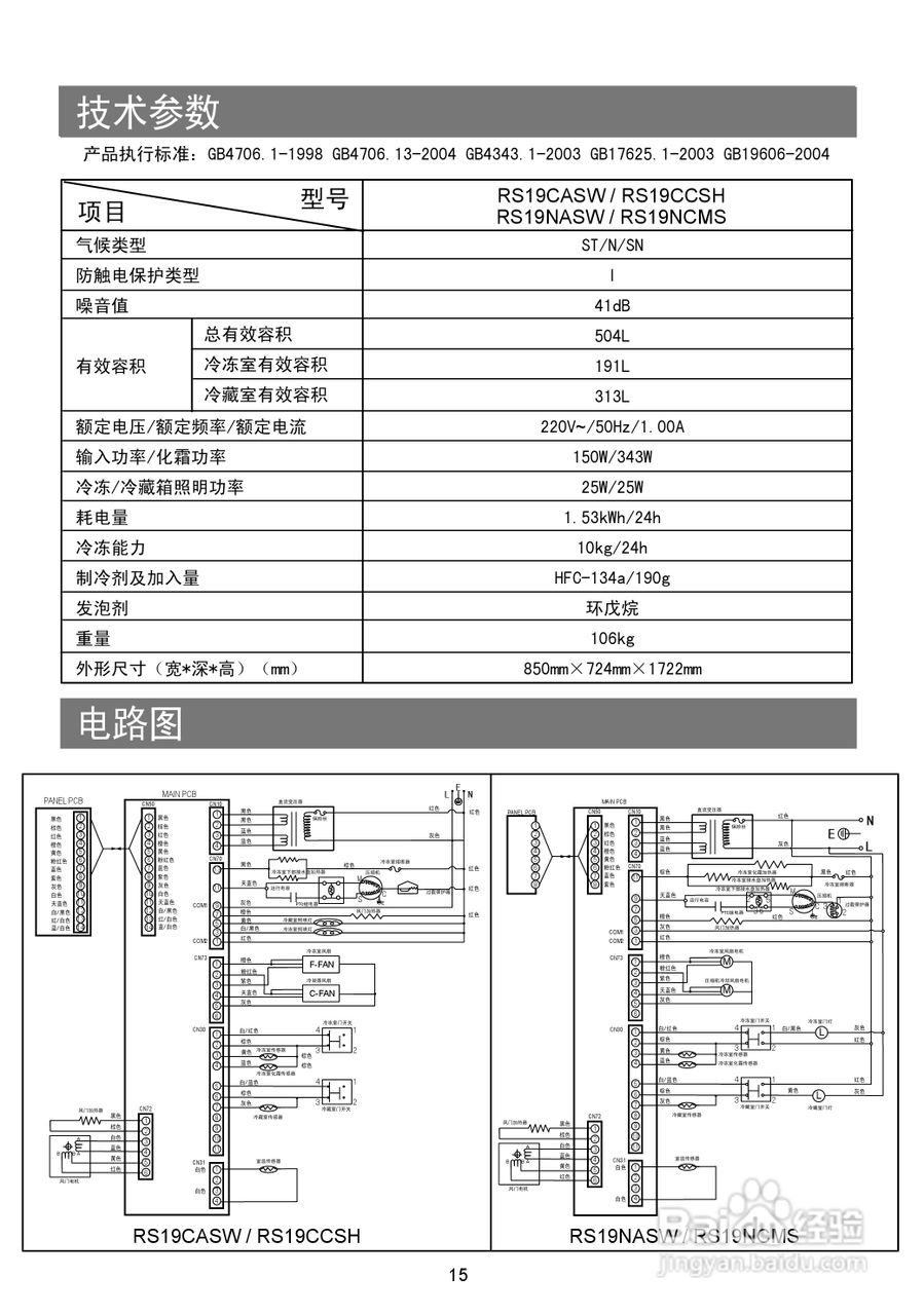
三星RS19NASW电冰箱使用说明书
2026-05-01 02:00:28
相关推荐
日立XQB60-JS洗衣机使用说明书:[1]
阅读量:78
车载逆变器使用注意事项
阅读量:175
热水器打不着火的原因
阅读量:195
铝合金梯子冲孔设备的模具怎么样做不会划伤?
阅读量:188
鸡肉香菇米粉
阅读量:127
猜你喜欢
延禧攻略2
电视剧延禧攻略
呼和浩特旅游攻略
康作如个人资料简介
三国志曹操传攻略
婴儿干呕是怎么回事
泡脚减肥
cad图怎么打印
苏州三山岛旅游攻略
蔡依林减肥
猜你喜欢
ipx177怎么被称为神作
魔兽争霸3怎么玩
金领冠珍护怎么样
打底衫搭配
月经期间如何减肥
三国群英传5攻略
碧之轨迹攻略
邓丽君简介
减肥集训营
人族无敌游侠攻略