融合经验网
首页
美食营养
游戏数码
知识问答
生活家居
返回
融合经验网
首页
美食营养
游戏数码
手工爱好
生活家居
健康养生
运动户外
职场理财
情感交际
母婴教育
时尚美容
知识问答
搜索
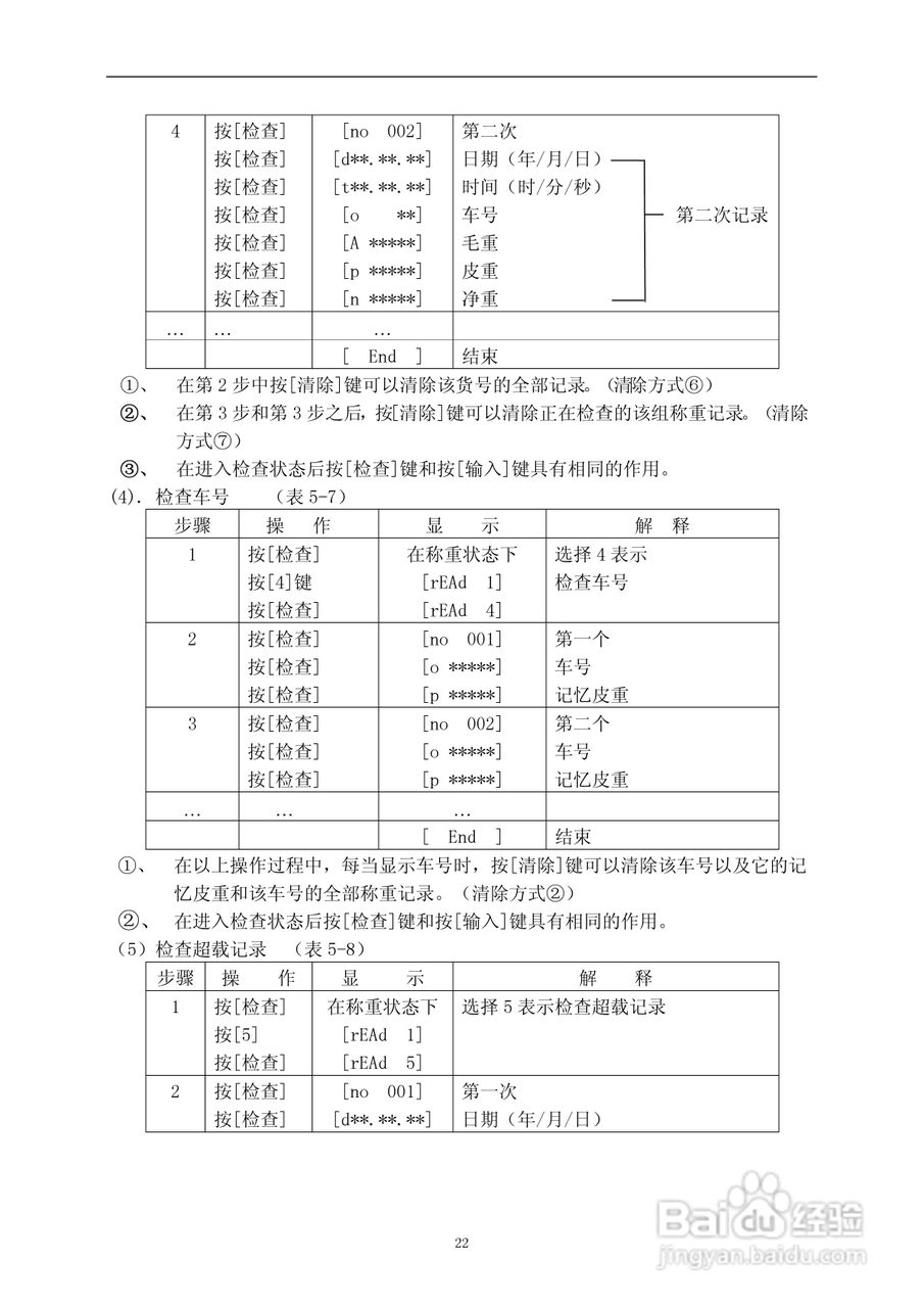
XK3190-D2称重显示器使用说明书:[3]
2024-12-06 02:33:06
相关推荐
BP2329A方案替代-M8919非隔离高PF48W方案
审讯室防撞软包的标准化建设
酸酸甜甜的柠檬柚子茶
电子负载系列EL 9000HP 操作说明书:[1]
组装电脑需要买什么零件
猜你喜欢
什么牛不吃草
sdr是什么意思
桂花什么时候开花
满五唯一什么意思
kn是什么单位
吃维生素c有什么好处
4月4日是什么星座
结婚20年是什么婚
开光的东西有什么禁忌
白兰地是什么酒
猜你喜欢
射手座和什么星座最配
9月4日是什么星座
十八洞村隶属于湖南省什么地方
脆生生的什么
dq是什么意思
浅绿色配什么颜色好看
华诞什么意思
甲状腺挂什么科
nba是什么意思
屈原姓什么