融合经验网
首页
美食营养
游戏数码
手工爱好
生活家居
返回
融合经验网
首页
美食营养
游戏数码
手工爱好
生活家居
健康养生
运动户外
职场理财
情感交际
母婴教育
时尚美容
搜索
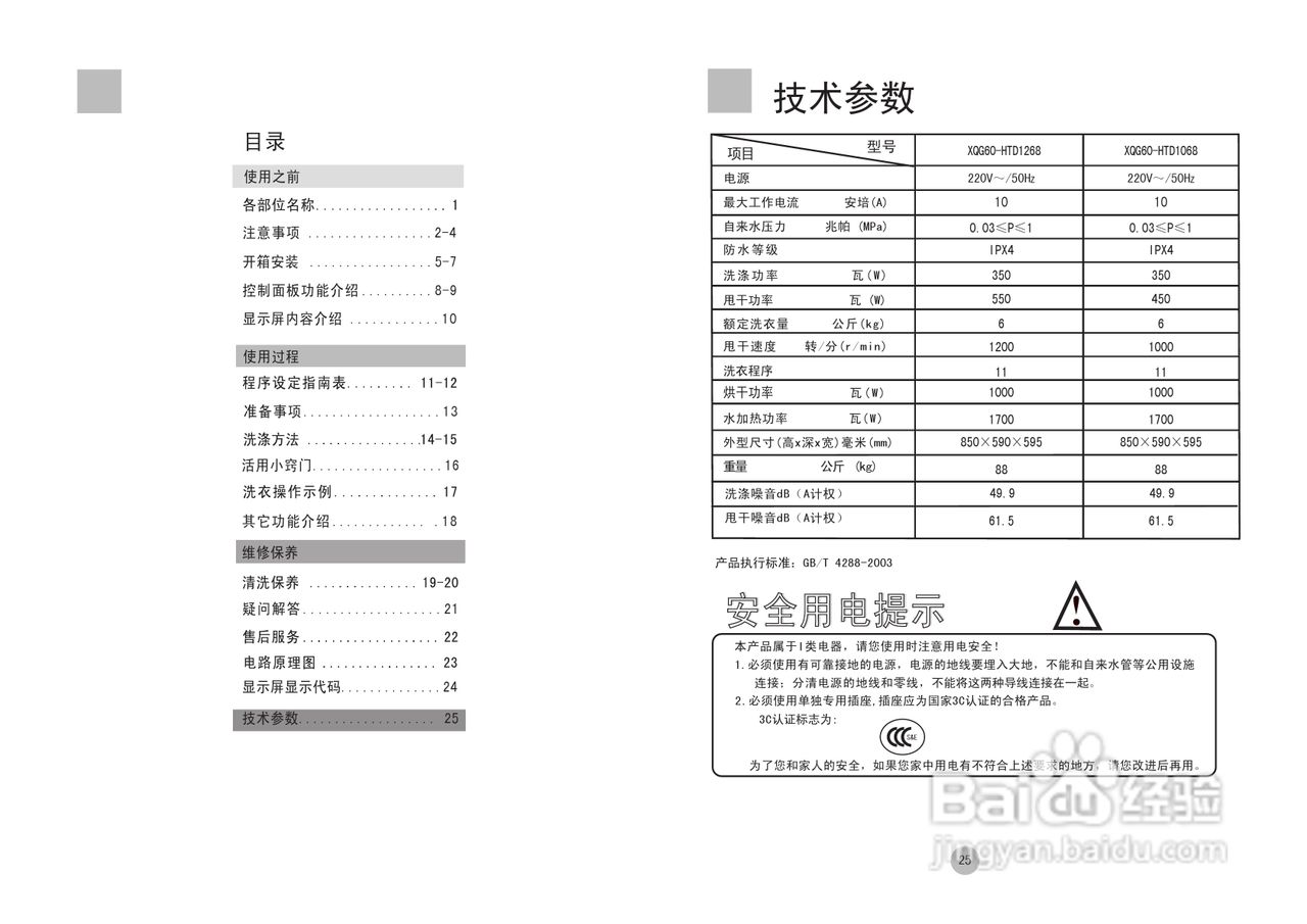
海尔XQG60-HTD1068洗衣机使用说明书
2024-11-07 08:30:48
/>
/>
/>
/>
相关推荐
豇豆炒胡萝卜
戒烟后的症状有哪些
信用卡普卡如何快速升级到金卡?
手机计算器如何将人民币换算换成以色列新谢克尔
海参的发制方法:[1]适用于60头左右
猜你喜欢
pte是什么
四个自信是指什么
打卡是什么意思
初心是什么意思
肾盂分离是什么意思
孕前检查一般有什么项目
梦见死人是什么意思
乌龙茶属于什么茶
玉髓是什么
忒是什么意思
猜你喜欢
什么东西补肾
tid是什么意思
摆摊卖什么赚钱成本又低
虎和什么生肖最配
baby是什么意思
park是什么意思
有什么好吃的家常菜
menu是什么意思
每个月的14号分别是什么情人节
卅是什么意思