融合经验网
首页
美食营养
生活百科
知识问答
生活知识
返回
融合经验网
首页
美食营养
游戏数码
手工爱好
生活知识
生活百科
健康养生
运动户外
职场理财
情感交际
母婴教育
时尚美容
知识问答
更多知识
搜索
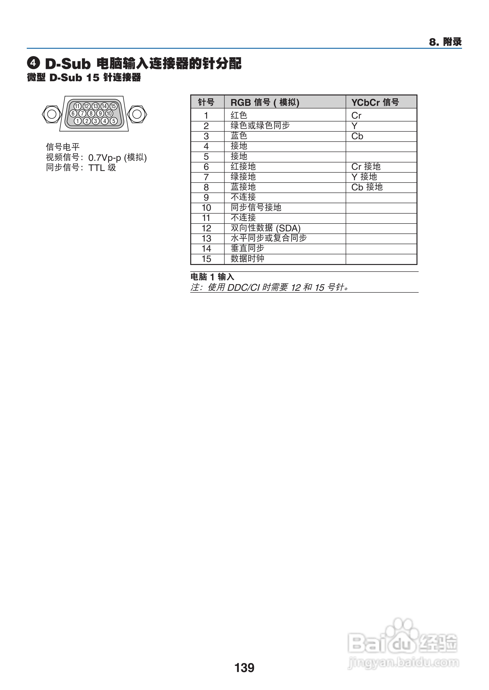
NEC NP-M260X+投影机使用说明书:[15]
2026-02-15 15:47:54
本篇为《NEC NP-M260X+投影机使用说明书》,主要介绍该产品的使用方法以及常见故障解决方案。
(共篇)
上一篇:
|
下一篇:
相关推荐
NEC NP-M260X+投影机使用说明书:[10]
阅读量:192
NEC NP-M260X+投影机使用说明书:[9]
阅读量:163
NEC NP-M300XS+投影机使用说明书:[15]
阅读量:97
NEC NP-M350X+投影机使用说明书:[15]
阅读量:162
使用说明书wf2651使用指南
阅读量:99
猜你喜欢
如何写现代诗
8月23日是什么星座
中央生活城
暧昧是什么意思
如何开通国际漫游
脸颊两边反复长痘痘是什么原因引起的
如何退出微信群
如何开家政服务公司
如何使用投影仪
梦见自己生小孩是什么征兆
猜你喜欢
如何炒土豆丝
向往的生活第四季在哪里拍的
江淮s3怎么样
如何治疗前列腺炎
打开方式怎么设置
如何确定怀孕时间
手机怎么截屏图片
生活需要作文
ppt动画效果怎么做
苹果手机如何激活