融合经验网
首页
美食营养
生活百科
知识问答
生活知识
返回
融合经验网
首页
美食营养
游戏数码
手工爱好
生活知识
生活百科
健康养生
运动户外
职场理财
情感交际
母婴教育
时尚美容
知识问答
更多知识
搜索
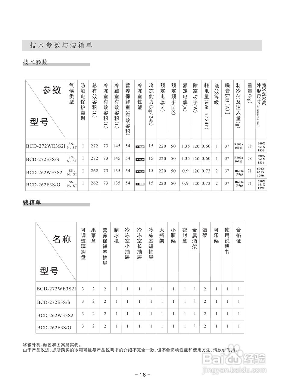
惠而浦BCD-262WE3S2I冰箱使用说明书:[3]
2026-02-17 12:24:43
(共篇)
上一篇:
相关推荐
惠而浦BCD-262WE3S2I冰箱使用说明书:[2]
阅读量:126
惠而浦BCD-262WE3S2I冰箱使用说明书:[1]
阅读量:93
惠而浦BCD-262E3SG冰箱使用说明书:[2]
阅读量:86
惠而浦BCD-262E3SG冰箱使用说明书:[1]
阅读量:23
惠而浦BCD-262E3S/G冰箱使用说明书:[2]
阅读量:168
猜你喜欢
排骨焖饭的做法
蚝油生菜的做法
猪肉萝卜饺子馅做法
酱排骨的家常做法
韭菜饺子馅做法大全
女朋友生气了怎么哄
旖旎怎么读
怎么注册微信
山药炒木耳的做法
爱好特长怎么写
猜你喜欢
早餐食谱简单快速做法
地皮菜的做法
脐带绕颈一周怎么办
挂面的做法
芒果tv怎么关闭自动续费
马蹄糕的做法
冬阴功汤的做法
苹果怎么设置铃声
开塞露怎么用
12英语怎么读