融合经验网
首页
美食营养
生活百科
知识问答
生活知识
返回
融合经验网
首页
美食营养
游戏数码
手工爱好
生活知识
生活百科
健康养生
运动户外
职场理财
情感交际
母婴教育
时尚美容
知识问答
更多知识
搜索
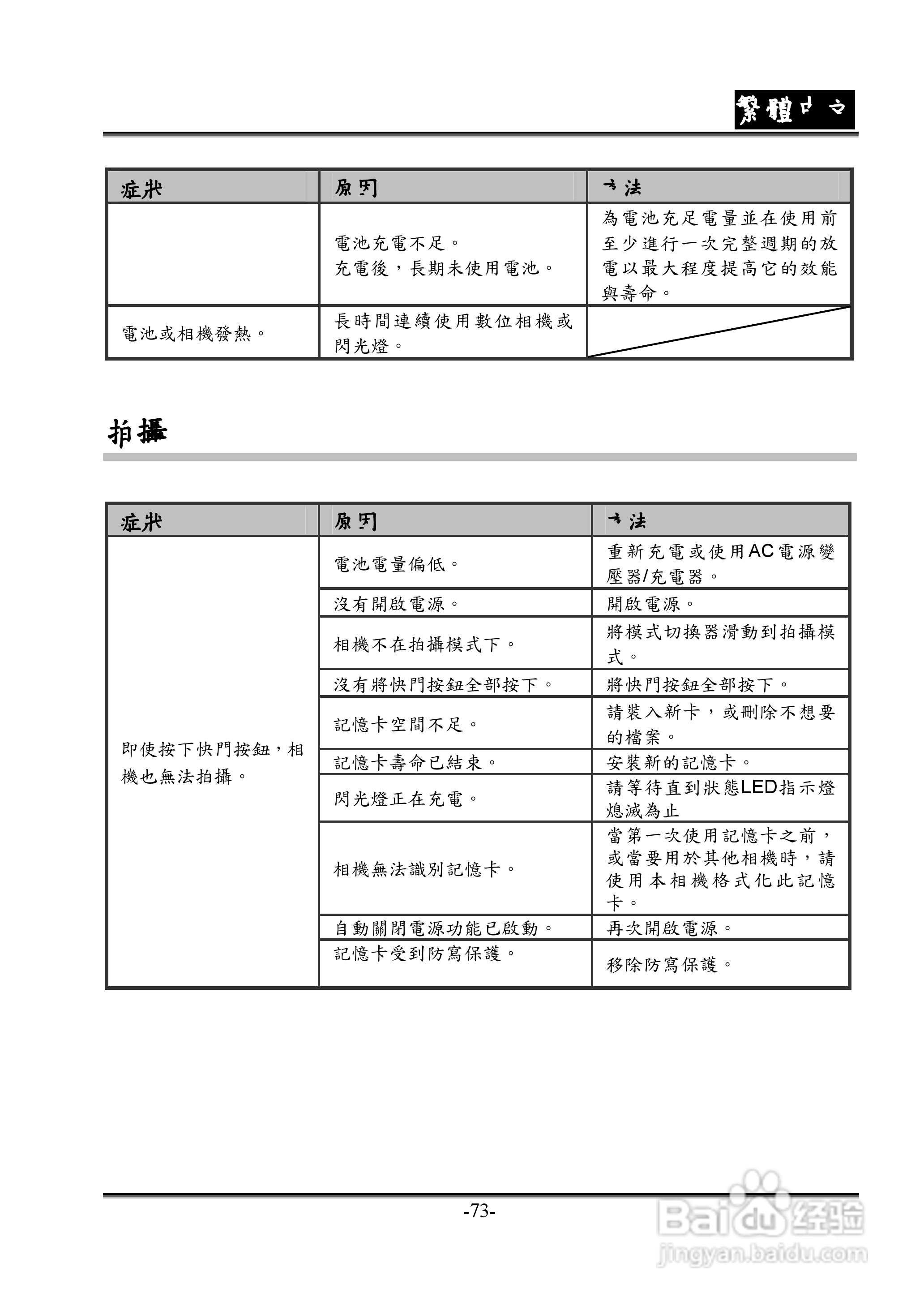
昆盈G-Shot P635型数码相机使用说明书:[8]
2026-04-25 07:00:16
本篇为《昆盈G-Shot P635型数码相机使用说明书》,主要介绍该产品的使用方法以及常见故障解决方案。
(共篇)
上一篇:
相关推荐
昆盈G-Shot P635型数码相机使用说明书:[3]
阅读量:96
昆盈G-Shot P635型数码相机使用说明书:[5]
阅读量:195
昆盈G-Shot P536型数码相机使用说明书:[8]
阅读量:60
数码相机fe-350wide使用说明
阅读量:117
数码相机如何设置拍得清晰不会模糊
阅读量:184
猜你喜欢
股票期权是什么意思
两个呆念什么
精华液是什么
aa是什么意思
什么东西去火
空气悬挂是什么意思
白带发黄是什么原因
空调买什么牌子好
不知所措什么意思
hpv是什么疫苗多少钱
猜你喜欢
肝钙化是什么意思
美学是什么
爱情到底是什么
什么是社会主义的生命
修辞手法是什么意思
安静的近义词是什么
终于的近义词是什么
600分能上什么大学
泡腾片是什么
党的纲领是什么