融合经验网
首页
美食营养
游戏数码
知识问答
生活知识
返回
融合经验网
首页
美食营养
游戏数码
手工爱好
生活知识
健康养生
运动户外
职场理财
情感交际
母婴教育
时尚美容
知识问答
搜索
SD20B交流伺服电机使用手册:[3]
2026-02-16 07:26:54
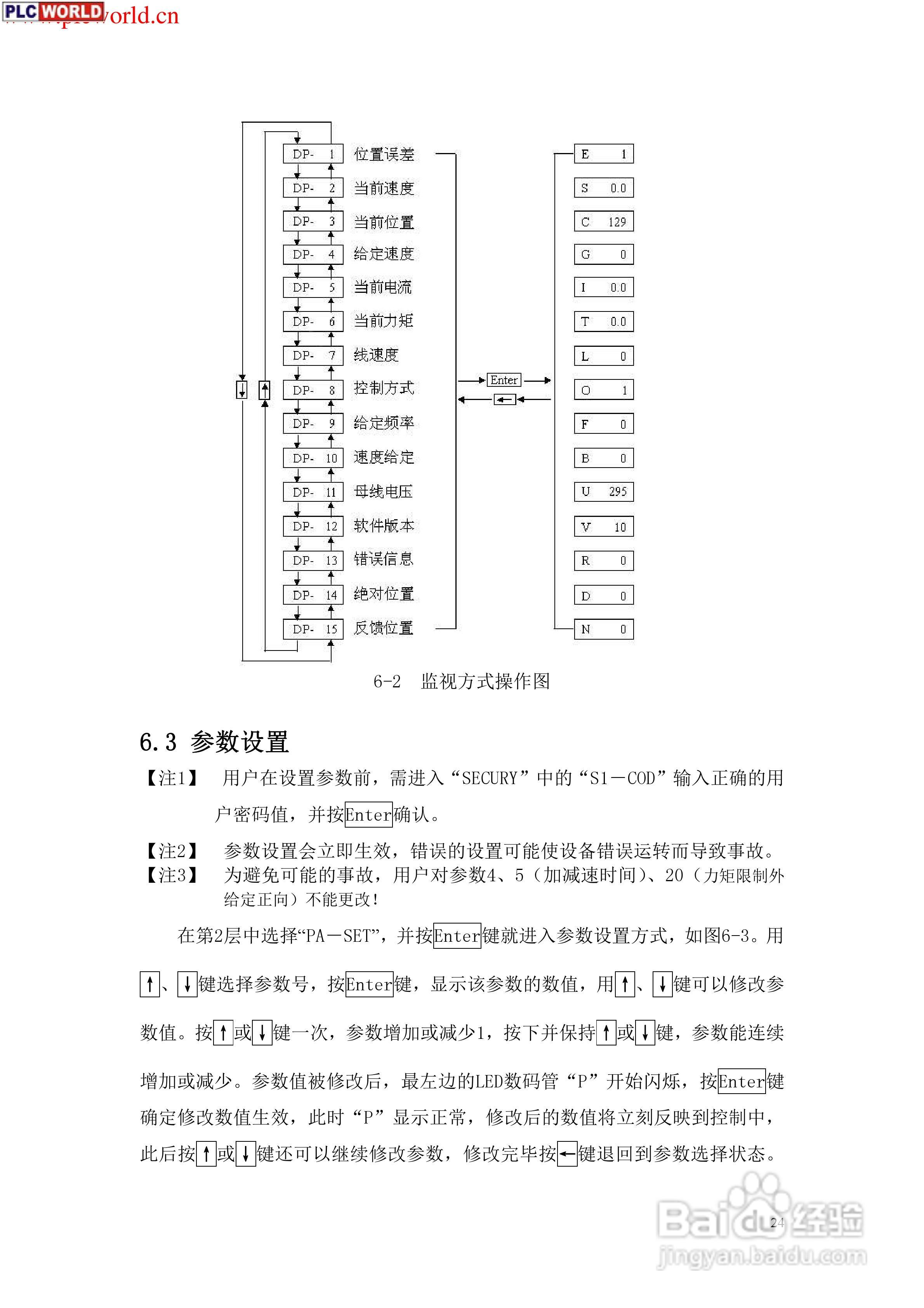
本篇为《SD20B交流伺服电机使用手册》,主要介绍该产品的使用方法以及常见故障解决方案。
(共篇)
上一篇:
相关推荐
osx yos版本下安装win8
阅读量:100
怎么开启MSMQ HTTP支持功能?
阅读量:70
桌面我的文档图标不见了怎么显示
阅读量:142
怎么用夸克查看天气?
阅读量:146
如何设置电脑桌面睡眠时间?
阅读量:58
猜你喜欢
汽车年检需要什么
滔滔不绝什么意思
朝朝暮暮什么意思
赤芍的功效与作用
禁令标志的作用是什么
什么叫自闭症
豆蔻的功效与作用
谷氨酰胺的作用
高丽参的作用
接地线的作用
猜你喜欢
初一生物上册知识点
江歌案刘鑫做了什么
产后42天复查都检查什么
dps什么意思
shabby什么意思
大葱的功效与作用
什么是白平衡
禁毒知识
什么叫会车
什么是国学经典