融合经验网
首页
美食营养
生活百科
知识问答
生活知识
返回
融合经验网
首页
美食营养
游戏数码
手工爱好
生活知识
生活百科
健康养生
运动户外
职场理财
情感交际
母婴教育
时尚美容
知识问答
更多知识
搜索
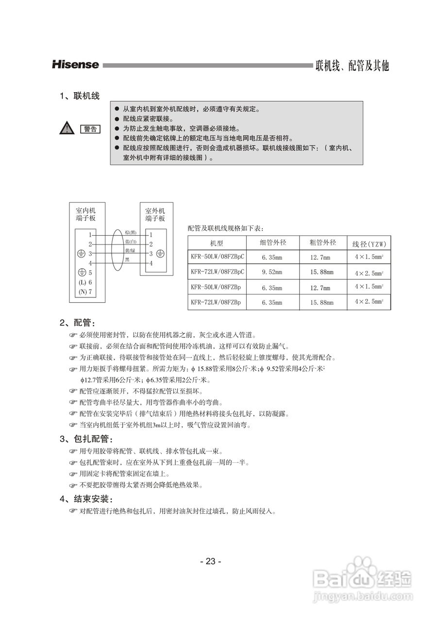
海信空调器KFR-50LW/08FZBp型使用说明书:[3]
2026-02-15 01:06:38
(共篇)
上一篇:
相关推荐
花胶羊肚菌炖海鸭汤做法
阅读量:168
陌陌极速版如何关闭动态更新通知?
阅读量:194
家用磁悬浮自动感应门常见的开门方式
阅读量:129
养胃砂锅小米粥
阅读量:123
魔兽rpg战神的崛起1.0.2攻略战魔之刃怎么合成
阅读量:196
猜你喜欢
现充是什么意思
fire是什么意思
手瘾过度会导致什么
随喜是什么意思
至高无上的意思
信用卡需要什么条件
宁为玉碎不为瓦全的意思
忍俊不禁是什么意思
大惊小怪的意思
纳凉的意思
猜你喜欢
下马威的意思
exclusive什么意思
什么是准备金率
自嘲的意思
np是什么意思
婧是什么意思
fcr是什么意思
什么是基金分红
风雪交加的意思
窝心是什么意思