融合经验网
首页
美食营养
生活百科
知识问答
生活知识
返回
融合经验网
首页
美食营养
游戏数码
手工爱好
生活知识
生活百科
健康养生
运动户外
职场理财
情感交际
母婴教育
时尚美容
知识问答
更多知识
搜索
技嘉GA-945P-DS3 (rev.2.0)型主板说明书:[1]
2026-02-14 01:11:07
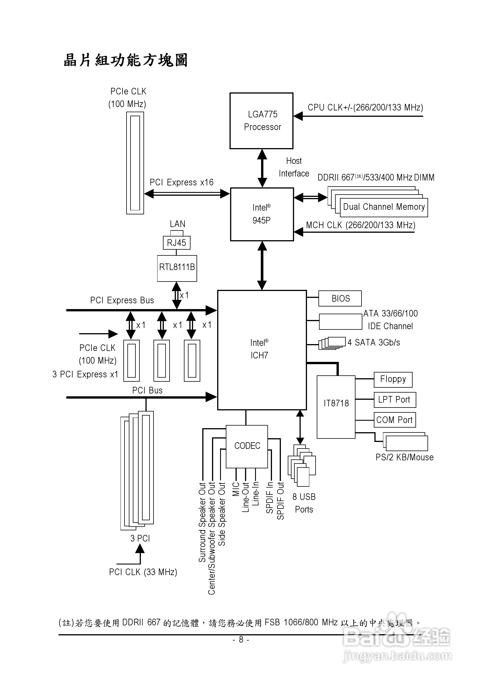
本篇为《技嘉GA-945P-DS3 (rev.2.0)型主板说明书》,主要介绍该产品的使用方法以及常见故障解决方案。
(共篇)
下一篇:
相关推荐
技嘉GA-945PL-DS3 (rev. 2.0)型主板说明书:[1]
阅读量:149
技嘉GA-945P-DS3 (rev.2.0)型主板说明书:[8]
阅读量:114
技嘉主板如何设置内存频率
阅读量:166
技嘉主板bios升级教程
阅读量:132
技嘉主板bios设置固态硬盘启动
阅读量:128
猜你喜欢
egm是什么意思
暗示的近义词是什么
美缝剂什么牌子好
有什么好听的歌
送给不值一提的过去是什么歌
保理是什么意思
红红的太阳像什么
kwh是什么单位
百无禁忌什么意思
职高和技校有什么区别
猜你喜欢
经常落枕是什么原因
开盘是什么意思
索性的近义词是什么
see you什么意思
宫外孕是什么原因造成的
银行贷款需要什么条件
draw是什么意思
朴素的反义词是什么
1973年属什么
雅思是什么意思