融合经验网
首页
美食营养
生活百科
知识问答
生活知识
返回
融合经验网
首页
美食营养
游戏数码
手工爱好
生活知识
生活百科
健康养生
运动户外
职场理财
情感交际
母婴教育
时尚美容
知识问答
更多知识
搜索
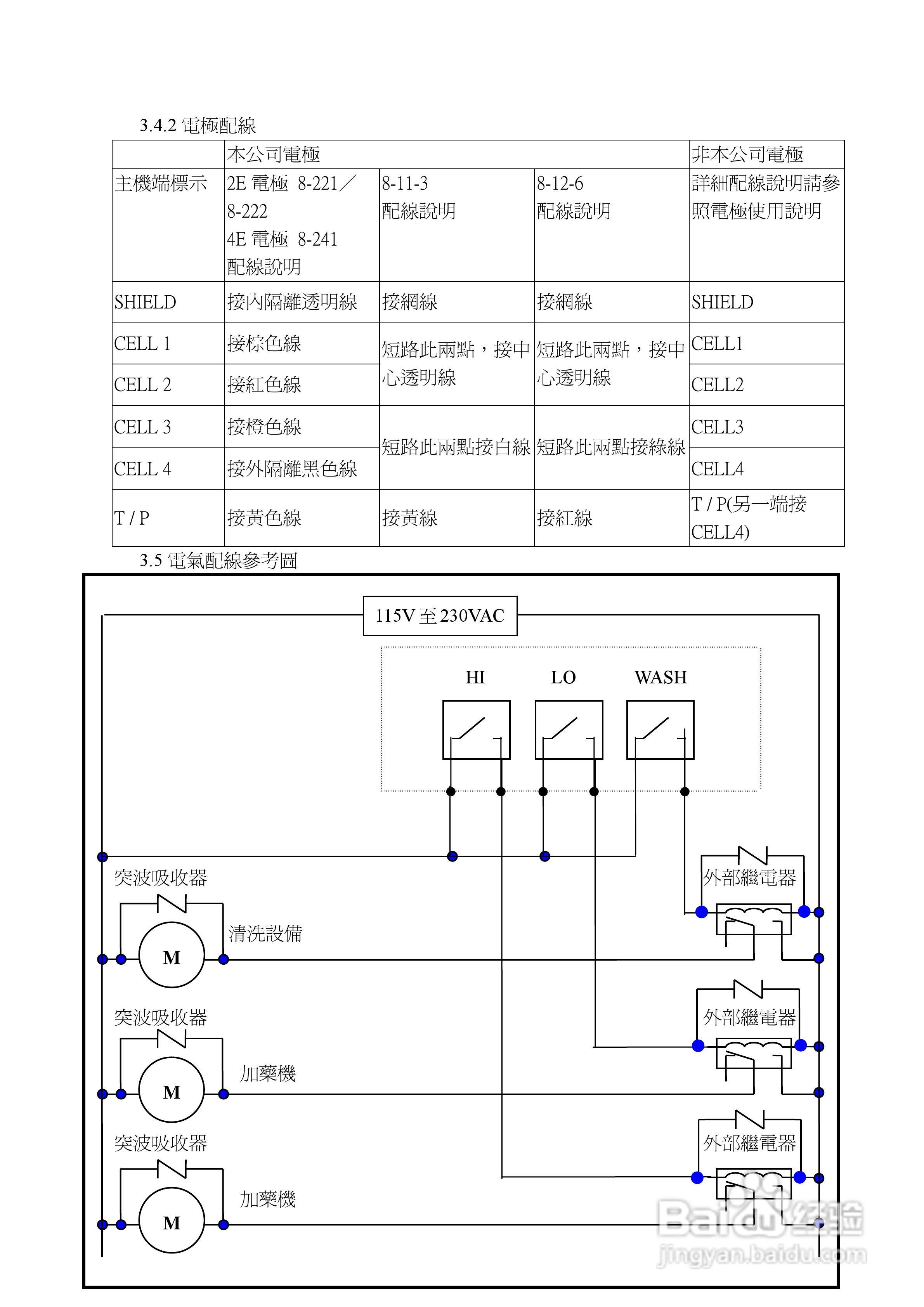
上泰EC4300微电脑电导率电阻率控制器操作手册:[1]
2026-04-22 09:36:47
本篇为《上泰EC4300微电脑电导率电阻率控制器操作手册》,主要介绍该产品的使用方法以及常见故障解决方案。
(共篇)
下一篇:
相关推荐
写成/和/*的区别
阅读量:132
少年三国志:零怎么获得武魂令
阅读量:121
东方女性之美,旗袍的魅力!
阅读量:88
万一开车撞到人了怎么办?老交警教不赔钱方法。
阅读量:57
自制酸菜做酸菜鱼的做法
阅读量:53
猜你喜欢
什么人每天靠运气赚钱
crossover什么意思
淘宝降权是什么意思
洁白无瑕的意思
certainly是什么意思
fat是什么意思
fall是什么意思
蹂躏是什么意思
cvc是什么意思
412是什么意思
猜你喜欢
西瓜皮的作用
各种动物尾巴的作用
依稀是什么意思
繁花似锦的意思
什么叫广告
土斤念什么
什么杀毒软件好
不自量力的意思
sama是什么意思
客厅地砖用什么砖好