融合经验网
首页
美食营养
游戏数码
知识问答
生活知识
返回
融合经验网
首页
美食营养
游戏数码
手工爱好
生活知识
健康养生
运动户外
职场理财
情感交际
母婴教育
时尚美容
知识问答
搜索
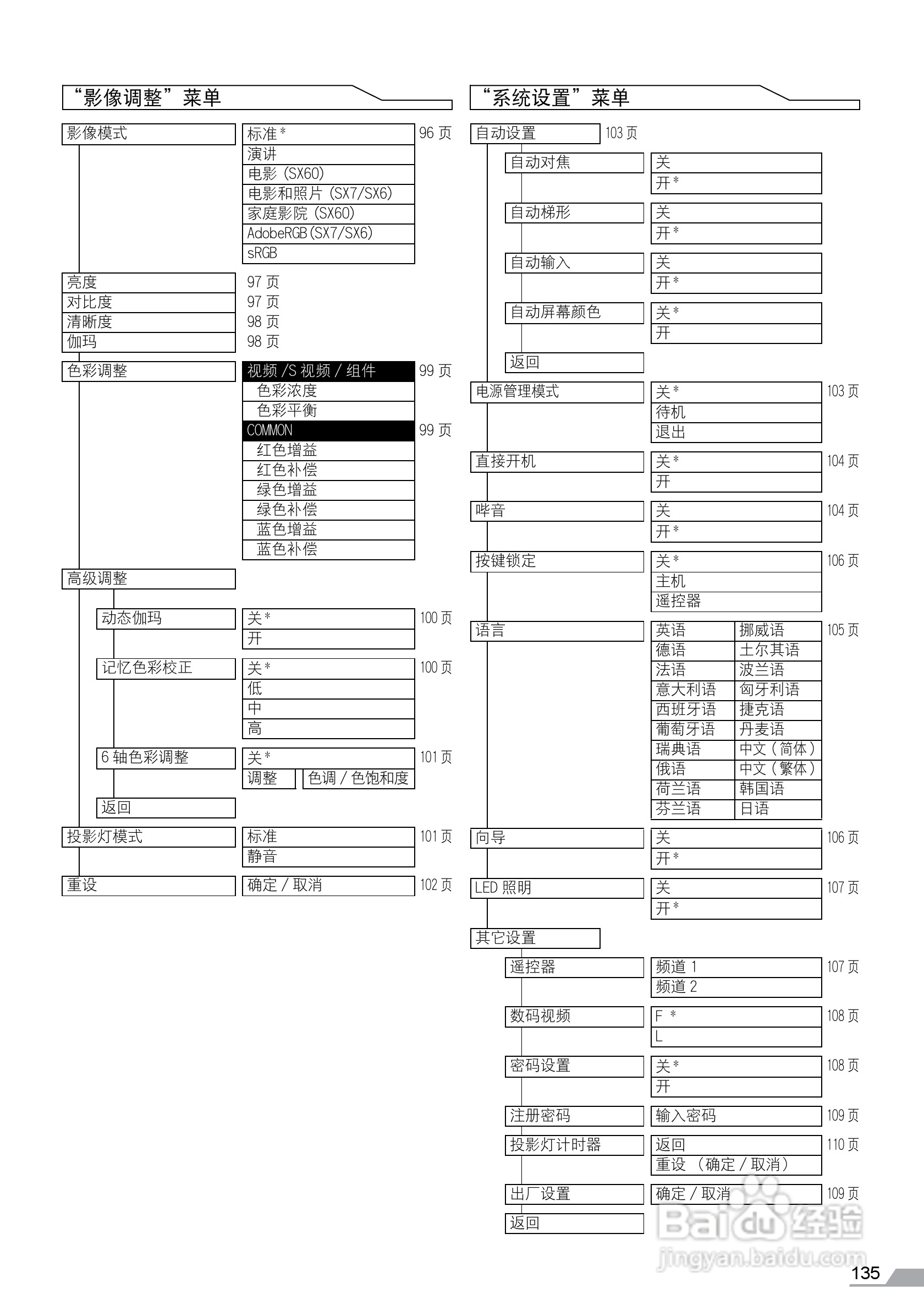
佳能SX60投影仪使用说明书:[14]
2026-02-15 18:05:54
本篇为《佳能SX60投影仪使用说明书》,主要介绍该产品的使用方法以及常见故障解决方案。
(共篇)
上一篇:
相关推荐
佳能SX60投影仪使用说明书:[13]
阅读量:61
佳能SX60投影仪使用说明书:[8]
阅读量:152
投影仪清灰教程
阅读量:102
投影仪怎么连接手机
阅读量:26
投影仪怎么连接电脑
阅读量:98
猜你喜欢
委托书的格式怎么写
怎么美白牙齿
被骗钱了怎么办
oppo手机忘记密码怎么办怎么解锁
脸上螨虫怎么去除
手机没电了怎么办
ps怎么保存图片
全景照片怎么拍
芝麻糊怎么做
ie浏览器兼容模式怎么设置在哪里
猜你喜欢
四川麻将怎么打
壑怎么读音
qq邮箱密码怎么改
牛板筋怎么煮烂
头痒怎么办
djvu文件怎么打开
酒精肝怎么治疗
word怎么删除表格
李小龙是怎么死的
太阳果怎么吃