融合经验网
首页
美食营养
生活百科
知识问答
生活知识
返回
融合经验网
首页
美食营养
游戏数码
手工爱好
生活知识
生活百科
健康养生
运动户外
职场理财
情感交际
母婴教育
时尚美容
知识问答
更多知识
搜索
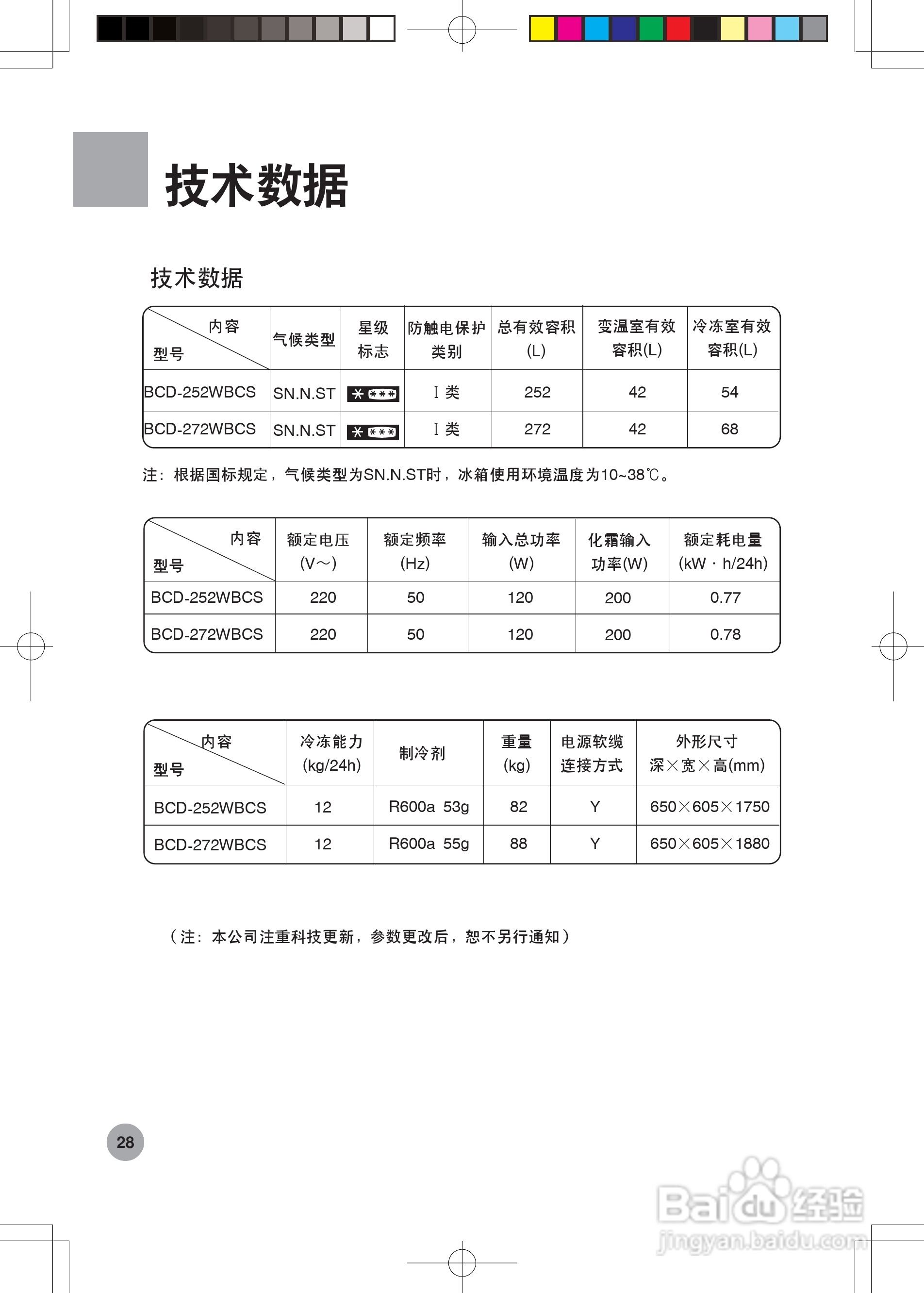
海尔冰箱BCD-252WBCS型说明书:[3]
2026-04-24 03:18:12
(共篇)
上一篇:
|
下一篇:
相关推荐
苹果13pro怎样开启面容解锁
阅读量:102
iPhone13手机如何开启开/关标签
阅读量:77
黑椒牛肉意大利面的做法
阅读量:122
怎样在京东设置黑暗模式
阅读量:104
如何做出好吃的孜然豆腐烧羊肝
阅读量:86
猜你喜欢
culture怎么读
微信转账怎么退回
电脑屏幕倒过来了怎么办
十三香龙虾的做法
得了痔疮怎么办
炒年糕的做法大全
医保怎么报销
闾怎么读
蒸豆腐的做法大全
手机太卡怎么办
猜你喜欢
心肌炎怎么治疗
潍坊怎么读
葱油拌面怎么做
可乐鸡翅怎么做
钵怎么读
微信分身怎么弄
三好学生主要事迹怎么写
内分泌失调怎么调理脸上长痘痘
一侧太阳疼是怎么回事
苹果怎么录屏