融合经验网
首页
美食营养
游戏数码
手工爱好
生活家居
返回
融合经验网
首页
美食营养
游戏数码
手工爱好
生活家居
健康养生
运动户外
职场理财
情感交际
母婴教育
时尚美容
搜索
GP3130R/R3陀螺仪说明书:[2]
2024-11-29 02:53:48
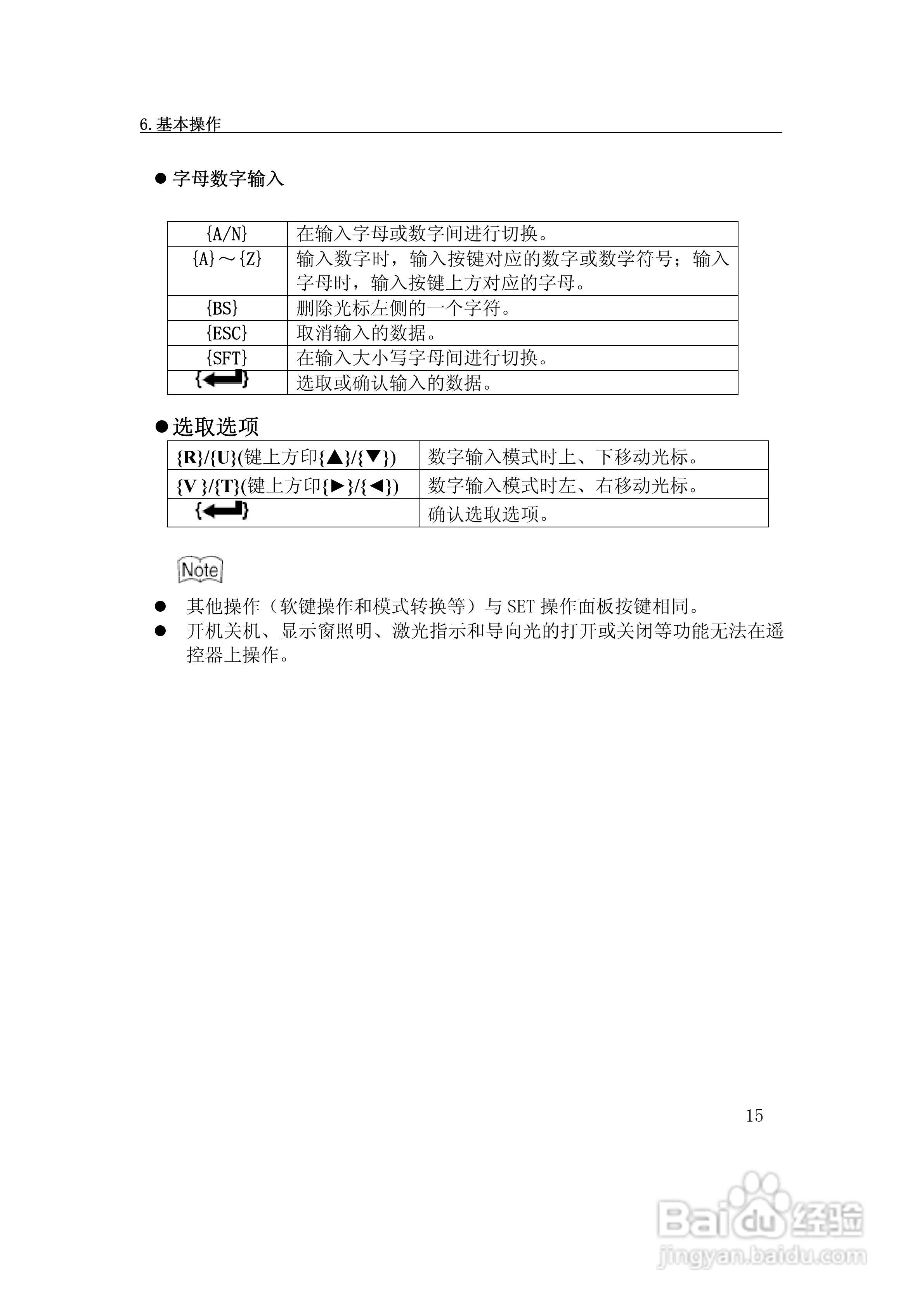
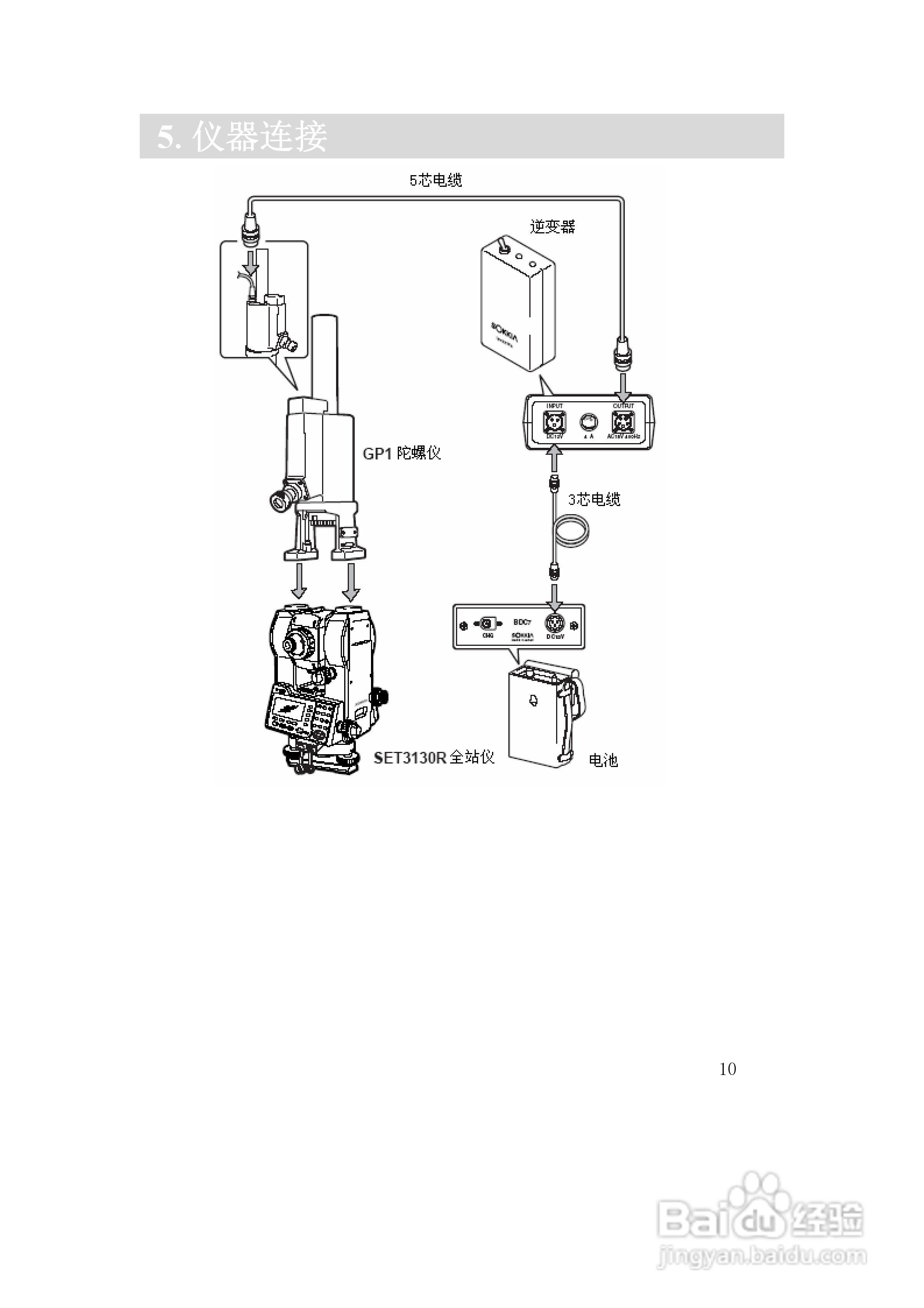
本篇为《GP3130R/R3陀螺仪说明书》,主要介绍该产品的使用方法以及常见故障解决方案。
相关推荐
GP3130R/R3陀螺仪说明书:[3]
GP3130R/R3陀螺仪说明书:[5]
终结者2陀螺仪怎么开
终结者2:审判日如何设置陀螺仪
陀螺仪如何作用在设备中视屏
猜你喜欢
贾敏的红楼生活
再活一世之悠闲的生活
音节是什么
如何治疗强迫症
鼠标自动点击怎么办
如何安慰失恋的人
怎么在电脑上看光盘
重生悠闲修仙生活
如何快速的减肥
消防证怎么考取需要什么条件
猜你喜欢
怎么把视频下载到电脑
天天特价怎么报名
玩逆战卡怎么办
腿上有红血丝怎么办
如何祛斑美白
淘金币抵钱怎么用
如何克服心理障碍
如何打开电脑摄像头
dual是什么意思车上的
夏天感冒怎么办