融合经验网
首页
美食营养
游戏数码
知识问答
生活知识
返回
融合经验网
首页
美食营养
游戏数码
手工爱好
生活知识
健康养生
运动户外
职场理财
情感交际
母婴教育
时尚美容
知识问答
搜索
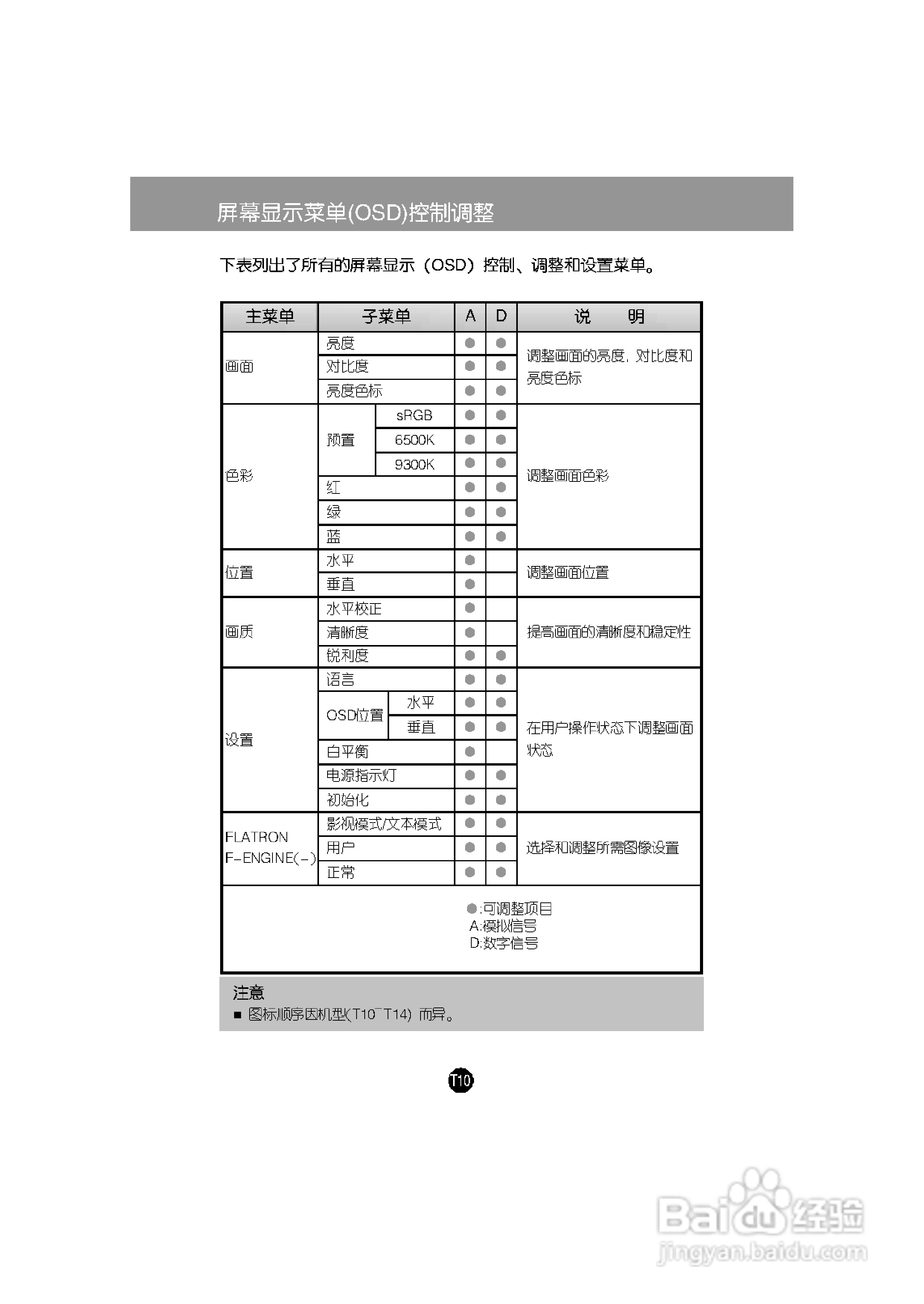
LG L206WTG液晶显示器使用说明书:[2]
2026-02-16 02:55:13
(共篇)
上一篇:
|
下一篇:
相关推荐
LG L206WTQ液晶显示器使用说明书:[3]
阅读量:41
液晶显示器如何消磁
阅读量:164
LG L226WTG液晶显示器使用说明书:[1]
阅读量:46
LG L226WTG液晶显示器使用说明书:[2]
阅读量:27
LG W206WTG液晶显示器使用说明书:[1]
阅读量:79
猜你喜欢
盖亚怎么打
o型腿怎么矫正图解
骑自行车旅游
怎么查看自己的ip
悦禾旅游
手机影音先锋怎么看片
连接无线路由器的步骤
公积金如何提取
wps页面设置在哪里
电驴怎么用
猜你喜欢
如何开发大脑
如何起名
桃花岛在哪里
复仇之矛大招怎么用
三国杀将魂怎么获得
绍兴旅游地图
路由器怎么连接电视
四川旅游局
枸杞子泡水喝的功效
如何煮鸡蛋