融合经验网
首页
美食营养
生活百科
知识问答
生活知识
返回
融合经验网
首页
美食营养
游戏数码
手工爱好
生活知识
生活百科
健康养生
运动户外
职场理财
情感交际
母婴教育
时尚美容
知识问答
更多知识
搜索
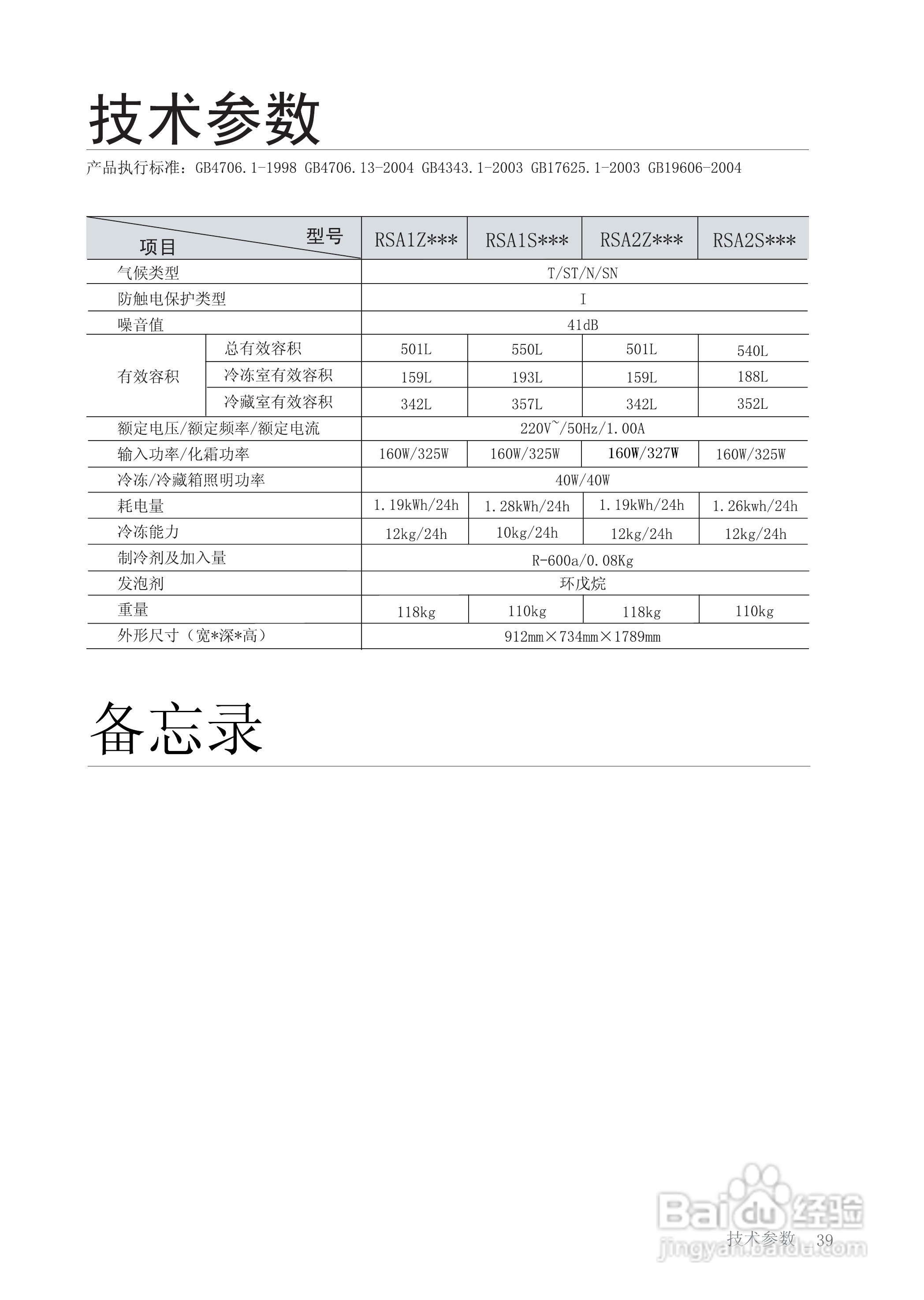
三星RSA2ZQVS1/XSC电冰箱使用说明书:[4]
2026-02-17 14:53:15
(共篇)
上一篇:
相关推荐
股票竞价规则有什么
阅读量:130
二十八蒸枣花的做法
阅读量:89
关于115诸多改革措施的浅谈,115网盘使用见解
阅读量:159
v8实拍视频怎么保存下载
阅读量:36
架豆炖土豆的做法
阅读量:98
猜你喜欢
宜的意思
什么是补码
涌泉穴道位置和作用
常务是什么意思
两个毫不动摇是指什么
淡然是什么意思
人走茶凉什么意思
薰衣草精油的功效与作用
备案是什么意思
什么是信托公司
猜你喜欢
甲醛的作用
含沙射影是什么意思
眉开眼笑的意思
嗜好的意思
姜糖膏的功效与作用
隔音棉什么牌子好
壮阳果的功效与作用
纵横交错的意思
886是什么意思
普天同庆是什么意思