融合经验网
首页
美食营养
生活百科
知识问答
生活知识
返回
融合经验网
首页
美食营养
游戏数码
手工爱好
生活知识
生活百科
健康养生
运动户外
职场理财
情感交际
母婴教育
时尚美容
知识问答
更多知识
搜索
昌晖SWP-LCD-NLR智能化防盗型流量/热能积算仪说明书:[2]
2026-02-12 12:56:24
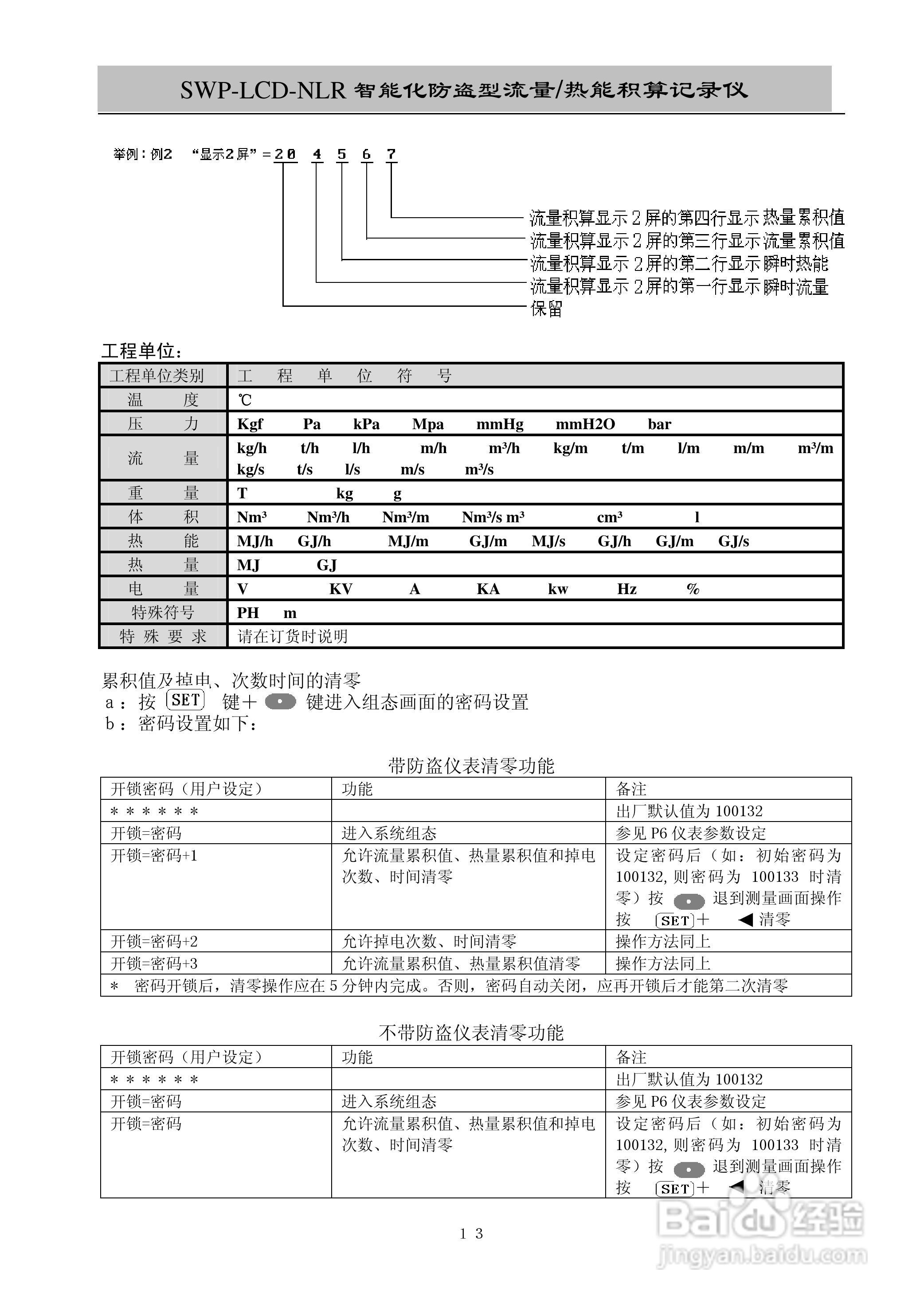
本篇为《昌晖SWP-LCD-NLR智能化防盗型流量/热能积算仪说明书》,主要介绍该产品的使用方法以及常见故障解决方案。
(共篇)
上一篇:
|
下一篇:
相关推荐
昌晖SWP-LCD-NLR智能化防盗型流量/热能积算仪说明书:[1]
阅读量:110
昌晖SWP-LCD-NLR智能化防盗型流量/热能积算仪说明书:[6]
阅读量:101
昌晖LCD-QR 智能化防盗型热量积算仪说明书:[2]
阅读量:67
昌晖LCD-QR 智能化防盗型热量积算仪说明书:[1]
阅读量:133
昌晖SWP-LCD-LTR智能防盗天然气流量积算控制仪说明书:[3]
阅读量:95
猜你喜欢
木瓜煲什么汤最好
大排档是什么
白色情人节是什么意思
什么是谚语
vip是什么意思
白带什么时候来
梦见掉牙齿是什么意思
形而上学是什么意思
什么是命题
一建什么时候报名
猜你喜欢
留什么给你简谱
莫衷一是是什么意思
玻璃是什么意思
什么的什组词
红细胞偏高有什么危害
破天荒是什么意思
4月15日是什么星座
社会人是什么意思
一开双控什么意思
vivo手机最新款是什么型号