融合经验网
首页
美食营养
生活百科
知识问答
生活知识
返回
融合经验网
首页
美食营养
游戏数码
手工爱好
生活知识
生活百科
健康养生
运动户外
职场理财
情感交际
母婴教育
时尚美容
知识问答
更多知识
搜索
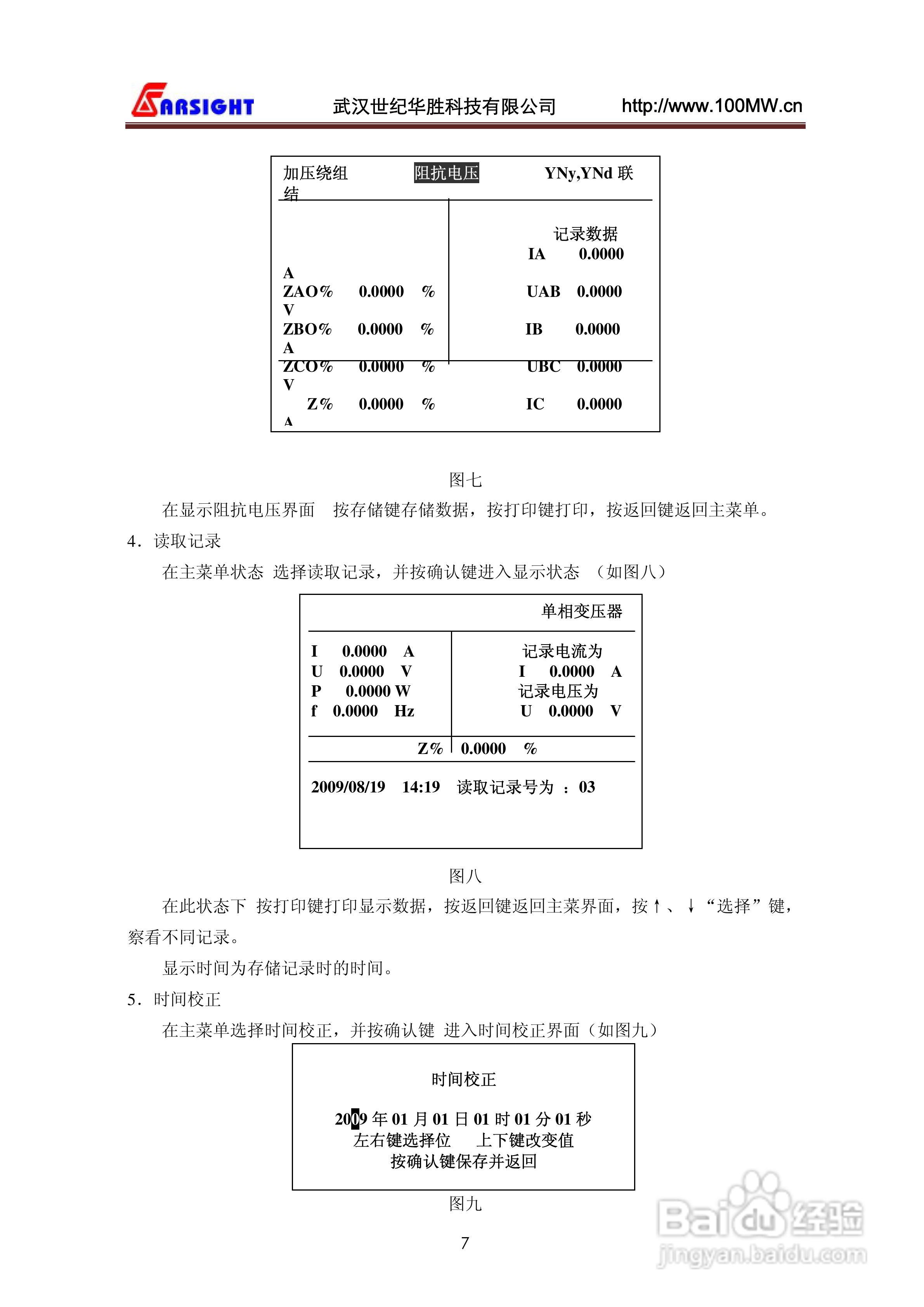
华胜FS9100变压器短路阻抗测试仪说明书
2026-02-15 19:30:07
相关推荐
如何在excel中输入全形下横线呢
阅读量:63
如何通过Cia,国际注册内部审计师考试
阅读量:195
怎么操作冻结窗格
阅读量:39
Excel表格中如何快速输入数字大写
阅读量:58
如何把多页电子表格打印成相同的标题行
阅读量:178
猜你喜欢
除甲醛方法
朱亚文电视剧大全最新
头像大全
治疗疥疮最快的方法
绝缘电阻测试方法
怎么做鱼好吃
爱心怎么打
家常菜演员表
取环怎么取
家常炖鱼
猜你喜欢
二年级口算题大全800题
史克肠虫清服用方法
马克思主义方法论
家常菜普
锅巴的做法家常做法
儿童歌曲大全100首连续播放
茄子煲的家常做法
黑色大衣怎么搭配
鸡蛋炒什么菜好吃
节食减肥的最好方法