融合经验网
首页
美食营养
生活百科
知识问答
生活知识
返回
融合经验网
首页
美食营养
游戏数码
手工爱好
生活知识
生活百科
健康养生
运动户外
职场理财
情感交际
母婴教育
时尚美容
知识问答
更多知识
搜索
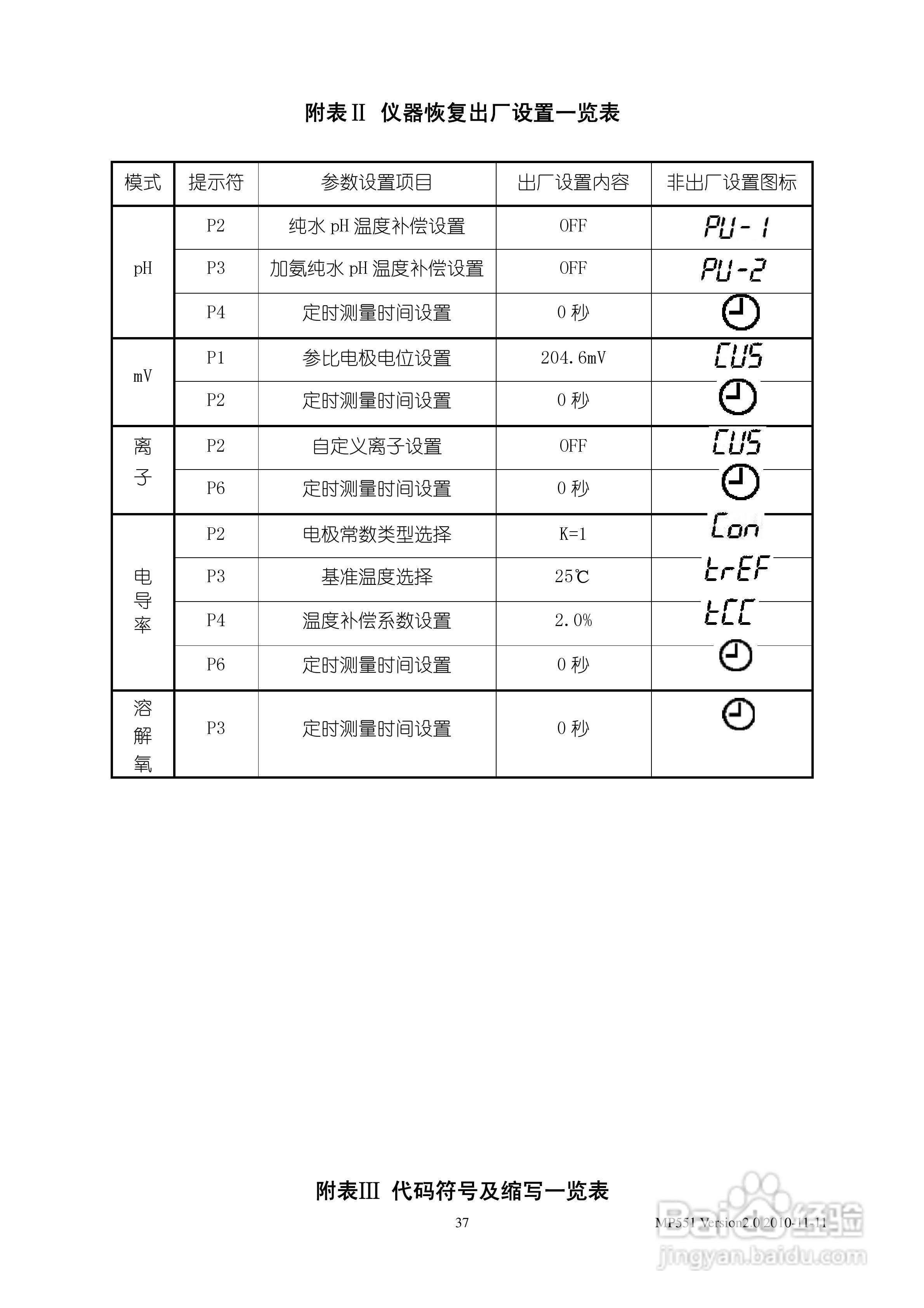
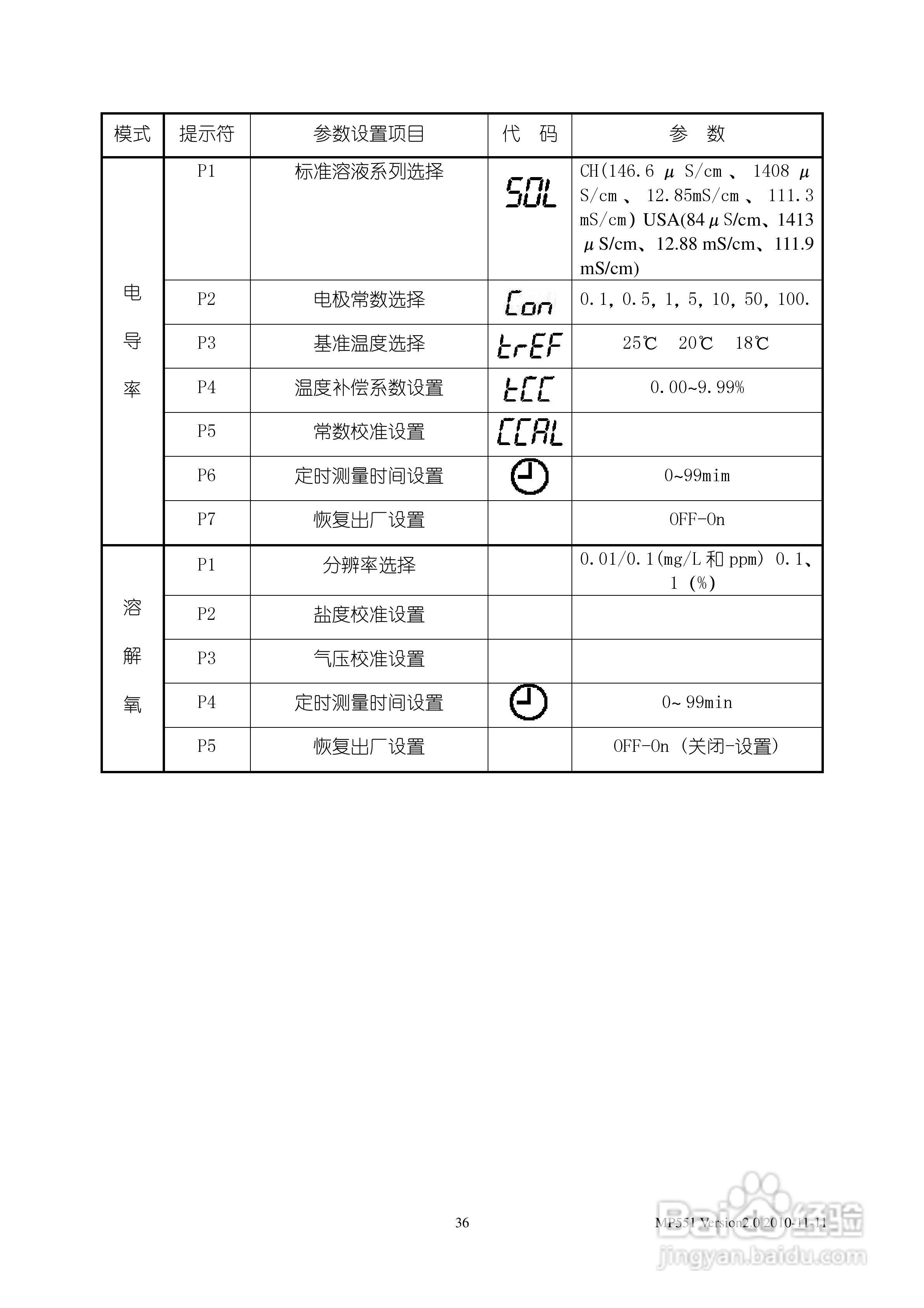
SANXIN MP551型pH/mV/离子浓度/电导率/溶解氧测量仪使:[4]
2026-02-15 15:44:07
本篇为《SANXIN MP551型pH/mV/离子浓度/电导率/溶解氧测量仪使》,主要介绍该产品的使用方法以及常见故障解决方案。
(共篇)
上一篇:
|
下一篇:
相关推荐
SANXIN SX736型pH/mV/电导率/溶解氧测量仪使用说明书:[4]
阅读量:34
SANXIN SX736型pH/mV/电导率/溶解氧测量仪使用说明书:[3]
阅读量:182
SANXIN SX736型pH/mV/电导率/溶解氧测量仪使用说明书:[1]
阅读量:87
SANXIN SX736型pH/mV/电导率/溶解氧测量仪使用说明书:[2]
阅读量:109
SANXIN MP525型pH/溶解氧测量仪使用说明书:[1]
阅读量:40
猜你喜欢
脸上有红血丝是怎么回事
营业执照注册怎么办理
ppt怎么换背景
教师节英语怎么说
婴儿黄疸怎么治疗
怎么了日语
我的世界火箭怎么做
鸡蛋羹怎么做好吃
日产骐达怎么样
心烦的时候怎么办
猜你喜欢
卡巴斯基怎么样
西红柿炒蛋怎么做好吃
垂直运输费怎么计算
垂体泌乳素高怎么办
台风怎么形成
零钱明细怎么删除
宝马x3怎么样
欣奕除疤效果怎么样
总产值怎么算
陈宫怎么死的