融合经验网
首页
美食营养
游戏数码
知识问答
生活知识
返回
融合经验网
首页
美食营养
游戏数码
手工爱好
生活知识
健康养生
运动户外
职场理财
情感交际
母婴教育
时尚美容
知识问答
搜索
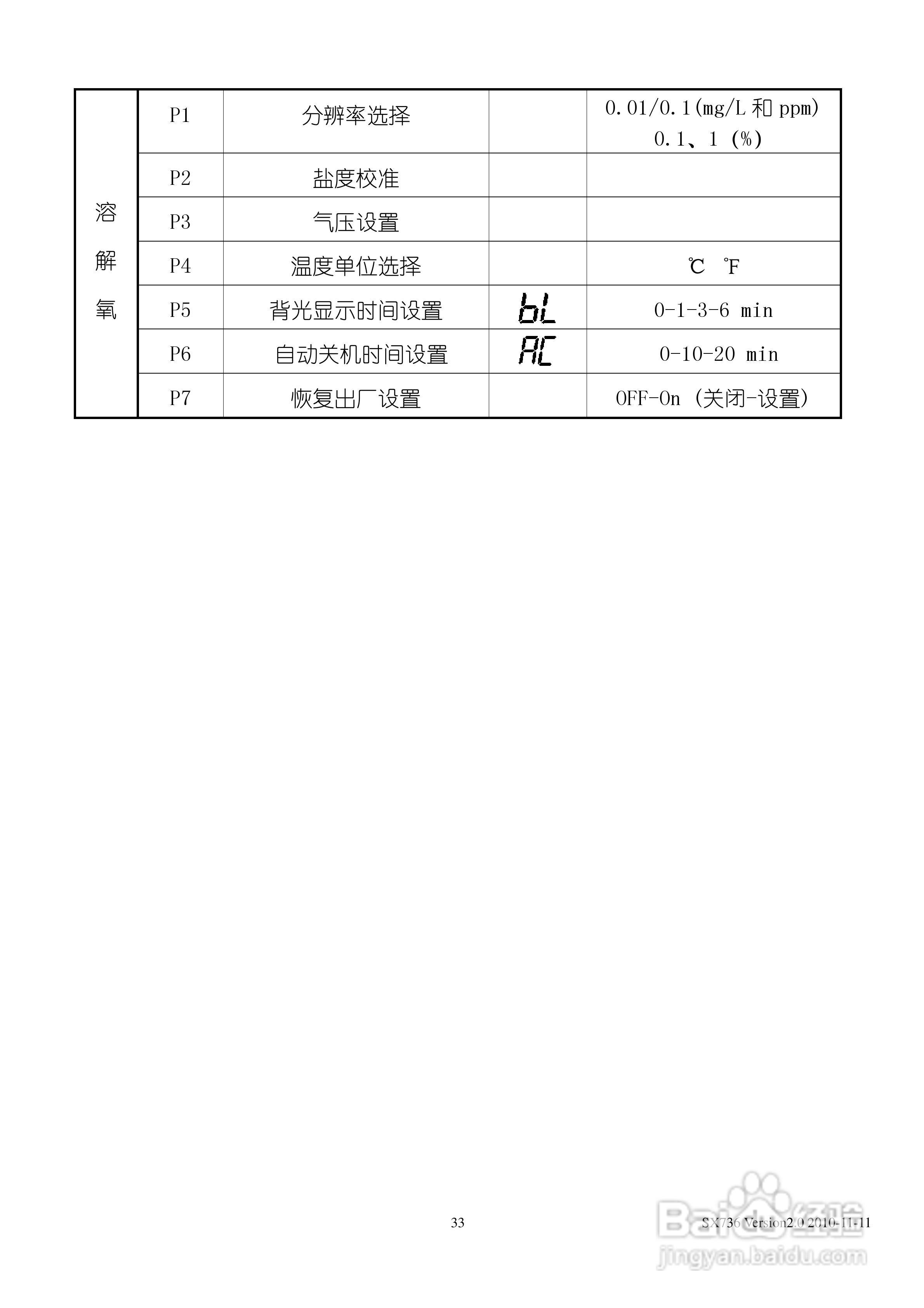
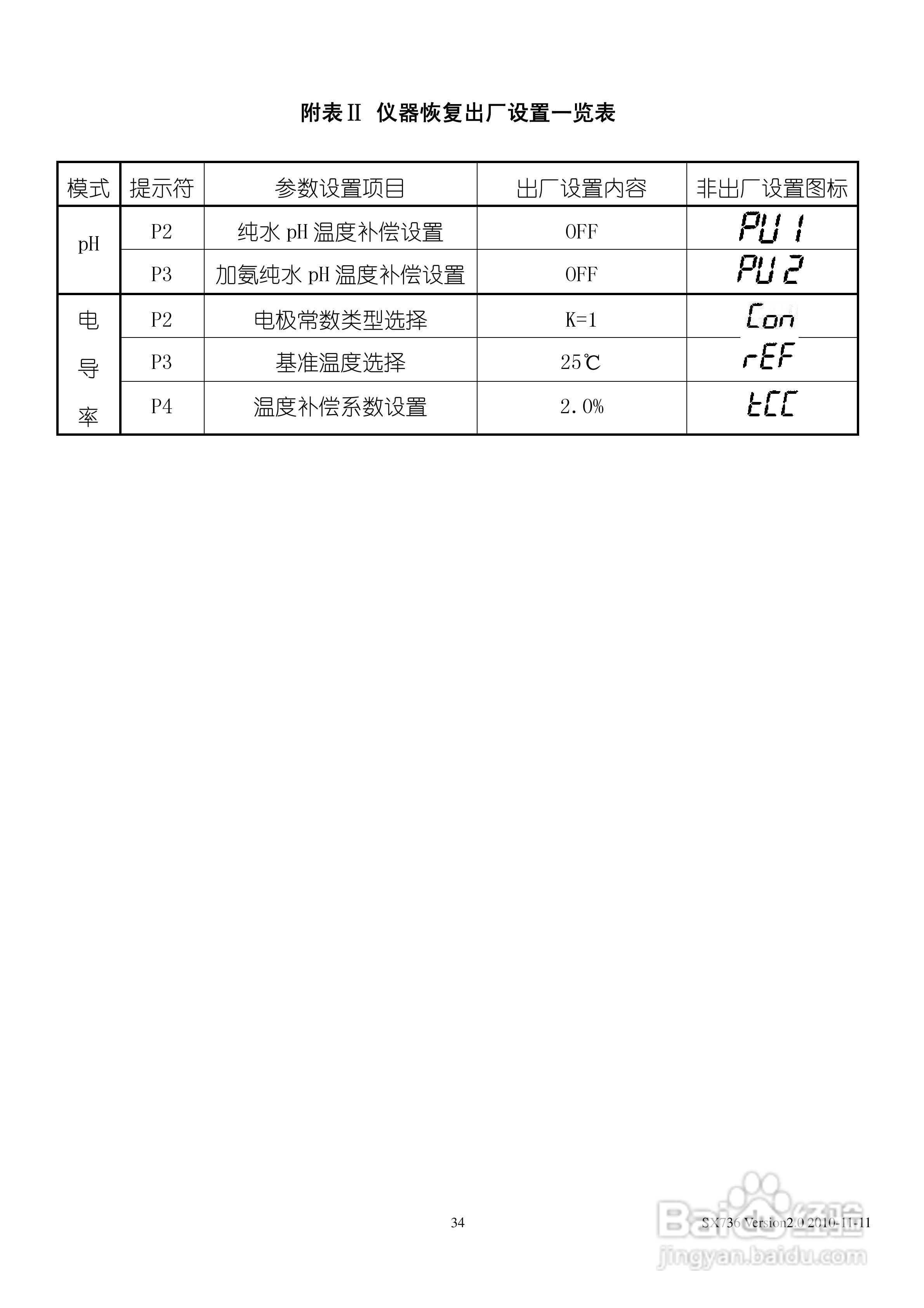
SANXIN SX736型pH/mV/电导率/溶解氧测量仪使用说明书:[4]
2026-02-16 02:27:33
本篇为《SANXIN SX736型pH/mV/电导率/溶解氧测量仪使用说明书》,主要介绍该产品的使用方法以及常见故障解决方案。
(共篇)
上一篇:
相关推荐
SANXIN SX736型pH/mV/电导率/溶解氧测量仪使用说明书:[3]
阅读量:24
SANXIN SX736型pH/mV/电导率/溶解氧测量仪使用说明书:[2]
阅读量:47
SANXIN MP551型pH/mV/离子浓度/电导率/溶解氧测量仪使:[4]
阅读量:58
SANXIN MP551型pH/mV/离子浓度/电导率/溶解氧测量仪使:[5]
阅读量:44
溶解氧传感器的工作原理
阅读量:67
猜你喜欢
阿sir是什么意思
小腿酸痛是什么原因
梦到狗是什么意思
抄手是什么
元日是什么节日
4月8日是什么星座
欲擒故纵是什么意思
空鼻症是什么症状
10万左右买什么车好
feel什么意思
猜你喜欢
女生第一次是什么感觉
江州是现在的什么地方
kk是什么意思
老师像什么
9月10日是什么节
杨梅什么时候成熟
双卡双待是什么意思
雅思是什么意思
brand是什么意思
脱氧核糖是什么梗