融合经验网
首页
美食营养
游戏数码
知识问答
生活知识
返回
融合经验网
首页
美食营养
游戏数码
手工爱好
生活知识
健康养生
运动户外
职场理财
情感交际
母婴教育
时尚美容
知识问答
搜索
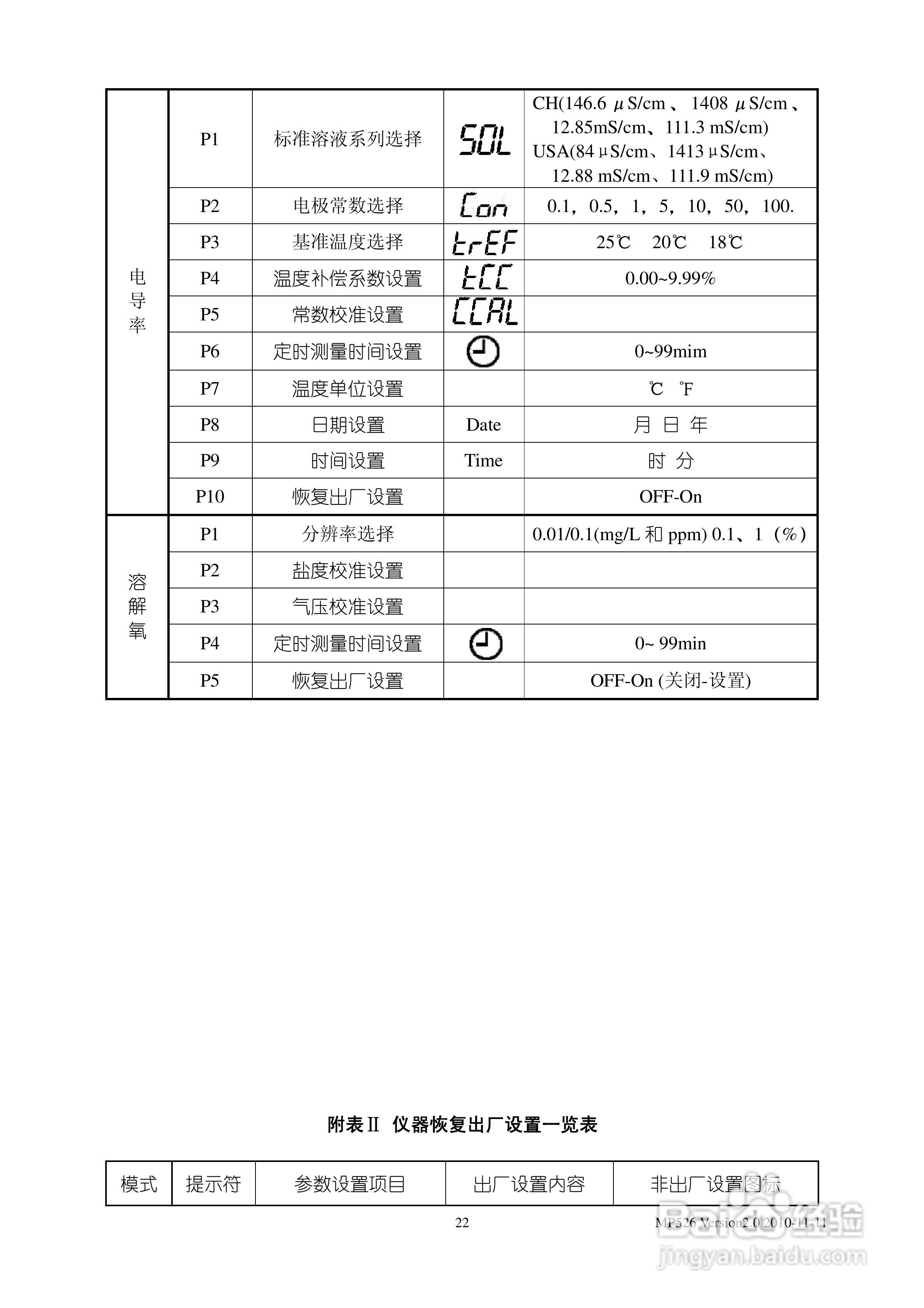
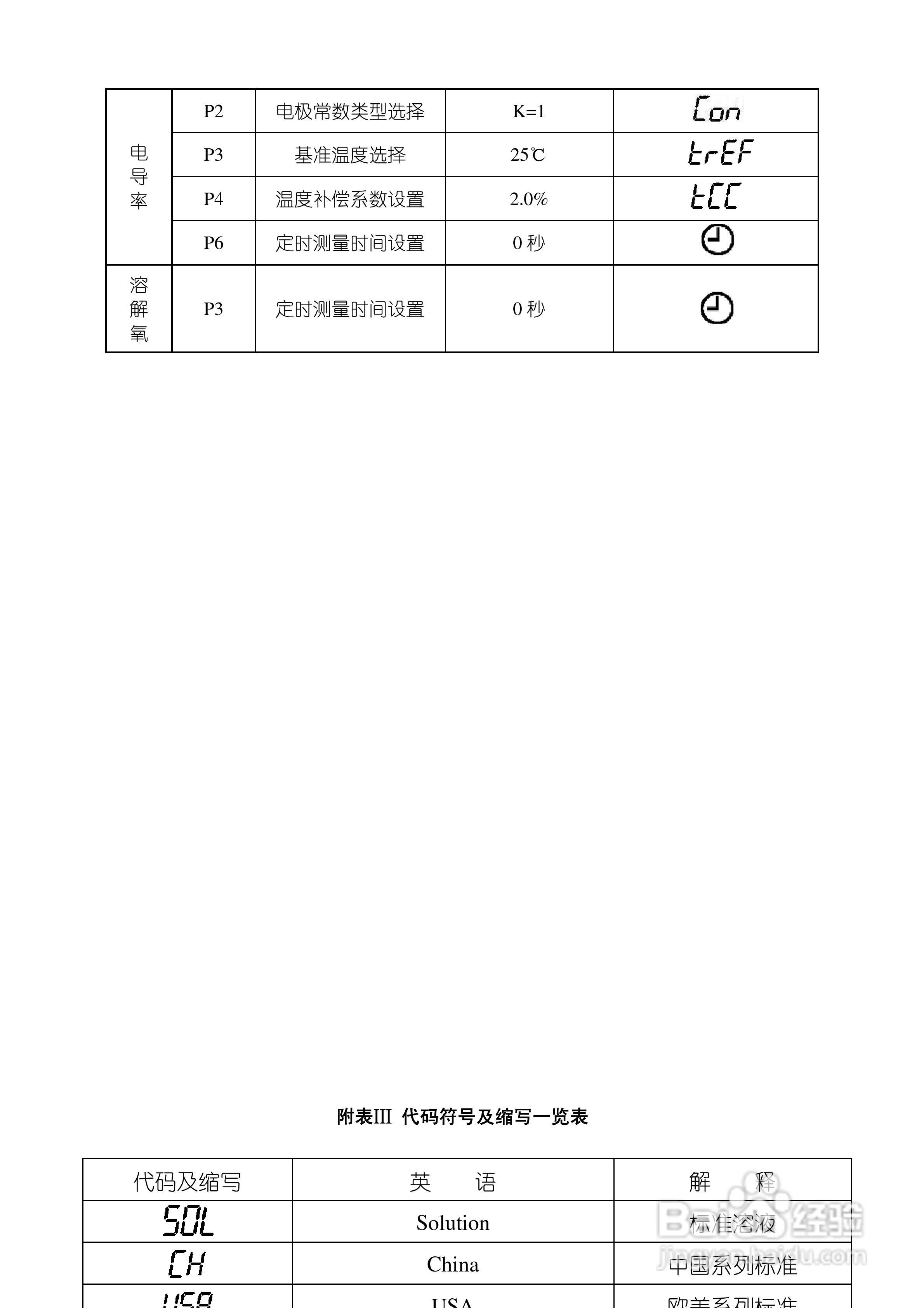
上海三信MP526 型电导率/溶解氧测量仪使用说明书:[3]
2026-02-15 15:43:30
本篇为《上海三信MP526 型电导率/溶解氧测量仪使用说明书》,主要介绍该产品的使用方法以及常见故障解决方案。
(共篇)
上一篇:
相关推荐
SANXIN SX736型pH/mV/电导率/溶解氧测量仪使用说明书:[3]
阅读量:48
SANXIN SX736型pH/mV/电导率/溶解氧测量仪使用说明书:[2]
阅读量:163
SANXIN SX736型pH/mV/电导率/溶解氧测量仪使用说明书:[4]
阅读量:55
SANXIN MP551型pH/mV/离子浓度/电导率/溶解氧测量仪使:[3]
阅读量:138
SANXIN SX736型pH/mV/电导率/溶解氧测量仪使用说明书:[1]
阅读量:60
猜你喜欢
half是什么意思
枫树的叶子像什么
cpu核数是什么意思
鼠标键盘什么牌子好
你别问这是为了什么
比比皆是是什么意思
考试祝福语简短4字句
世态炎凉的意思
有什么好玩的游戏单机
blood是什么意思
猜你喜欢
苹果5g手机什么时候上市
刘三姐属什么生肖
给老师的祝福语简短10
什么是松糕鞋
35岁用什么护肤品好
顺其自然的意思
盛气凌人是什么意思
血压高的人喝什么茶好
开网店卖什么最畅销
高傲的意思