融合经验网
首页
美食营养
游戏数码
知识问答
生活知识
返回
融合经验网
首页
美食营养
游戏数码
手工爱好
生活知识
健康养生
运动户外
职场理财
情感交际
母婴教育
时尚美容
知识问答
搜索
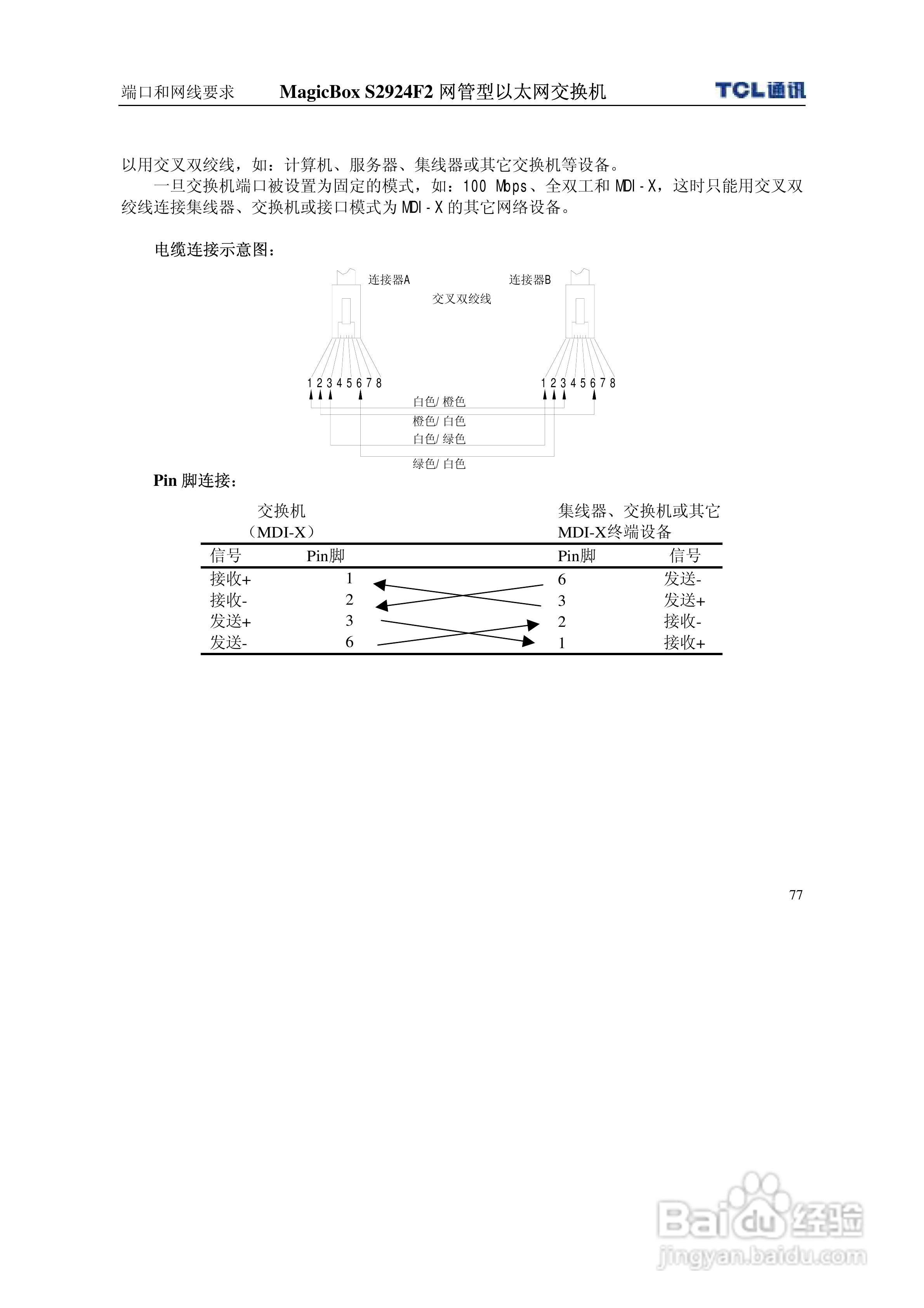
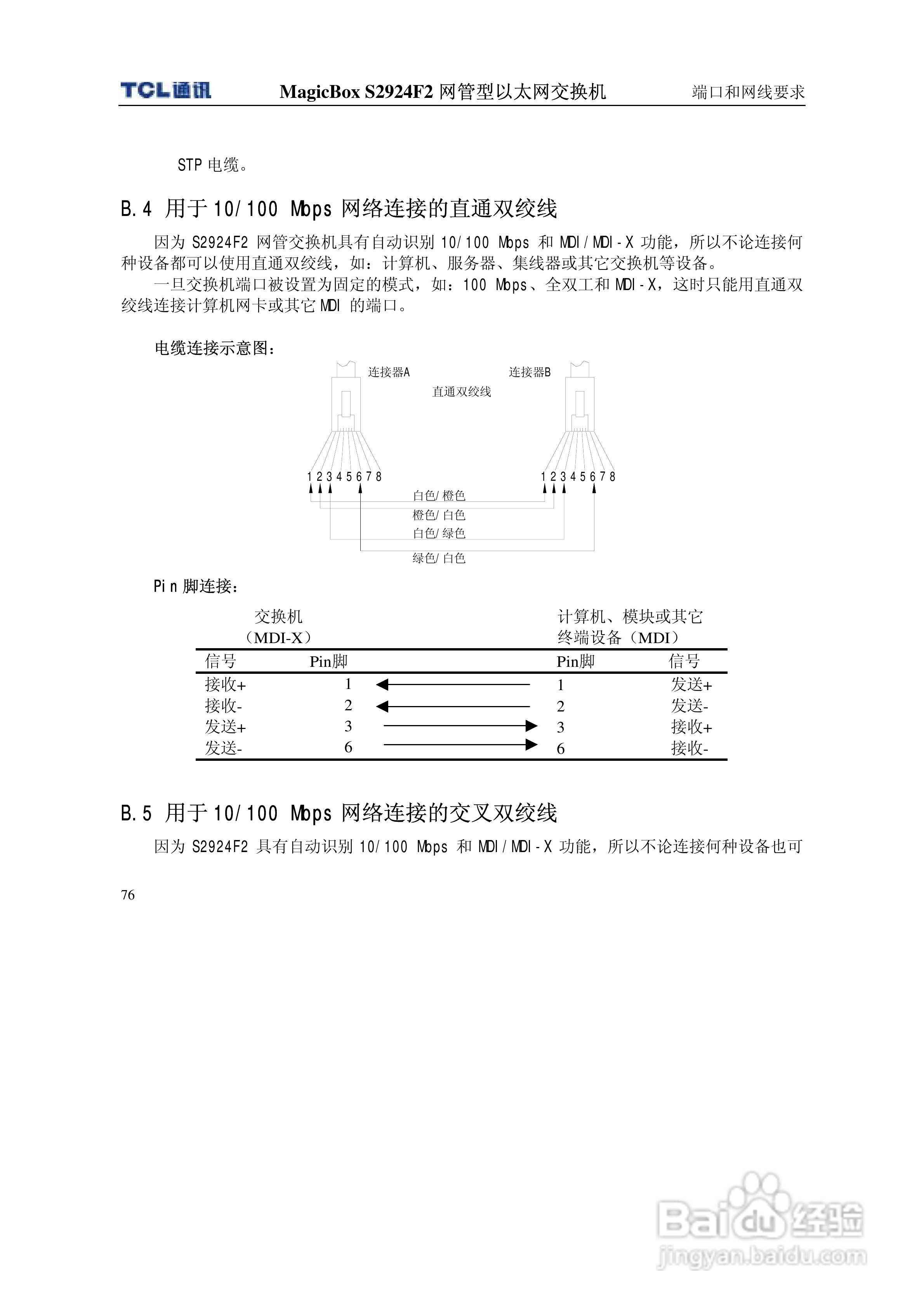
TCL王牌交换机S2924F2型说明书:[9]
2026-02-18 21:38:57
本篇为《TCL王牌交换机S2924F2型说明书》,主要介绍该产品的使用方法以及常见故障解决方案。
(共篇)
上一篇:
相关推荐
TCL王牌交换机S2924F2型说明书:[2]
阅读量:30
TCL王牌交换机S2924F2型说明书:[4]
阅读量:28
TCL王牌交换机S2924F1型说明书:[10]
阅读量:50
TCL王牌交换机S2916F1型说明书:[2]
阅读量:145
交换机怎么使用
阅读量:82
猜你喜欢
摩斯密码怎么敲
怎么容易怀孕
长痘怎么办
孩子高烧不退怎么办
轻度脂肪肝怎么办
体内湿气重怎么办
怎么写剧本
路由器dns怎么设置
naughty怎么读
博世冰箱怎么样
猜你喜欢
东坡肉怎么做
咽喉炎干咳怎么办
鸡爪子怎么做好吃
502胶水怎么洗掉
芒果汁弄衣服上怎么洗
qq群怎么转让群主
脚趾头疼是怎么回事
苹果6怎么越狱
有眼袋怎么办
手麻脚麻是怎么回事