融合经验网
首页
美食营养
生活百科
知识问答
生活知识
返回
融合经验网
首页
美食营养
游戏数码
手工爱好
生活知识
生活百科
健康养生
运动户外
职场理财
情感交际
母婴教育
时尚美容
知识问答
更多知识
搜索
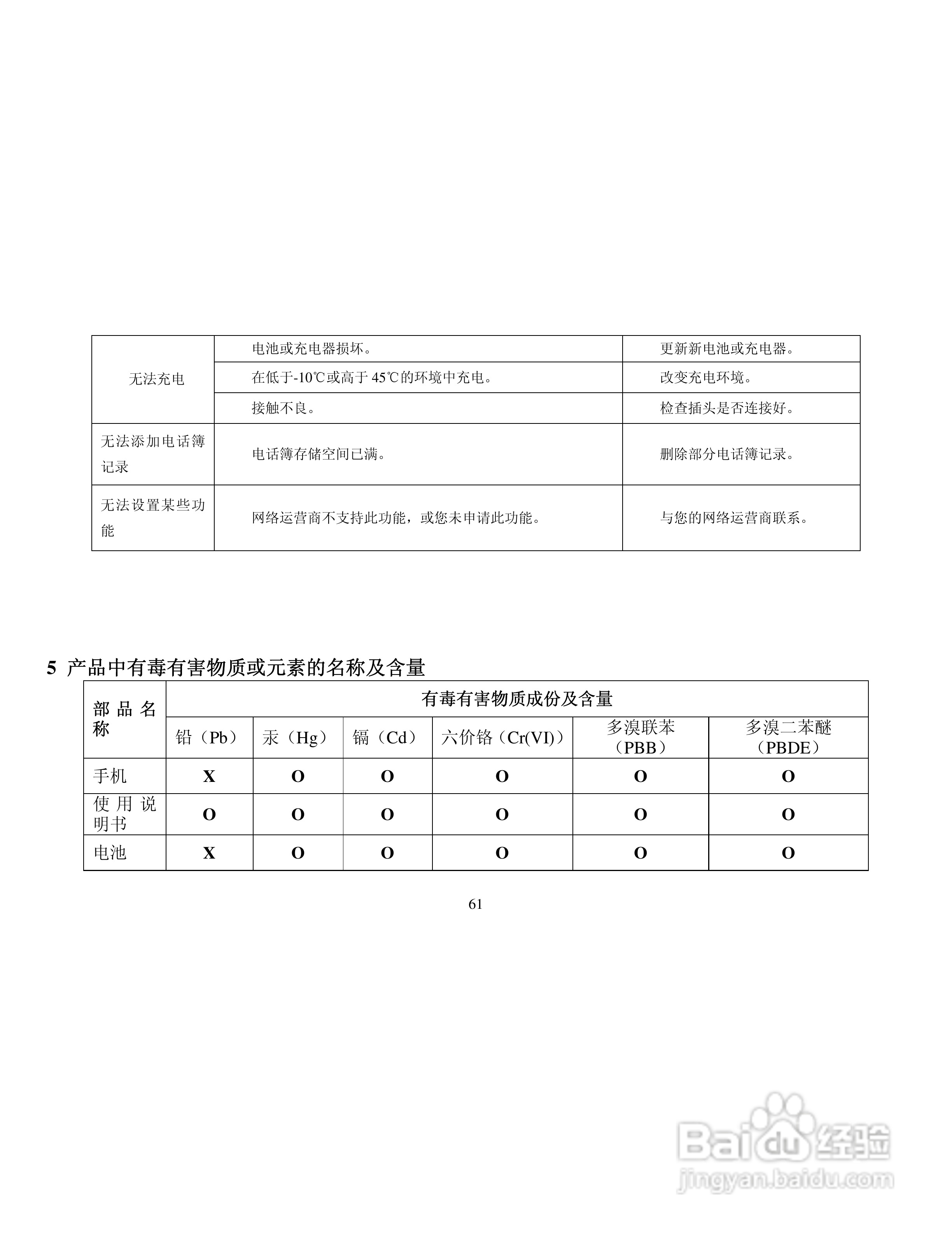
纽曼G1手机使用说明书:[7]
2026-02-15 19:24:08
(共篇)
上一篇:
相关推荐
小米11pro关闭系统广告的方法
阅读量:164
百度推出轻应用 即搜即用彩宝贝
阅读量:129
燃煤锅炉节能改造节能锅炉方案
阅读量:71
买卖回迁房屋怎么过户缴税费(二手房):[28]
阅读量:89
普雪:教你一种超级好用的电热水器使用方法
阅读量:59
猜你喜欢
发动机排量是什么意思
载歌载舞的载是什么意思
一诺千金的意思
泅水是什么意思
承兑是什么意思
风光旖旎的意思
rip是什么意思
生猴子是什么意思
null是什么意思
越发的意思
猜你喜欢
rma是什么意思
穷家富路什么意思
阳痿是什么意思
阳台吊顶用什么材料好
随心所欲的欲是什么意思
惊愕的意思
酷狗积分有什么用
holiday是什么意思
平台是什么意思
fridge是什么意思