融合经验网
首页
美食营养
生活百科
知识问答
生活知识
返回
融合经验网
首页
美食营养
游戏数码
手工爱好
生活知识
生活百科
健康养生
运动户外
职场理财
情感交际
母婴教育
时尚美容
知识问答
更多知识
搜索
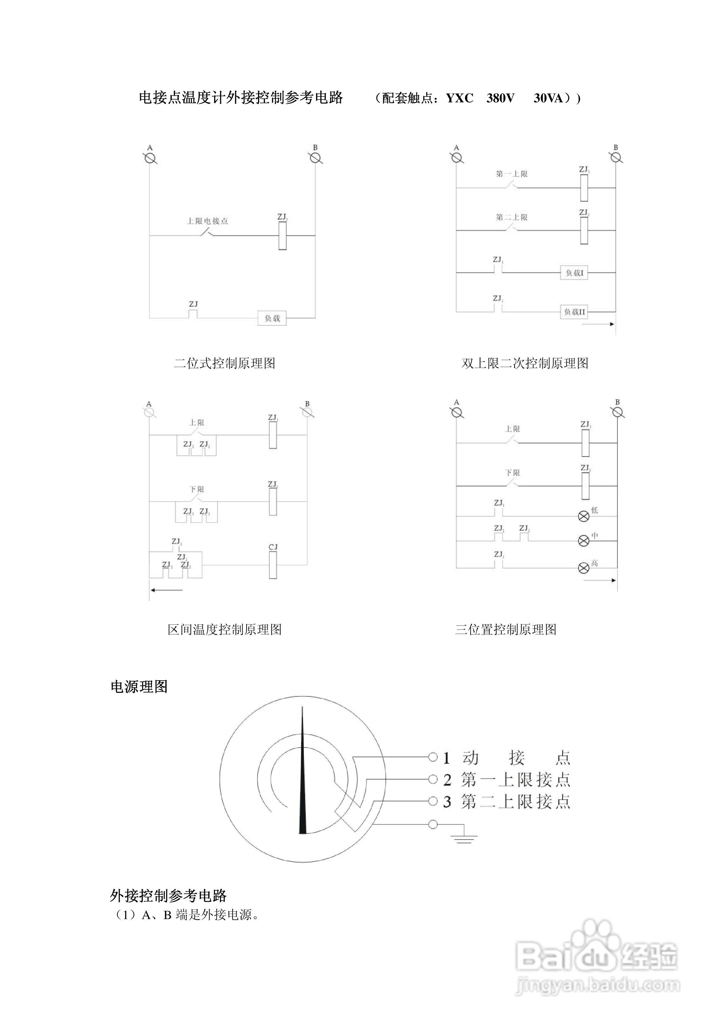
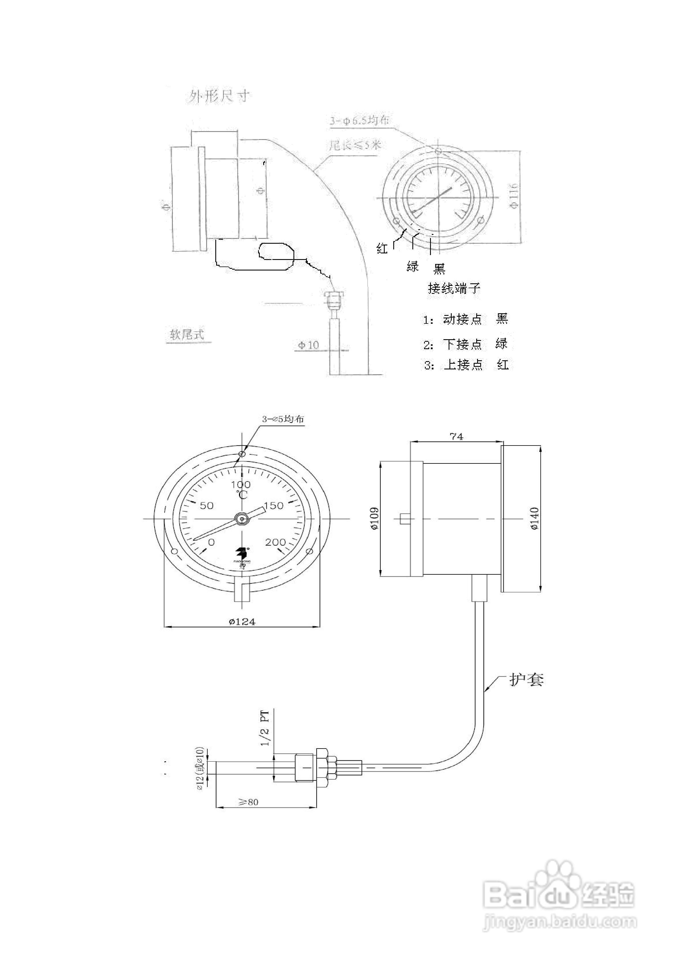
迪泰尔WTZ压力式温度计说明书
2026-04-26 01:56:02
相关推荐
迪泰尔压力式温度指示控制器说明书
阅读量:166
迪泰尔温控仪/巡检仪说明书
阅读量:172
迪泰尔WS系列双金属温度计说明书
阅读量:25
迪泰尔智能型流量积算仪说明书
阅读量:162
迪泰尔WXG系列电接点玻璃水银温度计说明书
阅读量:118
猜你喜欢
电子商务属于什么类
名不虚传的意思
阡陌是什么意思
宝宝什么时候开始补钙
bring是什么意思
完美收官是什么意思
祛痘印用什么
标间是什么意思
衣锦还乡什么意思
发颤的意思
猜你喜欢
电视什么牌子质量好
什么牌子化妆品好
文爱是什么意思
红枣功效与作用
三阴交穴位作用
纷至沓来的意思
孜孜不倦的意思
什么是卫衣
觅食的意思
会车是什么意思