融合经验网
首页
美食营养
生活百科
知识问答
生活知识
返回
融合经验网
首页
美食营养
游戏数码
手工爱好
生活知识
生活百科
健康养生
运动户外
职场理财
情感交际
母婴教育
时尚美容
知识问答
更多知识
搜索
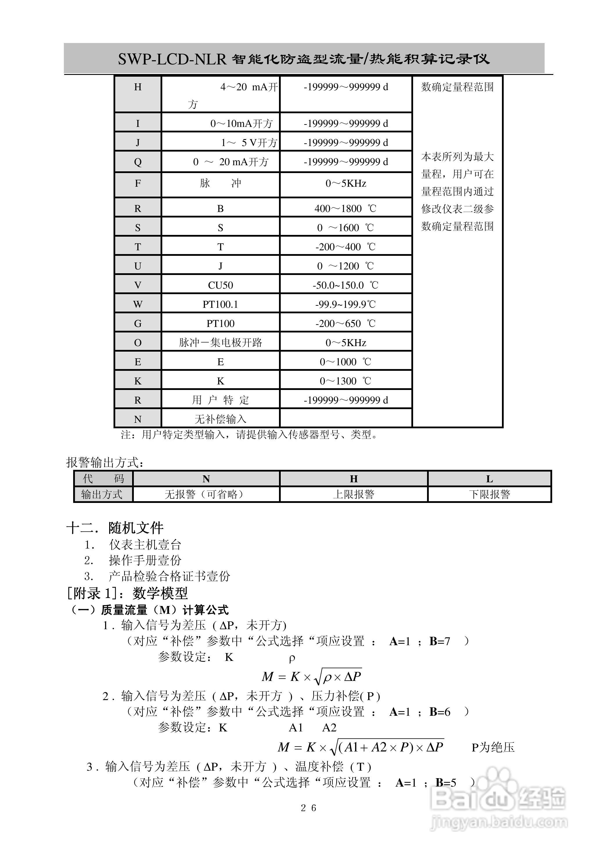
昌晖SWP-LCD-NLR智能化防盗型流量/热能积算仪说明书:[3]
2026-02-15 23:49:31
本篇为《昌晖SWP-LCD-NLR智能化防盗型流量/热能积算仪说明书》,主要介绍该产品的使用方法以及常见故障解决方案。
(共篇)
上一篇:
|
下一篇:
相关推荐
昌晖SWP-LCD-NLR智能化防盗型流量/热能积算仪说明书:[6]
阅读量:94
昌晖SWP-LCD-NLR智能化防盗型流量/热能积算仪说明书:[7]
阅读量:71
昌晖SWP-LCD-LTR智能防盗天然气流量积算控制仪说明书:[3]
阅读量:22
昌晖LCD-QR 智能化防盗型热量积算仪说明书:[3]
阅读量:45
昌晖LCD-QR 智能化防盗型热量积算仪说明书:[1]
阅读量:155
猜你喜欢
喝盐水有什么好处
为运动员加油的稿子
南眉籽的功效与作用
第二届全国青年运动会
维生素b12的作用及功能介绍
法律小知识
起诉离婚需要什么手续
鸡肋什么意思
桑叶的作用与功效
腰果的功效与作用
猜你喜欢
什么叫动车
宝宝dha什么牌子好
地榆的功效与作用
银行贷款有什么要求
葡萄干的功效与作用
通感的作用
鱼油有什么功效和作用
雅诗兰黛适合什么年龄
基金入门知识
磁石的功效与作用