融合经验网
首页
美食营养
生活百科
知识问答
生活知识
返回
融合经验网
首页
美食营养
游戏数码
手工爱好
生活知识
生活百科
健康养生
运动户外
职场理财
情感交际
母婴教育
时尚美容
知识问答
更多知识
搜索
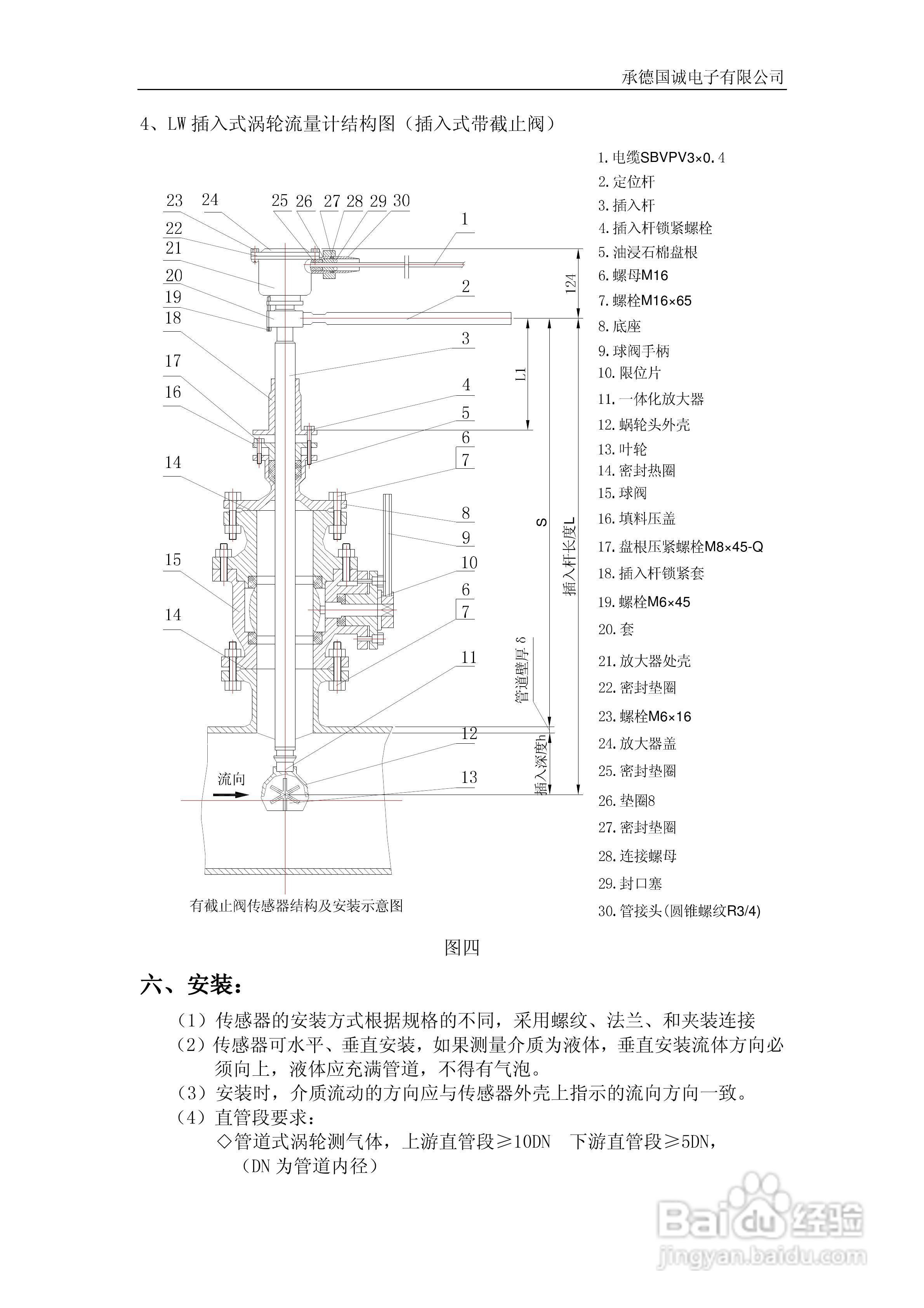
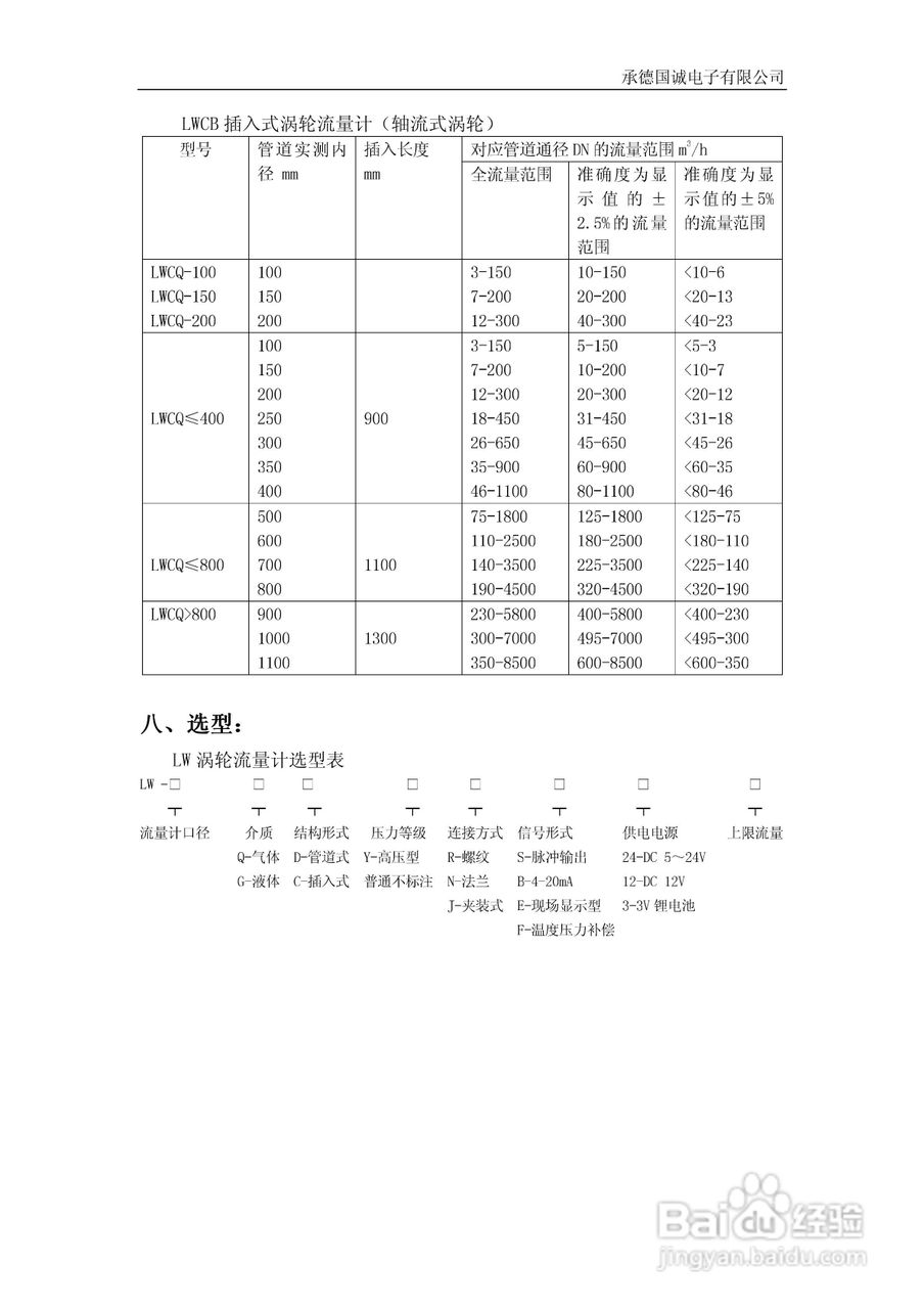
国诚LW涡轮流量计说明书
2026-02-18 13:06:04
相关推荐
国诚LUGR(T)涡街流量计说明书
阅读量:50
液体涡轮流量计说明书:[1]
阅读量:27
液体涡轮流量计说明书:[3]
阅读量:150
液体涡轮流量计说明书:[2]
阅读量:194
国诚LDC系列插入式电磁流量计说明书
阅读量:107
猜你喜欢
孕前检查挂什么科
卧槽是什么意思
书是什么仿写句子
成都有什么好玩的
痤疮用什么药
白痰多是什么原因
职称是什么意思
入珠是什么意思
首当其冲是什么意思
ald是什么病
猜你喜欢
三围是什么
乐此不疲是什么意思
狐臭是什么味道
july是什么意思
木瓜煲什么汤最好
什么是微课
诫勉谈话是什么意思
五毒是什么
ocs是什么意思
疖肿是什么