融合经验网
首页
美食营养
生活百科
知识问答
生活知识
返回
融合经验网
首页
美食营养
游戏数码
手工爱好
生活知识
生活百科
健康养生
运动户外
职场理财
情感交际
母婴教育
时尚美容
知识问答
更多知识
搜索
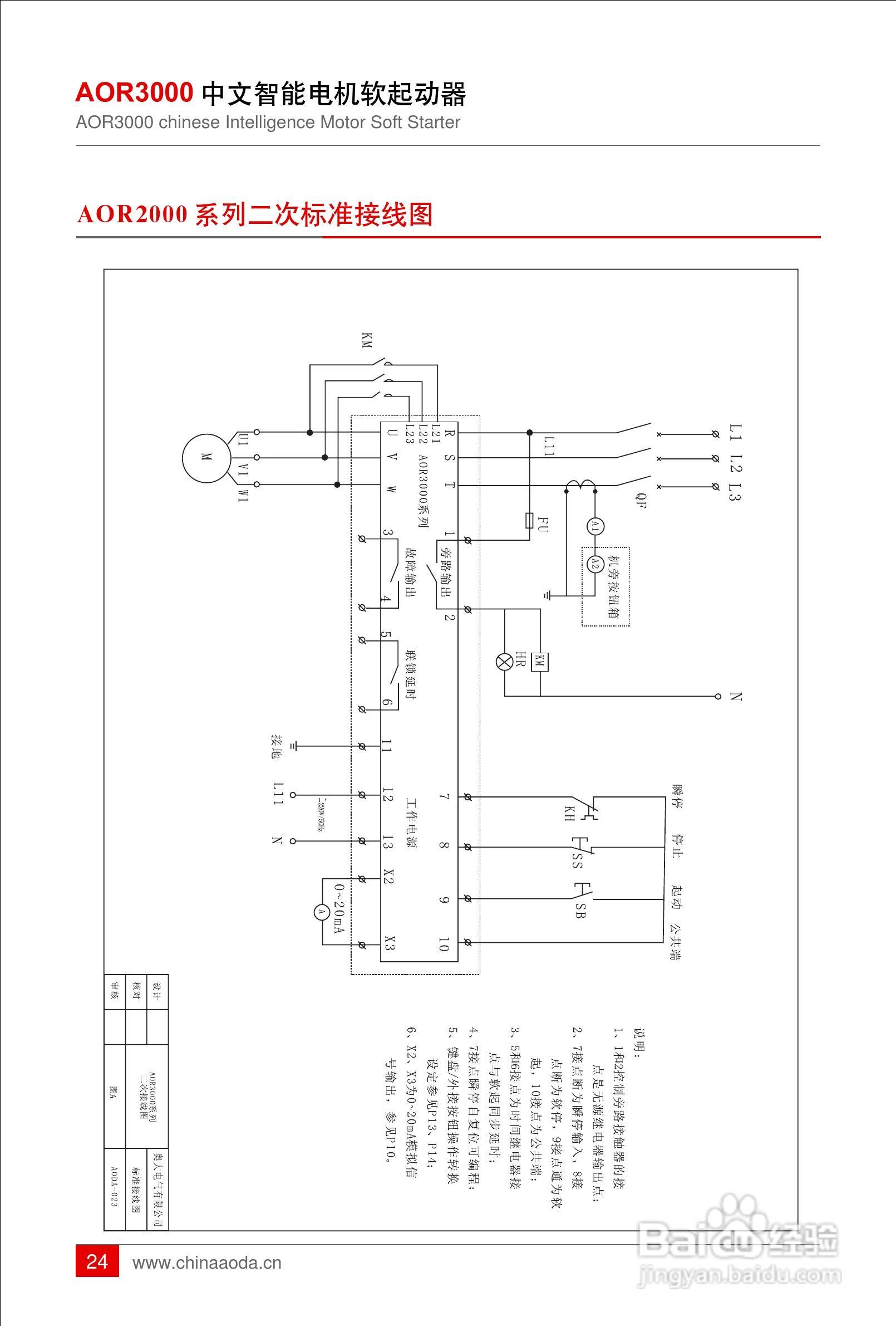
AOR3000中文智能软起动器用户手册:[3]
2026-04-24 06:49:08
本篇为《AOR3000中文智能软起动器用户手册》,主要介绍该产品的使用方法以及常见故障解决方案。
(共篇)
上一篇:
相关推荐
老人健康饭菜的特点
阅读量:34
教师队伍建设之我见
阅读量:151
为什么有的喷气飞机也有螺旋桨?
阅读量:160
白灼花螺
阅读量:123
花艺设计师必须具备的几个条件
阅读量:108
猜你喜欢
安乃近的作用
大蒜的功效与作用
滑石的功效与作用
百里香的功效与作用
微信运动怎么不显示步数
有氧运动心率
运动简笔画图片大全
精油的作用
炒锅什么牌子好
现在开什么店比较好
猜你喜欢
望其项背什么意思
什么又绿江南岸
墓地风水知识
亚麻籽油的功效与作用
百香果加蜂蜜的功效与作用
心理健康知识
洛阳牡丹花什么时候开
核桃油的功效与作用
香榧坚果的功效与作用
玉竹的功效与作用